HMTK準雙曲面齒輪減速頭

- 通用齒輪頭伺服化,兼具高度經濟性與短交貨期的優點。
- HMTK準雙曲面齒輪減速頭是一種高效能型直交軸。
- 輸出軸:空心、實心
- 對應伺服電機:0.2~5.0kW
- 減速比:1/5~1/200
支持選定工具的伺服電機
| 制造商 | 模型示例 |
|---|---|
| 歐姆龍 | R88M-K等 |
| 東方馬達 | KXR |
| 基恩斯 | SV2、SV等 |
| 多摩川精機 | TS46等 |
| 松下 | MSM等 |
| 三菱電機 | HK-KT、HG-SR等 |
| 安川電機 | SGM7等 |
特性
-
·經濟
我們已對通用齒輪箱進行了改造,使其適用於伺服應用,從而能夠以經濟高效的方式提供產品,並縮短交貨期。
-
·高效
與蝸輪相比,滑動少,高效率。如果輸出相同,則功耗較低。
-
·結構緊湊,節省空間
高度尺寸較小的小型機身,可自由安裝。沒有水平、垂直、傾斜等安裝角度的限制。
-
·輸出軸背隙 (近似)
單位:分鐘 減速比 5~10 15~100 120~200 角度 60 30 20 ※不是保證值。
安裝形式/軸配置
| H | US | UT |
|---|---|---|
|
|
|
- [安裝形式]
- H:空心軸型
- U S:面安裝型輸出軸單軸
- U T:表面安裝型輸出軸兩軸
- L:腳安裝型*請向本公司咨詢。
- 輸出軸方向
- 沿輸入軸向右旋轉時,從通孔側面看
- 雙層:向左旋轉
- 三段:向右旋轉
產品目錄、使用說明書
型號表示例
| HMTK | 0428 | U | 20 | S | - | □□□C |
| | 款式 |
| 尺寸 |
| 安裝形式 |
| 減速比 |
| 軸配置 |
| 安裝代號 |
|
| U:表面固定型 H:輸出空心軸 |
S:輸出軸為單側 (表面側) (僅表面固定型) T:輸出軸為兩側 (僅表面固定型) 無符號:空心軸型 |
(夾緊型) |
| HMTK | 3750 | U | 60 | S | - | L1RJ |
| | 款式 |
| 尺寸 |
| 安裝形式 |
| 減速比 |
| 軸配置 |
| 安裝代號* |
|
| U:表面固定型 H:輸出空心軸 |
S:輸出軸為單側 (表面側) (僅表面固定型) T:輸出軸為兩側 (僅表面固定型) 無符號:空心軸型 |
(鍵槽類型) |
■椿本型號導航
類型名稱
HMTK:採用準雙曲面齒輪直交軸型。
GMTK:使用螺旋齒輪的平行軸類型。
尺寸
表示額定輸入容量。
邊框編號
這表示減速機的尺寸。對於大多數型號而言,該值與輸出軸直徑相同。
由電機容量和減速比自動決定。
安裝形式
L:底腳安裝型。
U:端面安裝型。
F:法蘭安裝類型。
是端面安裝還是法蘭安裝,
將依據機座號自動決定。
減速比
表示減速比。
區域分隔符對應於框架編號。
軸配置
對於HMTK類型:
無符號:安裝類型為空心軸類型 (H) 時,不需要軸對齊符號。
S:安裝形式為表面安裝 (U) 時,實心輸出軸伸出安裝面側的類型。
T:實心輸出軸位於兩側的類型。
對於GMTK類型:
無符號:不需要軸放置符號。
安裝代號
指定與要安裝的電動機相匹配的安裝代號。
商品一覽表
| 安裝代號 | 減速比 | 空心軸型 | 面安裝型 | |
|---|---|---|---|---|
|
下面的電機安裝部分 |
1/5 | HMTK0430H5 | HMTK0428U5S | HMTK0428U5T |
| 1/10 | HMTK0430H10 | HMTK0428U10S | HMTK0428U10T | |
| 1/15 | HMTK0430H15 | HMTK0428U15S | HMTK0428U15T | |
| 1/20 | HMTK0430H20 | HMTK0428U20S | HMTK0428U20T | |
| 1/25 | HMTK0430H25 | HMTK0428U25S | HMTK0428U25T | |
| 1/30 | HMTK0430H30 | HMTK0428U30S | HMTK0428U30T | |
| 1/40 | HMTK0430H40 | HMTK0428U40S | HMTK0428U40T | |
| 1/50 | HMTK0430H50 | HMTK0428U50S | HMTK0428U50T | |
| 1/60 | HMTK0435H60 | HMTK0438U60S | HMTK0438U60T | |
| 1/80 | HMTK0435H80 | HMTK0438U80S | HMTK0438U80T | |
| 1/100 | HMTK0435H100 | HMTK0438U100S | HMTK0438U100T | |
| 1/120 | HMTK0435H120 | HMTK0438U120S | HMTK0438U120T | |
| 1/160 | HMTK0435H160 | HMTK0438U160S | HMTK0438U160T | |
| 1/200 | HMTK0435H200 | HMTK0438U200S | HMTK0438U200T | |
| 安裝代號 | 減速比 | 空心軸型 | 面安裝型 | |
|---|---|---|---|---|
|
下面的電機安裝部分 |
1/5 | HMTK0735H5 | HMTK0738U5S | HMTK0738U5T |
| 1/10 | HMTK0735H10 | HMTK0738U10S | HMTK0738U10T | |
| 1/15 | HMTK0735H15 | HMTK0738U15S | HMTK0738U15T | |
| 1/20 | HMTK0735H20 | HMTK0738U20S | HMTK0738U20T | |
| 1/25 | HMTK0735H25 | HMTK0738U25S | HMTK0738U25T | |
| 1/30 | HMTK0735H30 | HMTK0738U30S | HMTK0738U30T | |
| 1/40 | HMTK0735H40 | HMTK0738U40S | HMTK0738U40T | |
| 1/50 | HMTK0735H50 | HMTK0738U50S | HMTK0738U50T | |
| 1/60 | HMTK0745H60 | HMTK0742U60S | HMTK0742U60T | |
| 1/80 | HMTK0745H80 | HMTK0742U80S | HMTK0742U80T | |
| 1/100 | HMTK0745H100 | HMTK0742U100S | HMTK0742U100T | |
| 1/120 | HMTK0745H120 | HMTK0742U120S | HMTK0742U120T | |
| 1/160 | HMTK0745H160 | HMTK0742U160S | HMTK0742U160T | |
| 1/200 | HMTK0745H200 | HMTK0742U200S | HMTK0742U200T | |
| 安裝代號 | 減速比 | 空心軸型 | 面安裝型 | |
|---|---|---|---|---|
|
下面的電機安裝部分 |
1/5 | HMTK1545H5 | HMTK1542U5S | HMTK1542U5T |
| 1/10 | HMTK1545H10 | HMTK1542U10S | HMTK1542U10T | |
| 1/15 | HMTK1545H15 | HMTK1542U15S | HMTK1542U15T | |
| 1/20 | HMTK1545H20 | HMTK1542U20S | HMTK1542U20T | |
| 1/25 | HMTK1545H25 | HMTK1542U25S | HMTK1542U25T | |
| 1/30 | HMTK1545H30 | HMTK1542U30S | HMTK1542U30T | |
| 1/40 | HMTK1545H40 | HMTK1542U40S | HMTK1542U40T | |
| 1/50 | HMTK1545H50 | HMTK1542U50S | HMTK1542U50T | |
| 1/60 | HMTK1545H60 | HMTK1542U60S | HMTK1542U60T | |
| 1/80 | HMTK1545H80 | HMTK1542U80S | HMTK1542U80T | |
| 1/100 | HMTK1555H100 | HMTK1550U100S | HMTK1550U100T | |
| 1/120 | HMTK1555H120 | HMTK1550U120S | HMTK1550U120T | |
| 1/160 | HMTK1555H160 | HMTK1550U160S | HMTK1550U160T | |
| 1/200 | HMTK1555H200 | HMTK1550U200S | HMTK1550U200T | |
| 安裝代號 | 減速比 | 空心軸型 | 面安裝型 | |
|---|---|---|---|---|
|
下面的電機安裝部分 |
1/5 | HMTK2245H5 | HMTK2242U5S | HMTK2242U5T |
| 1/10 | HMTK2245H10 | HMTK2242U10S | HMTK2242U10T | |
| 1/15 | HMTK2245H15 | HMTK2242U15S | HMTK2242U15T | |
| 1/20 | HMTK2245H20 | HMTK2242U20S | HMTK2242U20T | |
| 1/25 | HMTK2245H25 | HMTK2242U25S | HMTK2242U25T | |
| 1/30 | HMTK2245H30 | HMTK2242U30S | HMTK2242U30T | |
| 1/40 | HMTK2245H40 | HMTK2242U40S | HMTK2242U40T | |
| 1/50 | HMTK2245H50 | HMTK2242U50S | HMTK2242U50T | |
| 1/60 | HMTK2245H60 | HMTK2242U60S | HMTK2242U60T | |
| 1/80 | HMTK2255H80 | HMTK2250U80S | HMTK2250U80T | |
| 1/100 | HMTK2255H100 | HMTK2250U100S | HMTK2250U100T | |
| 1/120 | HMTK2255H120 | HMTK2250U120S | HMTK2250U120T | |
| 安裝代號 | 減速比 | 空心軸型 | 面安裝型 | |
|---|---|---|---|---|
| 1/5 | HMTK3755H5 | HMTK3750U5S | HMTK3750U5T | |
| 1/10 | HMTK3755H10 | HMTK3750U10S | HMTK3750U10T | |
| 1/15 | HMTK3755H15 | HMTK3750U15S | HMTK3750U15T | |
| 1/20 | HMTK3755H20 | HMTK3750U20S | HMTK3750U20T | |
| 1/25 | HMTK3755H25 | HMTK3750U25S | HMTK3750U25T | |
| 1/30 | HMTK3755H30 | HMTK3750U30S | HMTK3750U30T | |
| 1/40 | HMTK3755H40 | HMTK3750U40S | HMTK3750U40T | |
| 1/50 | HMTK3755H50 | HMTK3750U50S | HMTK3750U50T | |
| 1/60 | HMTK3755H60 | HMTK3750U60S | HMTK3750U60T | |
| 安裝代號 | 減速比 | 空心軸型 | 面安裝型 | |
|---|---|---|---|---|
| 1/5 | HMTK5555H5 | HMTK5550U5S | HMTK5550U5T | |
| 1/10 | HMTK5555H10 | HMTK5550U10S | HMTK5550U10T | |
| 1/15 | HMTK5555H15 | HMTK5550U15S | HMTK5550U15T | |
| 1/20 | HMTK5555H20 | HMTK5550U20S | HMTK5550U20T | |
| 1/25 | HMTK5555H25 | HMTK5550U25S | HMTK5550U25T | |
| 1/30 | HMTK5555H30 | HMTK5550U30S | HMTK5550U30T | |
| 1/40 | HMTK5555H40 | HMTK5550U40S | HMTK5550U40T | |
電機支架尺寸圖
0.2kW~2kW
單位:mm
| 尺寸 | 安裝代號 不同馬達制造商 對應一覽表 |
電動機支架尺寸 | |||||||
|---|---|---|---|---|---|---|---|---|---|
| AD | MA | MB | MC | MD | ML(min) | MS | MT | ||
| HMTK0220H HMTK0222U |
E4DC | 50 | □60 | Φ50G7 | M5深度12 (PCD70) | 5 | 30(25) | Φ8 | M4 |
| E4HC | Φ14 | ||||||||
| HMTK0230H HMTK0228U |
E4DC | 54 | □60 | Φ50G7 | M5深度12 (PCD70) | 5 | 30(25) | Φ8 | M4 |
| E4EC | Φ9 | ||||||||
| E4HC | Φ14 | ||||||||
| G2HC | □80 | Φ70G7 | M6深度10 (PCD90) | ||||||
| HMTK04 | E4HC | 54 | □60 | Φ50G7 | M5深度12 (PCD70) | 5 | 30(25) | Φ14 | M4 |
| G2HC | □80 | Φ70G7 | M6深度10 (PCD90) | ||||||
| HMTK07 | G5KC | 63 | □80 | Φ70G7 | M6深度15 (PCD90) | 5 | 40(30) | Φ16 | M5 |
| G5LC | Φ19 | ||||||||
| K2KC | □130 | Φ110G7 | M8深度13 (PCD145) | Φ16 | |||||
| K2LC | Φ19 | ||||||||
| K3YC | 81 | M8深度16 (PCD145) | 8 | 58(40) | Φ24 | ||||
| HMTK15 | K3LC | 77 | □130 | Φ110G7 | M8深度16 (PCD145) | 8 | 58(40) | Φ19 | M5 |
| K3MC | Φ22 | ||||||||
| K3YC | Φ24 | ||||||||
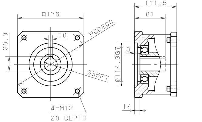
| HMTK22 | L1PC | 121 | □180 | Φ114.3G7 | M12深度16 (PCD200) | 8 | 80(55) | Φ28 | M6 |
| L1RC | Φ35 | ||||||||
3.5kW, 5kW
大小:HMTK3755H、HMTK3750U、HMTK5555H、HMTK5550U
安裝代號:L1RJ
選項
軸端蓋
·備有中空軸形、安裝在與安裝相反一側的中空軸端的蓋板。附適配器,可對應雙軸形。
(材質:聚丙烯樹脂制,綠色)
・寸法(単位:mm)、PDF図面、標準価格・納期
| 型號 | 容量、速比 | PDF圖紙 | 標準価格 | 交貨期 |
|---|---|---|---|---|
| HM70CAP | HMTK0220H5~60 | PDF 標準規格、無鍵規格共用 | お問合せください | お問合せください |
| HM90CAP | HMTK0230H5~200 HMTK0430H5~35H200 HMTK0735H5~45H200 HMTK1545H5~80 HMTK2245H5~60 |
PDF 標準規格用 | お問合せください | お問合せください |
| HM140CAP | HMTK1555H100~200 HMTK2255H80~120 HMTK3755H5~60 HMTK5555H5~40 |
PDF 標準規格用 | お問合せください | お問合せください |
| HM90CAP-PL | HMTK0230H5~200 HMTK0430H5~35H200 HMTK0735H5~45H200 HMTK1545H5~80 HMTK2245H5~60 |
PDF 標準規格、無鍵規格共用 | お問合せください | お問合せください |
扭力臂
·中空軸形,備有軸上安裝時的扭矩臂。附適配器,可對應雙軸形。(材質:SS400)

根據減速機的安裝情況,它可以安裝在任一位置。
・寸法(単位:mm)、PDF図面、標準価格・納期一覧
| 型號 | 容量、速比 | A | B | C | D | H | L | R1 | R2 | R3 | ΦZ1 | ΦZ2 | 推薦 螺栓 |
板厚 t |
PDF圖紙 | 標準価格 | 交貨期 |
|---|---|---|---|---|---|---|---|---|---|---|---|---|---|---|---|---|---|
| HM100TA | HMTK0220H5~60 | 100 | 62 | 38 | 70 | 82 | 126 | 9 | 11 | 37 | 9 | 11 | M10 | 4.5 | お問合せください | お問合せください | |
| HM150TA | HMTK0230H5~200 HMTK0430H5~50 |
150 | 103 | 47 | 88 | 129 | 157 | 11 | 15 | 47 | 11 | 13 | M12 | 6 | お問合せください | お問合せください | |
| HM200TA | HMTK0435H60~200 HMTK0735H5~50 |
200 | 142 | 58 | 106 | 171 | 188 | 12 | 17 | 47 | 13 | 17 | M16 | 6 | お問合せください | お問合せください | |
| HM250TA | HMTK0745H60~200 HMTK1545H5~80 HMTK2245H5~60 |
250 | 177 | 73 | 123 | 214 | 228 | 16 | 21 | ― | 17 | 21 | M20 | 9 | お問合せください | お問合せください | |
| HM350TA | HMTK1555H100~200 HMTK2255H80~120 HMTK3755H5~60 HMTK5555H5~40 |
350 | 245 | 105 | 182 | 293 | 331 | 22 | 26 | ― | 22 | 22 | M20 | 9 | お問合せください | お問合せください |

