BB系列

- 軸承 (6200系列) 與凸輪離合器一體化。
- 軸承 (6200系列) 內置凸輪離合器。考慮到氛圍,備有帶油封的商品。
- 從低速到高速可廣泛使用,適用於小型、輕負荷用途。
- トルク範囲:29~260N・m
特性
- ·小巧設計
小空間兼具單向離合器與軸承的功能,可有效利用空間。 - ·易於安裝
軸或殼體的安裝方式有兩種:壓入和鍵槽固定式。 - ・扭力容量增加
透過外輪之間佈置多個凸輪,可以傳遞比殼式滾輪離合器更大的扭力。 - ·所有品種庫存立即交貨
考慮到使用氛圍,備有附油封的商品。
結構
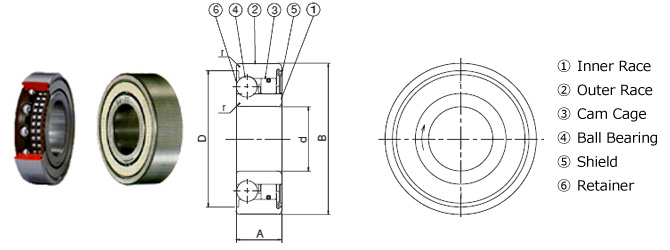
·BB款
這是基本類型。凸輪離合器內建於6200系列滾珠軸承。外輪採用過盈配合來傳遞壓入。
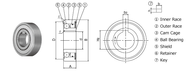
・BB系列1K-K型(附内輪鍵槽)
這是一款BB型軸承,内輪帶有鍵槽。外輪透過壓入配合傳遞扭力。隨附一把鍵。
・BB系列2K-K型(內環和外輪鍵槽)
這是一款BB型軸承,外輪均附有鍵槽。軸承透過鍵槽與殼體和軸連接。鍵槽已包含在內。
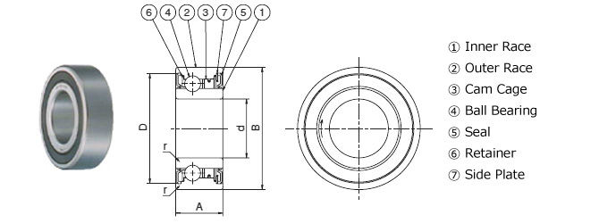
·BB系列2GD款 (附兩側橡膠密封墊片)
這是一款兩側有橡膠密封圈的BB型軸承。外輪透過壓入配合傳遞扭力。其寬度比普通BB型軸承寬5mm。
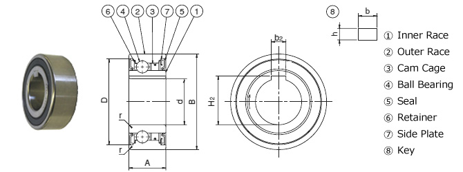
・BB系列2GD1K-K型(兩側附橡膠接觸密封圈,内輪鍵槽)
這是BB-2GD型,内輪有鍵槽。外輪透過壓入配合傳遞扭力。隨附一把鍵。
型號表示例
| BB30 | - | 1K | - | K | |
| | 尺寸 |
| 1K:帶内輪鍵槽 2K:帶鍵槽的內環和外輪 |
| 附帶按鍵 |
|||
| (沒有鍵槽時,“1K-K”和“2K-K”為空白) | |||||
| BB30 | - | 2GD | 1K | - | K |
| | 尺寸 |
| 兩側附松緊接觸貼紙 |
| 帶内輪鍵槽 |
| 附帶按鍵 |
||
| (沒有鍵槽時“1K-K”為空白) | |||||
