扭力限制器

- 用途最廣泛的摩擦式過負荷保護機器
- ·可安裝在軸上,通過滾子鏈條、皮帶、齒輪進行傳動。
- ·它在超載時滑動,並在超載消除後自動恢復。
- ·滑動扭矩的設定只要擰緊調節螺母或調節螺栓就很簡單。
- ·備有豐富尺寸,可設定各種扭矩。
- -我們還有多種鏈輪和聯軸器可供選擇。
結構
正常運轉時,中心構件被夾在摩擦片之間,透過碟形彈簧加壓,在設定扭力以下時,透過摩擦力傳遞旋轉。
當過載時,如果扭力超過設定值,中心構件會在摩擦片之間打滑。如果過載解除,它將自動復帰。
*上圖所示為TL200至TL350的結構。 TL500至TL700以及TL10至TL20的滑動扭力是透過鎖緊調整螺栓來設定的。詳情請參閱使用使用說明書。
規格 (標準型號)
| 設定扭矩範圍N・m | 背隙 | 復原方法 |
|---|---|---|
| 1.0~9310 | 無 (僅單向運行時) | 自動 |
(註)反轉使用方向時,會產生背隙。
扭力限制器聯軸器
>>有關緊定螺絲、倒角和精加工的信息,請點擊此處。
規格 (標準型號)
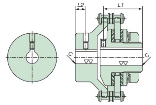
·固定螺釘位置和尺寸
| 扭力限制器 | 扭力限制器側 | 扭力限制器(聯軸器式) | |||
|---|---|---|---|---|---|
| 固定螺釘 | 固定螺釘位置 (L1) | 固定螺釘 | 固定螺釘位置 (L2) | ||
| TL200 | TL200-C | - | - | M 5× 5 | 8 |
| TL250 | TL250-C | M 5× 8 | 44 | M 5× 5 | 12 |
| TL350 | TL350-C | M 6×12 | 56 | M 6× 6 | 18 |
| TL500 | TL500-C | M 8×20 | 69 | M 8× 8 | 20 |
| TL700 | TL700-C | M10×20 | 90 | M10×10 | 33 |
| TL10 | TL10-C | M 8× 8 | 10 | M 8× 8 | 15 |
| TL14 | TL14-C | M10×10 | 12 | M10×10 | 20 |
| TL20 | TL20-C | M14×14 | 15 | M14×14 | 35 |
·倒角和精加工
| 軸孔直徑 | 倒角尺寸 |
|---|---|
| Φ25以下 | C0.5 |
| Φ50以下 | C1 |
| Φ125以下 | C1.5 |
| 超過Φ125時 | C2 |
產品目錄、使用說明書
型號顯示
※單體類型
| TL250 | - | 2 | - | B6.5 | - | TH20JD1 |
| | 尺寸 |
| 碟形彈簧張數 1:1 2:2 1L:弱彈簧 |
| 套筒長度 (無套筒 時無) |
| 軸孔符號 |
|||
※帶鏈輪
| TL250 | - | 2 | - | 04022 | - | TH20JD1 | - | N49 |
| | 尺寸 |
| 碟形彈簧張數 |
| 鏈輪型號 |
| 軸孔符號 |
| 扭矩設定值 N・m |
||||
*聯軸器類型
| TL250 | - | 2 | C | - | TH18JD1 | X | CH30JD1 | - | N49 |
| | 尺寸 |
| | | |
| 聯軸器 類型 |
| 扭力限制器側 軸孔符號 |
| 聯軸器側 軸孔符號 |
| 扭矩設定值 N・m |
||||
| | 碟形彈簧張數 |
|||||||||
| 軸孔徑公差 | 軸孔直徑 | 鍵槽公差 | 止付螺絲位置 | |
|---|---|---|---|---|
| T | H | 18 | J | D1 |
| C | H | 30 | J | D1 |
| T:トルクリミター側 C:カップリング側 | F:F7 G:G7 H:H7 J:JS7 P:P7 M:M7 N:N7 K:K7 R:R7 |
軸孔直徑為 以1mm為單位 |
J:新JISJs9 (標準) P:新JISP9 F:舊JISF7 E:舊JISE9 |
![]() 單擊放大 |
注意)扭力限制器側的定位螺絲位置是從調整螺帽側看到的位置,聯軸器側的定位螺絲位置是從輪轂端面看到的位置。
■椿本型號導航
產品型號列表
※單擊形狀編號以顯示詳細信息。
| 設定扭矩範圍 N・m |
單體 | 聯軸器類型 | ||
|---|---|---|---|---|
| 軸孔直徑範圍 mm |
型號 | 聯軸器側 軸孔直徑範圍(mm) |
型號 | |
| 1.0~2.0 | 9~14 | TL200-1L | 10~31 | TL200-1LC |
| 2.9~9.8 | TL200-1 | TL200-1C | ||
| 6.9~20 | TL200-2 | TL200-2C | ||
| 2.9~6.9 | 12~22 | TL250-1L | 15~38 | TL250-1LC |
| 6.9~27 | TL250-1 | TL250-1C | ||
| 14~54 | TL250-2 | TL250-2C | ||
| 9.8~20 | 18~25 | TL350-1L | 15~45 | TL350-1LC |
| 20~74 | TL350-1 | TL350-1C | ||
| 34~149 | TL350-2 | TL350-2C | ||
| 20~49 | 22~42 | TL500-1L | 20~65 | TL500-1LC |
| 47~210 | TL500-1 | TL500-1C | ||
| 88~420 | TL500-2 | TL500-2C | ||
| 49~118 | 32~64 | TL700-1L | 25~90 | TL700-1LC |
| 116~569 | TL700-1 | TL700-1C | ||
| 223~1080 | TL700-2 | TL700-2C | ||
| 392~1270 | 32~72 | TL10-16 | 35~95 | TL10-16C |
| 588~1860 | TL10-24 | TL10-24C | ||
| 882~2660 | 42~100 | TL14-10 | 40~118 | TL14-10C |
| 1960~3920 | TL14-15 | TL14-15C | ||
| 2450~4900 | 52~130 | TL20-6 | 45~150 | TL20-6C |
| 4610~9310 | TL20-12 | TL20-12C | ||
選定
在人員運輸設備或起重設備中使用扭力限制器時,應在設備側採取措施,以防止人員受傷或跌倒。
1. 根據機器的強度、負載和其他條件,確定不應施加超過此水平的扭矩,並將其用作扭力限制器的滑移扭矩。
如果該扭矩不清楚,則根據原動機的額定輸出功率和扭力限制器所連接的軸的轉速計算該扭矩,並將其乘以 1.5 到 2 倍作為扭力限制器的滑移扭力。
2. 在決定扭力限制器的尺寸時,確保滑移扭力落在扭力限制器的額定扭力範圍內。
3. 查看尺寸表,確保你選擇的扭力限制器的最大軸孔直徑大於安裝軸的直徑。
如果安裝軸的直徑較大,請使用比安裝軸直徑大一號的扭力限制器。
4. 根據要夾緊到扭力限制器中的中心構件的厚度,確定適當的套筒長度(請參閱產品型號頁)。
參考尺寸表中列出的套筒長度,選擇盡可能長的套筒(可以是單一套筒,也可以是多個套筒的組合),但長度不得超過中心構件的厚度。
關於中心構件的選定、制作、動作的檢測
有關選擇和製造要夾在扭力限制器中作為中心構件的鏈輪或其他零件的詳細信息,以及使用中心構件的過載檢測方法,請參閱此處。
使用扭力限制器時
・購買帶有導引底孔的扭力限制器時,需要加工輪轂的軸孔和鍵槽,製造中心構件,並在將其連接到軸之前設置扭矩。
·摩擦係數降低時,滑動扭矩也會降低,因此請避免水分、油分等附著到摩擦板上。
作為對策,如果過度擰緊,通過碟形彈簧施加在摩擦板上的負擔會變大,摩擦板可能會破裂。
·如果轉速較高,滑動時摩擦片會變熱,摩擦片表面可能會碳化,導衹強度下降,因此請勿以最高轉速以上使用。
・當轉速低於5 r/min時,滑移扭力可能會降低。如果您打算在極低轉速下使用,請另行諮詢我們。

