產品資訊 頂板鏈條配件
我們有各式各樣的輸送機週邊零件,例如專用鏈輪、托輥、塑膠軌道、定位環、鏈條導軌零件、框架支撐零件、產品導向零件和軸承單元。
有關每個附件的使用方法,請單擊下圖。
- 鏈輪
- 分解連接工具
不鏽鋼頂板鏈條配件清單
鏈型編號的適用附件
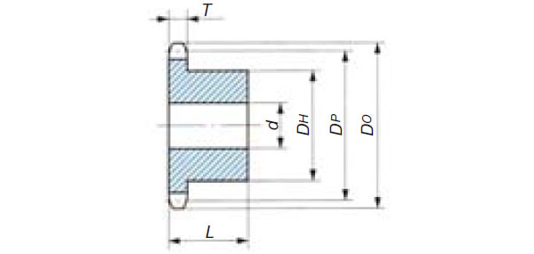
附件型號。
※單擊形狀編號以顯示詳細信息。單擊可放大尺寸圖。
鏈輪
( 點擊以顯示一覽表。) |
適用鏈條格式 | 適用鏈條 間距 mm |
齒數 | |||||||||||||||||||||||||||||||||||||||||||||||||||||||||||||||||||||||||||||||||||||||||||||||||||||||||||||||||||||||||||||||
|---|---|---|---|---|---|---|---|---|---|---|---|---|---|---|---|---|---|---|---|---|---|---|---|---|---|---|---|---|---|---|---|---|---|---|---|---|---|---|---|---|---|---|---|---|---|---|---|---|---|---|---|---|---|---|---|---|---|---|---|---|---|---|---|---|---|---|---|---|---|---|---|---|---|---|---|---|---|---|---|---|---|---|---|---|---|---|---|---|---|---|---|---|---|---|---|---|---|---|---|---|---|---|---|---|---|---|---|---|---|---|---|---|---|---|---|---|---|---|---|---|---|---|---|---|---|---|---|---|---|---|
![]() |
TT
|
TT | 38.10 | 19, 21, 23, 25 | ||||||||||||||||||||||||||||||||||||||||||||||||||||||||||||||||||||||||||||||||||||||||||||||||||||||||||||||||||||||||||||||
![]() ![]() ![]() |
× (可以通過拖動來移動)
× (可以通過拖動來移動)
× (可以通過拖動來移動)
|
|||||||||||||||||||||||||||||||||||||||||||||||||||||||||||||||||||||||||||||||||||||||||||||||||||||||||||||||||||||||||||||||||
![]() |
TTU
|
TTU | 38.10 | 21, 23, 25 | ||||||||||||||||||||||||||||||||||||||||||||||||||||||||||||||||||||||||||||||||||||||||||||||||||||||||||||||||||||||||||||||
![]() ![]() ![]() |
× (可以通過拖動來移動)
× (可以通過拖動來移動)
× (可以通過拖動來移動)
|
|||||||||||||||||||||||||||||||||||||||||||||||||||||||||||||||||||||||||||||||||||||||||||||||||||||||||||||||||||||||||||||||||
![]() |
TS/TSA
|
TS, TSA, TSA-HTP, TS-CTP | 38.10 | 9½, 10½, 11½, 12, 12½ | ||||||||||||||||||||||||||||||||||||||||||||||||||||||||||||||||||||||||||||||||||||||||||||||||||||||||||||||||||||||||||||||
![]() ![]() |
|
|||||||||||||||||||||||||||||||||||||||||||||||||||||||||||||||||||||||||||||||||||||||||||||||||||||||||||||||||||||||||||||||||
![]() |
TO
|
TO, TORP/TOSP | 76.20 | 11, 31 | ||||||||||||||||||||||||||||||||||||||||||||||||||||||||||||||||||||||||||||||||||||||||||||||||||||||||||||||||||||||||||||||
![]() |
|
|||||||||||||||||||||||||||||||||||||||||||||||||||||||||||||||||||||||||||||||||||||||||||||||||||||||||||||||||||||||||||||||||
![]() |
TU
|
TU | 76.20 | 11 | ||||||||||||||||||||||||||||||||||||||||||||||||||||||||||||||||||||||||||||||||||||||||||||||||||||||||||||||||||||||||||||||
![]() |
|
|||||||||||||||||||||||||||||||||||||||||||||||||||||||||||||||||||||||||||||||||||||||||||||||||||||||||||||||||||||||||||||||||
分解連接工具
| 配件名稱 ( 點擊以顯示一覽表。) |
適用鏈條編號 | |||||||||||||
|---|---|---|---|---|---|---|---|---|---|---|---|---|---|---|
![]() |
分解連接工具
|
TT, TRU, TTKU, TS | ||||||||||||
![]() ![]() ![]() |
|
|||||||||||||
點擊以顯示一覽表


















