鬥式提升機用輸送鏈

- 以耐磨性和疲勞強度為重點的鬥式電梯專用鏈條。
- 憑借豐富的經驗和實際成果,我們還可以提供適用於水泥運輸和腐蝕性粉煤運輸的規格鏈條。
- 連接部分有一個專用的連結鏈節,方便切斷&連接。
- 還備有經過防磨損處理的FB規格和FBXA規格。
產品目錄、使用說明書
規格
- 通用耐磨鏈條CT規格或BT規格
將焦點集中在磨損性高的水泥上,成為適合水泥搬運的零部件材質、硬度、縫隙。
·煤粉用鏈條RT規格或Y規格
是為了搬運有腐蝕性的煤粉而特別設計的鏈條。
Y樣式:兼具強度與韌性的樣式。
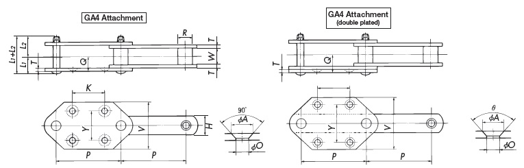
附件
標準附件是GA4附件。
GA附件安裝在T形銷的另一側。
商品一覽表
※單擊查看詳細信息
*最大容許張力是根據我們的設計標準計算得出的值,即計算強度。除非另有規定,否則在選擇大型输送鏈條時應使用最大容許張力。
該數值因製造商而異,並非保證值。
※平均拉伸強度請咨詢本公司。
| 尺寸 | 滾子 類型 |
節距 | 滾子 外徑 |
內鏈節 內寬 |
||||||
|---|---|---|---|---|---|---|---|---|---|---|
| 150mm | 152.4mm | 200mm | 250mm | 300mm | 350mm | 400mm | Φmm | mm | ||
| B10 | S | B10150S | --- | --- | --- | --- | --- | --- | 29 | 30 |
| B12 | S | --- | B12006S | B12200S | --- | --- | --- | --- | 34.9 | 37.1 |
| B17 | S | --- | --- | B17200S | B17250S | --- | --- | --- | 40.1 | 51.4 |
| B26 | N | --- | --- | B26200N | B26250N | B26300N | --- | --- | 50.8 | 57.2 |
| B36 | N | --- | --- | --- | B36250N | B36300N | B36350N | --- | 57.2 | 66.7 |
| B60 | N | --- | --- | --- | --- | B60300N | B60350N | B60400N | 70 | 77 |
| B90 | N | --- | --- | --- | --- | --- | B90350N | B90400N | 85 | 88 |
| B120 | N | --- | --- | --- | --- | --- | --- | B120400N | 100 | 100 |


