Q&A:大型输送鏈條

我們已將客戶提出的「常見問題」以問答形式發布。請點選問題查看答案。

大型輸送鏈條

Q&A 中的詞語

Q1 傳送鏈中每個零件的使用限制是多少?
Q2 如何提高流動輸送鏈的耐磨性?
Q3 為什麼軸承滾子輸送鏈條經濟實惠?
Q4 在超過400°C的條件下需要註意什麽?
Q5 輸送機搖晃的原因和對策是什麽?
Q6 輸送鏈的收緊力應該設置多少?
Q7 如何引導鏈條?

鏈外設

Q8 輸送鏈用加油機 (TCL型) 的壽命是多少?
Q9 輸送機鏈條用加油機 (TCL型) 也可以安裝在傾斜輸送機上嗎?
回答
Q1 傳送鏈中每個零件的使用限制是多少?
A1

傳送鏈的壽命通常由各部件的磨損決定。哪些部件將首先達到使用壽命取決於使用情況。
各零件的磨損壽命界限如下所示。

  1. (1) R滾子F滾子

    以由於觸軌面及與套筒滑動部分的磨損,板的下面開始接觸導軌時為極限。

    此外,導軌有彎曲部分時,如右圖所示,只有相當於S的尺寸磨損較少,因此與平面時相比,需要更加註意。

  2. (2) S滾子

    滾子厚度磨損60%,剩下40%的時候是極限。

  3. (3) 套筒

    套筒厚度磨損60%,剩下40%時是極限。

  4. (4) 板塊
    • 板之間的摩擦以及滾子側面與板內側的接觸會產生磨損,如下圖 (左) 中的 (A) (B) 所示。這個磨損量超過板厚的1/3的話就是極限。
    • 如果板直接在運輸物體或導軌上滑動,則板會沿寬度方向磨損,如下圖 (右) 所示。該磨損量達到鋼板寬度的1/8時為極限。

  5. (5) 鏈條磨損伸長

    鏈條與鏈輪嚙合時,會在導軌的彎曲部分彎曲。由於此時套筒和銷子的滑動產生的磨損,鏈條的全長會延長。

    此使用限制為基準長度 (節距X鏈節數) 的2%。測量盡可能多的鏈節 (至少4個鏈節),如下所示。測量位置請用下述A、B中的任意一種方法測量鏈條的長度,與基準長度對比後,求出鏈條的伸長率 (%) 。

    • (A) 從銷軸中心到中心
    • (B) 銷軸的一端到另一端

返回到問題
Q2 如何提高流動輸送鏈的耐磨性?
A2

用於輸送水泥等物料的輸送機傳統上採用BT規格,透過改進材料和熱處理過程來提高銷軸、套筒和滾輪的耐磨性。然而,在輸送粉煤灰(水泥原料之一)等高磨蝕性物料時,需要更高的耐磨性。因此,我們在2000年6月推出了粉煤灰輸送鏈(FA規格)。

這是在套筒及滾子的外周進行特殊硬化處理,使耐磨損性得到飛躍性提高的產品。

[BT規格與粉煤灰規範(FA規範)的比較]

【磨損比較】

■ BT規格

■FA規格

返回到問題
Q3 為什麼軸承滾子輸送鏈條經濟實惠?
A3

比較相同尺寸的通用輸送鍊和軸承滾子輸送鏈條的價格,軸承滾子輸送鏈條價格更高。然而,軸承滾子輸送鏈條具有以下特點,可在以下方面降低成本,並顯著降低運行成本。

【軸承滾子的特點】

摩擦係數小

軸承滾子輸送鏈條在軸套和滾筒之間插入圓柱形滾筒,以形成滾動接觸。因此,其滾筒的滾動摩擦係數比普通輸送鏈低1/3至1/6。

因此,施加到鏈條的張力也從1/3降低到1/6。

滾動摩擦係數 (μ)

  • 通用輸送鏈
    無加油μ=0.13~0.18,有加油μ=0.08~0.12
  • 軸承滾子輸送鏈條
    µ = 0.03

單擊放大

滾子承重大

軸承滾輪的容許荷重大約是通用輸送鏈(R 滾輪)的三倍。

對於水平輸送或略微傾斜的輸送,鏈條尺寸通常由滾筒的容許荷重決定,因此結合特性 1,可以使用較小的輸送鏈(尺寸 2)。

維護方便,使用壽命長

由於它包含圓筒滾柱(軸承),與採用普通滑動軸承的通用輸送鏈相比,潤滑時間可延長 5 到 10 倍,從而減少所需的維護量。

而且,套筒至滾子間的磨損壽命顯著提高。

不容易引起皸裂

滾子的滾動摩擦係數的變動少,不易發生晃動。

※有關Shakuri,請參閱「Q5.傳送帶搖晃的原因和對策是什麽?」一節。

【成本優勢】

返回到問題
Q4 在超過400°C的條件下需要註意什麽?
A4

在高溫環境中使用鏈時通常會遇到以下問題:。

  1. (1) 硬度降低導衹強度降低
  2. (2) 增加伸長率 (可能破壞蠕變)
  3. (3) 由於硬度降低和摩擦係數增加導衹的磨損增加
  4. (4) 進行熱膨脹和潤滑時,由於油劣化、碳化導衹鏈條彎曲不良

超過400°C時使用不鏽鋼,在考慮上述問題的基礎上,根據應用選擇和設計鏈條。在400°C以上的溫度下使用時,請與本公司協商。

返回到問題
Q5 輸送機搖晃的原因和對策是什麽?
A5

shakuri是一種自激振動,也稱為“suring”或“stick slip”,是指即使驅動部連續運行,鏈條也會反復移動和停止的現象。

一般來說,當輸送機機長為 10 m或以上,鏈條速度為 15 m/min或以下時,更容易發生輸送機抖動。

原因包括以下幾點。

  1. (1) 套筒、滾子間摩擦係數的變動
  2. (2) 鏈剛性不足
  3. (3) 驅動部、車架的剛性不足

對策如下。

  1. (1) 提高鏈條速度。
  2. (2)分割傳送帶並縮短機長。
  3. (3) 使用大尺寸鏈條,加強框架和導軌,提高輸送機本身的剛性。
  4. (4) 使套筒、滾子之間的摩擦係數小而穩定。有以下兩種方法。
    • 防滑鏈採用無痕設計,利用椿本無痕潤滑油進行潤滑。
    • 採用軸承滾子輸送鏈條。

(但是,鏈條速度在2m/min以下時,請與本公司協商。)

返回到問題
Q6 輸送鏈的收緊力應該設置多少?
A6

最好在驅動部分下方保持適當的松弛,以便傳送鏈的張力 (收緊) 不會變得太強。但是,在以下情況下,您需要通過收攏鏈條來松弛鏈條:。

  1. (1) 在輸送機上定位
  2. (2) 經常有正反運行
  3. (3) 在運送側鏈條隨意推進

一般情況下,通過目視、手的觸感調整適度的張力就足夠了,數值的大衹標準如下。

【計算方法】
· 鏈質量 … M (kg/m) X N (条数)
· 安裝在鏈條上的板條和夾具質量 … W (kg/m)
搬運物數量 … m (kg/m)
· 軸距 … C (m)
鏈條(或夾具)與導軌之間的摩擦係數
(鏈條返回側(下))
… µ
· 重力加速度 … G ( = 9.80665m/s2)
  • 旋轉方向A時 (正轉)
    收束力:F≥{ (M X N+W) X C Xμ}X G/1000 X 2 X 1.2~1.5
  • 旋轉方向B時 (反轉)
    束縛力:F≥{ (M X N+W+m) X C Xμ}X G/1000 X 2 X 1.2~1.5

有正反運行時,請使用“旋轉方向B時 (反轉) ”的收束力進行調整。

【註意】

  • 上面的F是收腰的標準。請根據傳送帶的運行狀況進行調整。
  • 確保施加的張力加上張力力後,不超過鏈條的最大容許張力,或低於適當的安全係數。
  • 鏈條繃得過緊會促進磨損,縮短壽命。
返回到問題
Q7 如何引導鏈條?
A7

以下是如何導引鏈的示例:。請將其用作設計和構思的參考。

  1. (1)套筒鏈條 塊狀鏈條

  2. (2) R滾子、S滾子形鏈

  3. (3) F滾子鏈

返回到問題
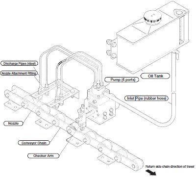
Q8 輸送鏈用加油機 (TCL型) 的壽命是多少?
A8

壽命由以下兩點決定。

  1. (1) 主體泵

    由於過度使用,無法正常加油時。

  2. (2) 方格臂是指前端滾子磨損、方格臂主體開始與鏈條滾子發生幹涉的時刻。

    通常,(2) 的壽命較早。

    我們準備了更換用的格子臂,請更換零件。

    格子臂的前端滾子如果連續運轉,磨損損傷會明顯加快。加完所需量的油後,請用油箱的旋塞停止加油,如右圖所示,不要讓棋盤臂與鏈條接觸。

    另外,在磨損性高的粉塵等環境下,磨損會明顯加劇,請註意。

返回到問題
Q9 輸送機鏈條用加油機 (TCL型) 也可以安裝在傾斜輸送機上嗎?
A9

如果安裝在傾斜部分,可能會發生出油不良。請將輸送鏈用加油機的主體安裝在水平部。

返回到問題