TCL型輸送鏈用自動加油器

- TCL型加油機是輸送鏈用的自動加油機。
- 一種通過鏈條的滾子上推加油機主體泵的格子臂,泵機構動作,從噴嘴噴出適量潤滑油的加油機。
- 因此,不需要電力等動力源,可以簡單地設置,可以準確地進行穩定的加油。
特性
-
·無電源
通過鏈條的行走,主體的泵機構啟動,因此不需要電力、空氣等動力源,安裝和維護都很方便。
-
·準確加油
因為是與鏈條的運動聯動進行加油的,所以可以準確地進行穩定的加油。
-
·小尺寸、低價格
與現有的輸送鏈用加油機相比,輕量、小型且容易操作,價格也很經濟。
集合內容
自動加油機可降低傳送帶鏈條的
磨損、行走阻力、行走噪音。
TCL4
TCL2
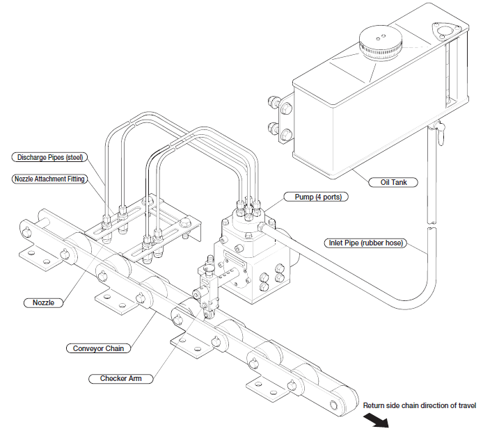
■集合內容
- 1.主泵:1個
- 2.油箱 (5L) :1個
- 3.橡膠軟管 (2m) :1根
- 4.銅管 (2m) :TCL2型2根、TCL4型4根
- 5.噴嘴:TCL2型2個、TCL4型4個
- 6.噴嘴安裝金屬配件:TCL2型1組、TCL4型2組
[角鋼:1、噴嘴安裝板:2]
性能
| 種類 | TCL4 | TCL2 |
|---|---|---|
| 排出口 | 4口 | 2口 |
| 可操作次數 | 最多 3 次/秒 請參考產品清單,以了解可用鏈節距與鏈條速度的關係。 |
|
| 排出量 | 固定式0.05CC/鏡頭/口 | |
| 定時檢測 | 棋盤臂檢測係統 | |
| 運行、停止 (ON、OFF) | 停止傳送帶後,手動切換方格臂。 | |
| 油箱 | 5L | |
| 工作溫度 | -10℃~120℃ | |
註)工作溫度是尖端噴嘴可以使用的溫度。本機的工作溫度為-10°C~60°C。
產品目錄、使用說明書
型號表示例
| TCL4 | - | R | |
| | 尺寸 TCL4:4個噴嘴 TCL2:2個噴嘴 |
| 鏈條行進方向 R:從棋盤臂側看向右 L:從棋盤臂側看向左 |
||
