水幕用WAC型

製品写真
  • 是火力發電站取水口等的自動除塵器用的鏈條。
  • 銷套滾子使用不鏽鋼400系列,均已調質。
  • 由此,在海水中和空氣中往返運行所需的耐腐蝕性、耐磨損性優異。
  • 滾子內徑使用特殊樹脂作為軸承材料,用海水代替潤滑劑 (不需要潤滑脂),便於維護。

產品目錄、使用說明書

商品一覽表

※單擊查看詳細信息

*最大容許張力是根據我們的設計標準計算得出的值,即計算強度。除非另有規定,否則在選擇大型输送鏈條時應使用最大容許張力。
該數值因製造商而異,並非保證值。

※平均拉伸強度請咨詢本公司。

尺寸 滾子
類型
節距 滾子
外徑
內鏈節
內寬
610mm Φmm mm
WAC25610 R WAC25610 100 50
WAC32610 R WAC32610 100 50
WAC45610 R WAC45610 100 50
WAC55610 R WAC55610 100 50
WAC65610 R WAC65610 110 50
WAC75610 R WAC75610 110 66.7
WAC100610 R WAC100610 130 66.7
WAC120610 R WAC120610 150 70
返回此頁面的頂部

一種攪拌機用周邊部件

■F型翼板

  • 比重:1.9
  • 質量:2.4kg/m
  • 材質:FRP
  • 外觀顏色:藍色

[型號顯示示例]

AC-FL (A尺寸) - (B尺寸) - (C尺寸) - (D尺寸)
F形フライト
  • 備註:1. 訂購葉片時,請提供型號(A、B、C、D 尺寸,單位為mm)以便報價。使用300系列不鏽鋼螺栓、螺帽、平墊圈、彈簧墊圈等,將鏈條的SF4附件、墊塊、葉片和壓板以及葉片和滑靴連接起來。
    (翼板體驗不包含鞋子或距離塊)
  • 2.最低訂貨量低於100m時,請與我們聯係。

■靴子

雙帽檐

  • 比重:1.14
  • 質量:260g
    (寬70mm用時)
  • 材質:樹脂
  • 外觀顏色:黑色

[型號顯示示例]

AC - FL-SH D 82
|
|
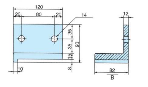
雙帽檐
|
A部尺寸
雙帽檐
  • ※也有翼板寬度60、50mm用的。其它尺寸與上述相同。

單檐

  • 比重:1.17
  • 質量:290g
  • 材質:聚氨酯
  • 外觀顏色:黑色

[型號顯示示例]

AC - FL-SH S 82
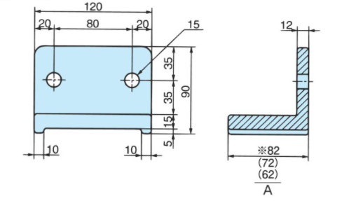
|
|
單檐
|
B部尺寸
單檐
  • 註)本尺寸以外的樹脂制鞋也可制作,敬請咨詢。

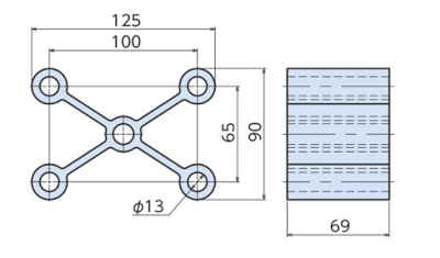
■距離塊

  • 比重:1.4
  • 質量:240g
  • 材質:樹脂
  • 外觀顏色:黑色

[型號顯示示例]

AC - FL-DIS
|
距離塊
ディスタンスブロック
  • 註)標註尺寸為公稱尺寸,可能與實際尺寸有所不同。