電動升降機(Lift Master)梯形梯形螺桿型

- 採用梯形螺桿懸臂式電動升降機
- ・自鎖
梯形螺桿在數學上具有自鎖特性,可以承受一定的負荷。
馬達需要煞車機構,因為振動和衝擊會導致自鎖機構失效。
我們的標準產品採用煞車馬達。 - 經濟
它比滾珠絲桿螺桿式更經濟。利用滑動接觸梯形螺桿的優勢,它適用於低速、低頻應用。
特性和結構影片內容
採用的好處
規格(梯形螺桿型)
- ·升降負荷:4.90kN~9.80kN
- ·行程:400mm/1,500mm
- ·驅動部:帶三相電機
- ·速度:0.6~0.9m/min
容許OHL負荷曲線 (工件安裝面基準:參照外形圖)
產品目錄、使用說明書
有關Zip Chain機構和螺絲式鎖扣機構的比較,請參閱此處。
型號顯示
| LME | M | 0500 | S | 10 | G | E |
| | | 電動升降機(Lift Master) |
| 螺絲式 M:梯形螺桿 |
| 升降荷重 0500:4.90kN{500kgf} 1000:9.80kN{1000kgf} |
| 速度 S 各機種的速度請參照 產品型號一覽表 。 |
| 行程 04:400mm 06:600mm 08:800mm 10:1000mm 12:1200mm 15:1500mm |
| 驅動部 G:附三相電機 |
| 可選 詳情請參照以下內容 |
產品型號導航
使用的螺絲類型。
升降荷載
在規定的重心位置可升降的負荷。
速度
表示升降速度的記號。
各機型的速度值請參照詳細信息。
行程
是可以升降的距離。
驅動部
G:附帶三相電機。
K:附帶伺服電機。
選項符號
J:開口部分安裝防塵罩的規格。
L1至L3:添加1至3個位置檢測感測器。
V:電源電壓加倍。
E:電機後部安裝旋轉編碼器。
D1~D3:變更電機安裝方向。
D1:相對標準安裝位置90°轉動
D2:相對標準安裝位置180°轉動
D3:相對標準安裝位置270°轉動
產品型號列表
※單擊形狀編號以顯示詳細信息。
| 升降負荷 kN{kgf} |
行程 mm |
速度S 0.72m/min (50Hz) ・0.9m/min (60Hz) |
|---|---|---|
| 4.90 {500} | 400 | LMEM0500S04G |
| 600 | LMEM0500S06G | |
| 800 | LMEM0500S08G | |
| 1000 | LMEM0500S10G | |
| 1200 | LMEM0500S12G | |
| 1500 | LMEM0500S15G | |
| 9.80 {1000} | 400 | LMEM1000S04G |
| 600 | LMEM1000S06G | |
| 800 | LMEM1000S08G | |
| 1000 | LMEM1000S10G | |
| 1200 | LMEM1000S12G | |
| 1500 | LMEM1000S15G |
選項
前防塵罩 [選項符號:J]
- 波紋管可防止灰塵從正面進入電動升降機(Lift Master)。
對應行程:400mm~1,200mm
※希望以超過1,200mm的行程安裝防塵罩時,請與我們聯係。
※LME0200系列、LME0500系列中,僅當行程為800mm和1,200mm時,
安裝前防塵罩時的有效行程會變短。詳情請咨詢。
<安裝參考示例>
尺寸請咨詢。
單擊放大
位置檢測感測器追加 [選項符號:L1~L3]
·標準品備有4個 (僅S速為2個) 位置檢測感測器,
僅S速最多3個,其他速度可選擇追加1個感測器。
·選項符號為 [L1] (增加1個感測器)、[L2] (增加2個感測器) 和 [L3] (增加3個感測器) 。
若希望追加更多感測器,請與我們聯係。
對應型號L1:全標準型號
L2、L3:僅LMEB0200S、LMEM0500S、LMEM1000S
電機電壓400V級 [選項符號:V]
·將驅動用電機的電壓變更為400V級。
對應型號:所有標準型號產品
帶旋轉編碼器 [選項符號:E]
·在帶三相電機的電機反負荷側軸端安裝旋轉編碼器,可輸出電機的旋轉信號。
對應型號:附帶三相電機的標準型號產品
特性
・可控性
可以從減速機中提取出開集電極輸出訊號,從而實現各種操作。
·袖珍的
馬達軸和旋轉編碼器之間無需透過聯軸器連接。
・降低成本
與傳統的獨立安裝方式相比,無需聯軸器、底板或調平工作。
旋轉編碼器規格
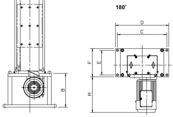
變更電機安裝方向 [選項符號:D1~D3]
- 馬達安裝方向可依設備的安裝位置、工件的安裝位置、搬運物的轉移方向等因素而改變。
※根據電機的安裝方向和行程,總高尺寸可能會變更。
※以下附圖、尺寸表記載的是附帶三相電機的規格。還可選配附帶伺服電機的產品,敬請咨詢。
對應型號:所有標準型號產品
D1:變更電機安裝方向90°轉動
D2:變更電機安裝方向180°轉動
D3:變更電機安裝方向270°轉動
| 形式 | 電機容量 kW |
電機安裝方向標準 | D1:90°轉動 | ||||||||||
|---|---|---|---|---|---|---|---|---|---|---|---|---|---|
| B | C | D | E | F | M | B | C | D | E | F | M | ||
| 0200S | 0.1 | - | 250 | 280 | 170 | 200 | 141 | - | 250 | 280 | 170 | 200 | 154 |
| 0200H | 0.4 | 245 | 340 | 370 | 193 | 245 | 340 | 370 | 190 | 220 | 160 | ||
| 0500S | 0.4 | ||||||||||||
| 0500H | 0.75 | 270 | 270 | 210 | 240 | 237 | |||||||
| 0500U | 1.5 | 273 | 400 | 430 | 200 | 230 | 369 | 318 | 400 | 430 | 255 | 285 | 283 |
| 1000S | 0.75 | 250 | 273 | 240 | 270 | 217 | |||||||
| 1000H | 1.5 | 368.5 | 318 | 255 | 285 | 293 | |||||||
| 1000U | 2.2 | 407 | 343 | ||||||||||
| 形式 | 電機容量 kW |
電機安裝方向標準 | D2:180°轉動 | ||||||||||
|---|---|---|---|---|---|---|---|---|---|---|---|---|---|
| B | C | D | E | F | M | B | C | D | E | F | M | ||
| 0200S | 0.1 | - | 250 | 280 | 170 | 200 | 141 | - | 250 | 280 | 170 | 200 | 172 |
| 0200H | 0.4 | 245 | 340 | 370 | 193 | 245 | 340 | 370 | 223 | ||||
| 0500S | 0.4 | ||||||||||||
| 0500H | 0.75 | 270 | 265 | 300 | |||||||||
| 0500U | 1.5 | 273 | 400 | 430 | 200 | 230 | 369 | 273 | 400 | 430 | 200 | 230 | 366 |
| 1000S | 0.75 | 250 | 290 | ||||||||||
| 1000H | 1.5 | 368.5 | 366 | ||||||||||
| 1000U | 2.2 | 407 | 416 | ||||||||||
| 形式 | 電機容量 kW |
電機安裝方向標準 | D3:270°轉動 | ||||||||||
|---|---|---|---|---|---|---|---|---|---|---|---|---|---|
| B | C | D | E | F | M | B | C | D | E | F | M | ||
| 0200S | 0.1 | - | 250 | 280 | 170 | 200 | 141 | - | 250 | 280 | 170 | 200 | 80 |
| 0200H | 0.4 | 245 | 340 | 370 | 193 | 245 | 340 | 370 | 190 | 220 | 86 | ||
| 0500S | 0.4 | ||||||||||||
| 0500H | 0.75 | 270 | 270 | 210 | 240 | 163 | |||||||
| 0500U | 1.5 | 273 | 400 | 430 | 200 | 230 | 369 | 318 | 400 | 430 | 255 | 285 | 209 |
| 1000S | 0.75 | 250 | 273 | 240 | 270 | 123 | |||||||
| 1000H | 1.5 | 368.5 | 318 | 255 | 285 | 199 | |||||||
| 1000U | 2.2 | 407 | 249 | ||||||||||
選定
我們的工作人員將根據您的要求和需求選擇合適的升降機。
請點選本頁面頂部的「選定計算」標籤。
特殊規格產品
牆壁安裝規格

如果電動升降機(Lift Master)不能安裝在地板上,也可以安裝在牆上,有效利用設備框架的堅固側面來節省空間。
防跌落規格

可以在電動升降機(Lift Master)上安裝手動防墜落銷,以防止其墜落。
轉軸規格

工件安裝部設有手動式旋轉機構。
低地板規格

即使由於空間限制您無法安裝電動升降機(Lift Master),我們也可以透過降低高度規格來滿足您的需求。
高速規格

這是最高速度可達 500 mm/s的高速規格。請提供伺服馬達。詳情請與我們聯絡。 *最高速度可達 300 mm/s的高速規格可透過變頻器控制通用馬達運轉。
防塵防水規格

電動升降機(Lift Master)具有防塵防滴漏功能,也可用於存在切削油和冷卻液的環境。 *不適用於戶外使用。
水平傳送機構

我們也可以生產用於水平運輸的電動升降機(Lift Master)。
高剛性規格

升降時的搖晃、停止時的彎曲等成為問題時,可以通過強化支柱本體的規格應對。
線軸同步類型

電動升降機(Lift Master)可與椿本的ECHT-FLEX聯軸器和MD齒輪箱連接,實現同步運作。我們提供一套符合您運作條件的系統,包括齒輪減速電機。








