技術資料時規皮帶與時規皮帶輪設計數據
選配設計(鎖緊式皮帶輪S型,S型鍍層規格)
確認最大傳遞扭矩
請依照以下步驟選擇S型鎖緊式皮帶輪。
最大扭力和推力負載是透過將傳動能力乘以使用係數來計算得出的。
最大發生扭矩T max
SI單位制
Tmax (N・m) = 9550 × KW × SF n
重力單位
Tmax (kgf・m) = 974 × KW × SF n
最大發生止推負荷P max
Pmax (N{kgf}) = Pax × SF
- KW:傳輸容量kW
- SF:使用係數(請從下表中選擇)
- n:轉速(r/min
- Pax:最大推力載荷N{kgf}
同時承受扭矩和推力負荷時,按下式計算合成負荷MR max。
MR max = (T max) 2 +(P max × d /2000) 2 N·m{kgf·m} d:軸徑 (mm)
將上述求出的T max或MR max與套筒的傳遞扭矩Mt進行比較。
Mt ≥ T max或MR max可用。
如果Mt < T max或MR max,則不能使用。
使用係數SF
| 負載狀態 | 使用係數SF | |
|---|---|---|
| 無衝擊平穩傳動 | 負荷慣性小 慣性比1.0以下 |
1.2~1.5 |
| 輕衝擊傳動 | 負荷慣性中 慣性比1.0~3.0 |
1.5~2.0 |
| 大衝擊負荷 或正反轉 |
負荷慣性大 慣性比3.0以上 |
2.0~5.0 |
考慮軸
軸請使用滿足下式的材質。
δ0.2S ≧ 1.2 × P
δ 0.2S:使用軸材料的屈服點 (MPa) P:軸側壓力 (Mpa)
使用空心軸時,必須使用滿足下式的內徑尺寸d B的軸。
dB ≦ d × δ0.2S - 2 × P δ0.2S
d:軸徑 (mm) δ 0.2S:使用軸材料的屈服點 (MPa)
關於鋁制
在低溫 (0°以下)、高溫 (50°以上) 下使用時,因熱膨脹導衹尺寸變化,可能會發生皮帶與皮帶輪嚙合錯位,導衹皮帶早期磨損等,因此請與本公司商談。
| [參考] 熱膨脹係數 | 比重 (g/cm 3) |
| 鋁:23.9 x 10-6 | 2.8 |
| 碳素鋼:11.7×10-6 | 7.8 |
近似質量
對於標準安裝,估計質量為標準皮帶輪的質量加上工作台上的附加質量。
對於平面安裝,近似質量為標準皮帶輪質量減去表格中的減去質量。
| 套筒編號 | 安裝方法 | |
|---|---|---|
| 標準安裝 | 平裝 | |
| 加成質量kg | 減重kg | |
| S1 | 0.1 | 0.1 |
| S2 | 0.1 | 0.1 |
| S3 | 0.1 | 0.2 |
| S4 | 0.2 | 0.3 |
| S5 | 0.3 | 0.4 |
| S6 | 0.5 | 0.6 |
| S7 | 0.9 | 1.0 |
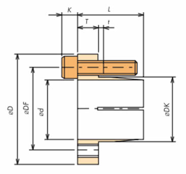
套筒規格(鎖緊式皮帶輪S 型)
*喀嚓一聲即可開啟和關閉。
S款套筒規格
| 套筒 | 材質 | 機械結構碳鋼 |
|---|---|---|
| 熱處理 | 淬火退火 | |
| 緊固螺栓 | 內六角螺栓 (JIS B 1176) 強度等級:12.9 |
|
| 材質 | 結構合金鋼 | |
| 熱處理 | 淬火退火 | |
| 表面處理 | 黑色氧化膜處理 | |
套筒尺寸
| 袖子 邊框編號 |
軸孔直徑 d |
套筒 外徑 ΦD |
安裝孔 節距圓 直徑 ΦDF |
錐形 外徑 ΦDK |
袖子 全長 L |
法蘭 厚度 T |
直筒部分 長度 t |
螺栓頭 高度 k |
緊固 螺栓 尺寸 |
螺孔 | 擰緊扭矩 N・m{kgf・m} |
|---|---|---|---|---|---|---|---|---|---|---|---|
| S1 | 10 | 32 | 24 | 18.6 | 18 | 6 | 2 | 4 | M4×16 | M4 | 4.2 {0.43} |
| 11 | |||||||||||
| 12 | |||||||||||
| 14 | |||||||||||
| 15 | |||||||||||
| 16 | |||||||||||
| S2 | 15 | 42 | 32 | 25.2 | 22 | 7 | 2 | 5 | M5×18 | M5 | 8.3 {0.85} |
| 16 | |||||||||||
| 17 | |||||||||||
| 18 | |||||||||||
| 19 | |||||||||||
| 20 | |||||||||||
| 22 | |||||||||||
| S3 | 24 | 48.5 | 38.5 | 31.2 | 23.5 | 8 | 2.5 | 5 | M5×20 | M5 | 8.3 {0.85} |
| 25 | |||||||||||
| 28 | |||||||||||
| S4 | 24 | 56 | 46 | 38.6 | 26 | 8 | 2.5 | 5 | M5×20 | M5 | 8.3 {0.85} |
| 25 | |||||||||||
| 28 | |||||||||||
| 30 | |||||||||||
| 32 | |||||||||||
| 35 | |||||||||||
| S5 | 35 | 66 | 56 | 48.8 | 29 | 10 | 2.5 | 5 | M5×22 | M5 | 8.3 {0.85} |
| 38 | |||||||||||
| 40 | |||||||||||
| 42 | |||||||||||
| 45 | |||||||||||
| S6 | 48 | 80 | 68 | 60 | 36 | 12 | 3 | 6 | M6×25 | M6 | 16.8 {1.71} |
| 50 | |||||||||||
| 55 | |||||||||||
| S7 | 60 | 101 | 86 | 75.5 | 40 | 13 | 3.5 | 8 | M8×30 | M8 | 40.5 {4.13} |
| 65 | |||||||||||
| 70 |
使用緊固螺栓的位置
·緊固螺栓的使用位置○空孔◎螺紋孔 (取下套筒用螺紋孔)
| 袖子 邊框編號 |
緊固螺栓的使用位置 | 袖子 邊框編號 |
緊固螺栓的使用位置 |
|---|---|---|---|
| S1 | ![]() |
S5 | ![]() |
| S2 | ![]() |
S6 | ![]() |
| S3 | ![]() |
S7 | ![]() |
| S4 | ![]() |
套筒規格(鎖緊式皮帶輪S 型)
*喀嚓一聲即可開啟和關閉。
套筒性能
| 袖子 邊框編號 |
螺栓 數量 |
軸孔直徑 d mm |
螺栓 尺寸 |
螺栓擰緊扭矩 M A N・m{kgf・m} |
傳遞扭矩 Mt N・m{kgf・m} |
推力負荷 Pax kN{kgf} |
軸側壓力 P MPa{kgf/mm 2} |
輪轂側壓 P' 兆帕(MPa){kgf/ mm2} |
最小輪轂直徑mm | |||
|---|---|---|---|---|---|---|---|---|---|---|---|---|
| 材質 | ||||||||||||
| SS400 | S35C | S45C | A7075-T6 | |||||||||
| S1 | 3 | 10 | M4×16 | 4.2 {0.43} | 43 {4.4} | 8.6 {882} | 196 {20.0} | 111 {11.3} | 35 | 30 | 29 | 29 |
| 11 | 48 {4.8} | 8.6 {882} | 179 {18.2} | 111 {11.3} | 35 | 30 | 29 | 29 | ||||
| 12 | 52 {5.3} | 8.6 {882} | 164 {16.7} | 111 {11.3} | 35 | 30 | 29 | 29 | ||||
| 14 | 60 {6.2} | 8.6 {882} | 140 {14.3} | 111 {11.3} | 35 | 30 | 29 | 29 | ||||
| 15 | 65 {6.6} | 8.6 {882} | 131 {13.4} | 111 {11.3} | 35 | 30 | 29 | 29 | ||||
| 16 | 69 {7.1} | 8.6 {882} | 123 {12.5} | 111 {11.3} | 35 | 30 | 29 | 29 | ||||
| 4 | 10 | 58 {5.9} | 11.5 {1176} | 262 {26.7} | 148 {15.1} | 44 | 34 | 32 | 33 | |||
| 11 | 63 {6.5} | 11.5 {1176} | 238 {24.3} | 148 {15.1} | 44 | 34 | 32 | 33 | ||||
| 12 | 69 {7.1} | 11.5 {1176} | 218 {22.3} | 148 {15.1} | 44 | 34 | 32 | 33 | ||||
| 14 | 81 {8.2} | 11.5 {1176} | 187 {19.1} | 148 {15.1} | 44 | 34 | 32 | 33 | ||||
| 15 | 86 {8.8} | 11.5 {1176} | 175 {17.8} | 148 {15.1} | 44 | 34 | 32 | 33 | ||||
| 16 | 92 {9.4} | 11.5 {1176} | 164 {16.7} | 148 {15.1} | 44 | 34 | 32 | 33 | ||||
| 6 | 14 | 121 {12.3} | 17.3 {1764} | 281 {28.6} | 222 {22.6} | 不可使用 | 49 | 42 | 44 | |||
| 15 | 130 {13.2} | 17.3 {1764} | 262 {26.7} | 222 {22.6} | 不可使用 | 49 | 42 | 44 | ||||
| 16 | 138 {14.1} | 17.3 {1764} | 245 {25.0} | 222 {22.6} | 不可使用 | 49 | 42 | 44 | ||||
| S2 | 3 | 15 | M5×18 | 8.3 {0.85} | 105 {10.7} | 13.9 {1423} | 163 {16.6} | 101 {10.3} | 45 | 39 | 38 | 38 |
| 16 | 112 {11.4} | 13.9 {1423} | 152 {15.5} | 101 {10.3} | 45 | 39 | 38 | 38 | ||||
| 17 | 119 {12.1} | 13.9 {1423} | 143 {14.6} | 101 {10.3} | 45 | 39 | 38 | 38 | ||||
| 18 | 126 {12.8} | 13.9 {1423} | 135 {13.8} | 101 {10.3} | 45 | 39 | 38 | 38 | ||||
| 19 | 133 {13.5} | 13.9 {1423} | 128 {13.1} | 101 {10.3} | 45 | 39 | 38 | 38 | ||||
| 20 | 139 {14.2} | 13.9 {1423} | 122 {12.4} | 101 {10.3} | 45 | 39 | 38 | 38 | ||||
| 22 | 153 {15.7} | 13.9 {1423} | 111 {11.3} | 101 {10.3} | 45 | 39 | 38 | 38 | ||||
| 4 | 15 | 139 {14.2} | 18.6 {1898} | 217 {22.1} | 135 {13.8} | 54 | 44 | 41 | 42 | |||
| 16 | 149 {15.2} | 18.6 {1898} | 203 {20.7} | 135 {13.8} | 54 | 44 | 41 | 42 | ||||
| 17 | 158 {16.1} | 18.6 {1898} | 191 {19.5} | 135 {13.8} | 54 | 44 | 41 | 42 | ||||
| 18 | 167 {17.1} | 18.6 {1898} | 181 {18.4} | 135 {13.8} | 54 | 44 | 41 | 42 | ||||
| 19 | 177 {18.0} | 18.6 {1898} | 171 {17.5} | 135 {13.8} | 54 | 44 | 41 | 42 | ||||
| 20 | 186 {19.0} | 18.6 {1898} | 163 {16.6} | 135 {13.8} | 54 | 44 | 41 | 42 | ||||
| 22 | 205 {20.9} | 18.6 {1898} | 148 {15.1} | 135 {13.8} | 54 | 44 | 41 | 42 | ||||
| 6 | 17 | 237 {24.2} | 27.9 {2846} | 287 {29.3} | 203 {20.7} | 124 | 59 | 52 | 54 | |||
| 18 | 251 {25.6} | 27.9 {2846} | 271 {27.6} | 203 {20.7} | 124 | 59 | 52 | 54 | ||||
| 19 | 265 {27.0} | 27.9 {2846} | 257 {26.2} | 203 {20.7} | 124 | 59 | 52 | 54 | ||||
| 20 | 279 {28.5} | 27.9 {2846} | 244 {24.9} | 203 {20.7} | 124 | 59 | 52 | 54 | ||||
| 22 | 307 {31.3} | 27.9 {2846} | 222 {22.6} | 203 {20.7} | 124 | 59 | 52 | 54 | ||||
| S3 | 3 | 24 | M5×20 | 8.3 {0.85} | 167 {17.1} | 13.9 {1423} | 102 {10.4} | 81 {8.3} | 49 | 44 | 43 | 44 |
| 25 | 174 {17.8} | 13.9 {1423} | 98 {10.0} | 81 {8.3} | 49 | 44 | 43 | 44 | ||||
| 28 | 195 {19.9} | 13.9 {1423} | 87 {8.9} | 81 {8.3} | 49 | 44 | 43 | 44 | ||||
| 4 | 24 | 223 {22.8} | 18.6 {1898} | 135 {13.8} | 108 {11.0} | 56 | 49 | 47 | 47 | |||
| 25 | 232 {23.7} | 18.6 {1898} | 130 {13.3} | 108 {11.0} | 56 | 49 | 47 | 47 | ||||
| 28 | 260 {26.6} | 18.6 {1898} | 116 {11.8} | 108 {11.0} | 56 | 49 | 47 | 47 | ||||
| 6 | 24 | 335 {34.2} | 27.9 {2846} | 203 {20.7} | 162 {16.6} | 82 | 59 | 55 | 57 | |||
| 25 | 349 {35.6} | 27.9 {2846} | 195 {19.9} | 162 {16.6} | 82 | 59 | 55 | 57 | ||||
| 28 | 391 {39.9} | 27.9 {2846} | 174 {17.8} | 162 {16.6} | 82 | 59 | 55 | 57 | ||||
| S4 | 3 | 24 | M5×20 | 8.3 {0.85} | 167 {17.1} | 13.9 {1423} | 85 {8.7} | 55 {5.6} | 53 | 50 | 49 | 49 |
| 25 | 174 {17.8} | 13.9 {1423} | 82 {8.3} | 55 {5.6} | 53 | 50 | 49 | 49 | ||||
| 28 | 195 {19.9} | 13.9 {1423} | 73 {7.5} | 55 {5.6} | 53 | 50 | 49 | 49 | ||||
| 30 | 209 {21.3} | 13.9 {1423} | 68 {7.0} | 55 {5.6} | 53 | 50 | 49 | 49 | ||||
| 32 | 223 {22.8} | 13.9 {1423} | 64 {6.5} | 55 {5.6} | 53 | 50 | 49 | 49 | ||||
| 35 | 244 {24.9} | 13.9 {1423} | 58 {6.0} | 55 {5.6} | 53 | 50 | 49 | 49 | ||||
| 4 | 24 | 223 {22.8} | 18.6 {1898} | 114 {11.6} | 73 {7.5} | 58 | 53 | 51 | 52 | |||
| 25 | 232 {23.7} | 18.6 {1898} | 109 {11.1} | 73 {7.5} | 58 | 53 | 51 | 52 | ||||
| 28 | 260 {26.6} | 18.6 {1898} | 97 {9.9} | 73 {7.5} | 58 | 53 | 51 | 52 | ||||
| 30 | 279 {28.5} | 18.6 {1898} | 91 {9.3} | 73 {7.5} | 58 | 53 | 51 | 52 | ||||
| 32 | 298 {30.4} | 18.6 {1898} | 85 {8.7} | 73 {7.5} | 58 | 53 | 51 | 52 | ||||
| 35 | 325 {33.2} | 18.6 {1898} | 78 {7.9} | 73 {7.5} | 58 | 53 | 51 | 52 | ||||
| 6 | 24 | 335 {34.2} | 27.9 {2846} | 170 {17.4} | 110 {11.2} | 69 | 59 | 57 | 58 | |||
| 25 | 349 {35.6} | 27.9 {2846} | 164 {16.7} | 110 {11.2} | 69 | 59 | 57 | 58 | ||||
| 28 | 391 {39.9} | 27.9 {2846} | 146 {14.9} | 110 {11.2} | 69 | 59 | 57 | 58 | ||||
| 30 | 418 {42.7} | 27.9 {2846} | 136 {13.9} | 110 {11.2} | 69 | 59 | 57 | 58 | ||||
| 32 | 446 {45.5} | 27.9 {2846} | 128 {13.0} | 110 {11.2} | 69 | 59 | 57 | 58 | ||||
| 35 | 488 {49.8} | 27.9 {2846} | 117 {11.9} | 110 {11.2} | 69 | 59 | 57 | 58 | ||||
| 8 | 24 | 446 {45.5} | 37.2 {3795} | 227 {23.2} | 146 {14.9} | 88 | 68 | 64 | 65 | |||
| 25 | 465 {47.4} | 37.2 {3795} | 218 {22.3} | 146 {14.9} | 88 | 68 | 64 | 65 | ||||
| 28 | 521 {53.1} | 37.2 {3795} | 195 {19.9} | 146 {14.9} | 88 | 68 | 64 | 65 | ||||
| 30 | 558 {56.9} | 37.2 {3795} | 182 {18.5} | 146 {14.9} | 88 | 68 | 64 | 65 | ||||
| 32 | 595 {60.7} | 37.2 {3795} | 170 {17.4} | 146 {14.9} | 88 | 68 | 64 | 65 | ||||
| 35 | 651 {66.4} | 37.2 {3795} | 156 {15.9} | 146 {14.9} | 88 | 68 | 64 | 65 | ||||
| S5 | 5 | 35 | M5×22 | 8.3 {0.85} | 407 {41.5} | 23.2 {2372} | 91 {9.3} | 68 {6.9} | 70 | 64 | 63 | 63 |
| 38 | 442 {45.1} | 23.2 {2372} | 84 {8.6} | 68 {6.9} | 70 | 64 | 63 | 63 | ||||
| 40 | 465 {47.4} | 23.2 {2372} | 80 {8.2} | 68 {6.9} | 70 | 64 | 63 | 63 | ||||
| 42 | 488 {49.8} | 23.2 {2372} | 76 {7.8} | 68 {6.9} | 70 | 64 | 63 | 63 | ||||
| 45 | 523 {53.4} | 23.2 {2372} | 71 {7.3} | 68 {6.9} | 70 | 64 | 63 | 63 | ||||
| 8 | 35 | 651 {66.4} | 37.2 {3795} | 146 {14.9} | 108 {11.0} | 86 | 74 | 71 | 72 | |||
| 38 | 707 {72.1} | 37.2 {3795} | 135 {13.8} | 108 {11.0} | 86 | 74 | 71 | 72 | ||||
| 40 | 744 {75.9} | 37.2 {3795} | 128 {13.1} | 108 {11.0} | 86 | 74 | 71 | 72 | ||||
| 42 | 781 {79.7} | 37.2 {3795} | 122 {12.4} | 108 {11.0} | 86 | 74 | 71 | 72 | ||||
| 45 | 837 {85.4} | 37.2 {3795} | 114 {11.6} | 108 {11.0} | 86 | 74 | 71 | 72 | ||||
| 10 | 35 | 814 {83.0} | 46.5 {4744} | 183 {18.7} | 135 {13.8} | 102 | 81 | 77 | 78 | |||
| 38 | 883 {90.1} | 46.5 {4744} | 169 {17.2} | 135 {13.8} | 102 | 81 | 77 | 78 | ||||
| 40 | 930 {94.9} | 46.5 {4744} | 160 {16.3} | 135 {13.8} | 102 | 81 | 77 | 78 | ||||
| 42 | 976 {99.6} | 46.5 {4744} | 152 {15.6} | 135 {13.8} | 102 | 81 | 77 | 78 | ||||
| 45 | 1046 {106.7} | 46.5 {4744} | 142 {14.5} | 135 {13.8} | 102 | 81 | 77 | 78 | ||||
| S6 | 6 | 48 | M6×25 | 16.8 {1.71} | 1116 {113.9} | 46.5 {4744} | 105 {10.7} | 87 {8.8} | 94 | 84 | 81 | 82 |
| 50 | 1162 {118.6} | 46.5 {4744} | 101 {10.3} | 87 {8.8} | 94 | 84 | 81 | 82 | ||||
| 55 | 1279 {130.5} | 46.5 {4744} | 91 {9.3} | 87 {8.8} | 94 | 84 | 81 | 82 | ||||
| 8 | 48 | 1488 {151.8} | 62.0 {6326} | 140 {14.3} | 115 {11.8} | 110 | 93 | 88 | 90 | |||
| 50 | 1550 {158.1} | 62.0 {6326} | 134 {13.7} | 115 {11.8} | 110 | 93 | 88 | 90 | ||||
| 55 | 1705 {174.0} | 62.0 {6326} | 122 {12.4} | 115 {11.8} | 110 | 93 | 88 | 90 | ||||
| 10 | 48 | 1860 {189.8} | 77.5 {7907} | 175 {17.8} | 144 {14.7} | 134 | 103 | 97 | 99 | |||
| 50 | 1937 {197.7} | 77.5 {7907} | 168 {17.1} | 144 {14.7} | 134 | 103 | 97 | 99 | ||||
| 55 | 2131 {217.4} | 77.5 {7907} | 152 {15.6} | 144 {14.7} | 134 | 103 | 97 | 99 | ||||
| 12 | 48 | 2232 {227.7} | 93.0 {9488} | 210 {21.4} | 173 {17.7} | 174 | 117 | 107 | 110 | |||
| 50 | 2325 {237.2} | 93.0 {9488} | 201 {20.5} | 173 {17.7} | 174 | 117 | 107 | 110 | ||||
| 55 | 2557 {260.9} | 93.0 {9488} | 183 {18.7} | 173 {17.7} | 174 | 117 | 107 | 110 | ||||
| S7 | 5 | 60 | M8×30 | 40.5 {4.13} | 2140 {218.4} | 71.3 {7280} | 115 {11.7} | 94 {9.6} | 124 | 109 | 105 | 107 |
| 65 | 2319 {236.6} | 71.3 {7280} | 106 {10.8} | 94 {9.6} | 124 | 109 | 105 | 107 | ||||
| 70 | 2497 {254.8} | 71.3 {7280} | 99 {10.1} | 94 {9.6} | 124 | 109 | 105 | 107 | ||||
| 8 | 60 | 3424 {349.4} | 114.1 {11648} | 184 {18.8} | 150 {15.3} | 177 | 134 | 125 | 128 | |||
| 65 | 3710 {378.6} | 114.1 {11648} | 170 {17.3} | 150 {15.3} | 177 | 134 | 125 | 128 | ||||
| 70 | 3995 {407.7} | 114.1 {11648} | 158 {16.1} | 150 {15.3} | 177 | 134 | 125 | 128 | ||||
| 10 | 60 | 4281 {436.8} | 142.7 {14560} | 230 {23.5} | 188 {19.2} | 270 | 159 | 143 | 149 | |||
| 65 | 4637 {473.2} | 142.7 {14560} | 212 {21.7} | 188 {19.2} | 270 | 159 | 143 | 149 | ||||
| 70 | 4994 {509.6} | 142.7 {14560} | 197 {20.1} | 188 {19.2} | 270 | 159 | 143 | 149 | ||||
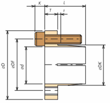
套筒規格(鎖緊式皮帶輪S 型鍍層)
*喀嚓一聲即可開啟和關閉。
S款電鍍規格套筒規格
| 套筒 | 材質 | 機械結構碳鋼 |
|---|---|---|
| 熱處理 | 淬火退火 | |
| 表面處理 | 無電解鎳磷鍍 | |
| 緊固螺栓 | 內六角螺栓 (JIS B 1176) 強度等級:12.9 |
|
| 材質 | 結構合金鋼 | |
| 熱處理 | 淬火退火 | |
| 表面處理 | 特殊塗層 | |
套筒尺寸
| 袖子 邊框編號 |
軸孔直徑 d |
套筒 外徑 ΦD |
安裝孔 節距圓 直徑 ΦDF |
錐形 外徑 ΦDK |
袖子 全長 L |
法蘭 厚度 T |
直筒部分 長度 t |
螺栓頭 高度 k |
緊固 螺栓 尺寸 |
|---|---|---|---|---|---|---|---|---|---|
| S1 | 10 | 32 | 24 | 18.6 | 18 | 6 | 2 | 4 | M4×16 |
| 11 | |||||||||
| 12 | |||||||||
| 14 | |||||||||
| 15 | |||||||||
| 16 | |||||||||
| S2 | 17 | 42 | 32 | 25.2 | 22 | 7 | 2 | 5 | M5×20 |
| 18 | |||||||||
| 19 | |||||||||
| 20 | |||||||||
| 22 | |||||||||
| S3 | 24 | 48.5 | 38.5 | 31.2 | 23.5 | 8 | 2.5 | 5 | M5×20 |
| 25 | |||||||||
| 28 | |||||||||
| S4 | 30 | 56 | 46 | 38.6 | 26 | 8 | 2.5 | 5 | M5×20 |
| 32 | |||||||||
| 35 | |||||||||
| S5 | 38 | 66 | 56 | 48.8 | 29 | 10 | 2.5 | 5 | M5×25 |
| 40 | |||||||||
| 42 | |||||||||
| 45 | |||||||||
| S6 | 48 | 80 | 68 | 60 | 36 | 12 | 3 | 6 | M6×25 |
| 50 | |||||||||
| 55 | |||||||||
| S7 | 60 | 101 | 86 | 75.5 | 40 | 13 | 3.5 | 8 | M8×30 |
| 65 | |||||||||
| 70 |
使用緊固螺栓的位置
·緊固螺栓的使用位置○空孔◎螺紋孔 (取下套筒用螺紋孔)
| 袖子 邊框編號 |
緊固螺栓的使用位置 | 袖子 邊框編號 |
緊固螺栓的使用位置 |
|---|---|---|---|
| S1 S2 S3 |
![]() |
S5 S7 |
![]() |
| S4 | ![]() |
S6 | ![]() |
套筒規格(鎖緊式皮帶輪S 型鍍層)
*喀嚓一聲即可開啟和關閉。
套筒性能
| 袖子 邊框編號 |
螺栓 數量 |
軸孔直徑 d mm |
螺栓 尺寸 |
螺栓擰緊扭矩 M A N・m{kgf・m} |
傳遞扭矩 Mt N・m{kgf・m} |
推力負荷 Pax kN{kgf} |
軸側壓力 P MPa{kgf/mm 2} |
輪轂側壓 P' 兆帕(MPa){kgf/ mm2} |
最小輪轂直徑mm | |||
|---|---|---|---|---|---|---|---|---|---|---|---|---|
| 材質 | ||||||||||||
| SS400 | S35C | S45C | A7075-T6 | |||||||||
| S1 | 3 | 10 | M4×16 | 3.4 {0.35} | 43 {4.4} | 8.6 {882} | 196 {20.0} | 111 {11.3} | 35 | 30 | 29 | 29 |
| 11 | 48 {4.8} | 8.6 {882} | 179 {18.2} | 111 {11.3} | 35 | 30 | 29 | 29 | ||||
| 12 | 52 {5.3} | 8.6 {882} | 164 {16.7} | 111 {11.3} | 35 | 30 | 29 | 29 | ||||
| 14 | 60 {6.2} | 8.6 {882} | 140 {14.3} | 111 {11.3} | 35 | 30 | 29 | 29 | ||||
| 15 | 65 {6.6} | 8.6 {882} | 131 {13.4} | 111 {11.3} | 35 | 30 | 29 | 29 | ||||
| 16 | 69 {7.1} | 8.6 {882} | 123 {12.5} | 111 {11.3} | 35 | 30 | 29 | 29 | ||||
| 6 | 14 | 121 {12.3} | 17.3 {1764} | 281 {28.6} | 222 {22.6} | 不可使用 | 49 | 42 | 44 | |||
| 15 | 130 {13.2} | 17.3 {1764} | 262 {26.7} | 222 {22.6} | 不可使用 | 49 | 42 | 44 | ||||
| 16 | 138 {14.1} | 17.3 {1764} | 245 {25.0} | 222 {22.6} | 不可使用 | 49 | 42 | 44 | ||||
| S2 | 3 | 17 | M5×20 | 6.8 {0.69} | 119 {12.1} | 13.9 {1423} | 143 {14.6} | 101 {10.3} | 45 | 39 | 38 | 38 |
| 18 | 126 {12.8} | 13.9 {1423} | 135 {13.8} | 101 {10.3} | 45 | 39 | 38 | 38 | ||||
| 19 | 133 {13.5} | 13.9 {1423} | 128 {13.1} | 101 {10.3} | 45 | 39 | 38 | 38 | ||||
| 20 | 139 {14.2} | 13.9 {1423} | 122 {12.4} | 101 {10.3} | 45 | 39 | 38 | 38 | ||||
| 22 | 153 {15.7} | 13.9 {1423} | 111 {11.3} | 101 {10.3} | 45 | 39 | 38 | 38 | ||||
| 6 | 17 | 237 {24.2} | 27.9 {2846} | 287 {29.3} | 203 {20.7} | 124 | 59 | 52 | 54 | |||
| 18 | 251 {25.6} | 27.9 {2846} | 271 {27.6} | 203 {20.7} | 124 | 59 | 52 | 54 | ||||
| 19 | 265 {27.0} | 27.9 {2846} | 257 {26.2} | 203 {20.7} | 124 | 59 | 52 | 54 | ||||
| 20 | 279 {28.5} | 27.9 {2846} | 244 {24.9} | 203 {20.7} | 124 | 59 | 52 | 54 | ||||
| 22 | 307 {31.3} | 27.9 {2846} | 222 {22.6} | 203 {20.7} | 124 | 59 | 52 | 54 | ||||
| S3 | 3 | 24 | M5×20 | 6.8 {0.69} | 167 {17.1} | 13.9 {1423} | 102 {10.4} | 81 {8.3} | 49 | 44 | 43 | 44 |
| 25 | 174 {17.8} | 13.9 {1423} | 98 {10.0} | 81 {8.3} | 49 | 44 | 43 | 44 | ||||
| 28 | 195 {19.9} | 13.9 {1423} | 87 {8.9} | 81 {8.3} | 49 | 44 | 43 | 44 | ||||
| 6 | 24 | 335 {34.2} | 27.9 {2846} | 203 {20.7} | 162 {16.6} | 82 | 59 | 55 | 57 | |||
| 25 | 349 {35.6} | 27.9 {2846} | 195 {19.9} | 162 {16.6} | 82 | 59 | 55 | 57 | ||||
| 28 | 391 {39.9} | 27.9 {2846} | 174 {17.8} | 162 {16.6} | 82 | 59 | 55 | 57 | ||||
| S4 | 4 | 30 | M5×20 | 6.8 {0.69} | 279 {28.5} | 18.6 {1898} | 91 {9.3} | 73 {7.5} | 58 | 53 | 51 | 52 |
| 32 | 298 {30.4} | 18.6 {1898} | 85 {8.7} | 73 {7.5} | 58 | 53 | 51 | 52 | ||||
| 35 | 325 {33.2} | 18.6 {1898} | 78 {7.9} | 73 {7.5} | 58 | 53 | 51 | 52 | ||||
| 8 | 30 | 558 {56.9} | 37.2 {3795} | 182 {18.5} | 146 {14.9} | 88 | 68 | 64 | 65 | |||
| 32 | 595 {60.7} | 37.2 {3795} | 170 {17.4} | 146 {14.9} | 88 | 68 | 64 | 65 | ||||
| 35 | 651 {66.4} | 37.2 {3795} | 156 {15.9} | 146 {14.9} | 88 | 68 | 64 | 65 | ||||
| S5 | 5 | 38 | M5×25 | 6.8 {0.69} | 442 {45.1} | 23.2 {2372} | 84 {8.6} | 68 {6.9} | 70 | 64 | 63 | 63 |
| 40 | 465 {47.4} | 23.2 {2372} | 80 {8.2} | 68 {6.9} | 70 | 64 | 63 | 63 | ||||
| 42 | 488 {49.8} | 23.2 {2372} | 76 {7.8} | 68 {6.9} | 70 | 64 | 63 | 63 | ||||
| 45 | 523 {53.4} | 23.2 {2372} | 71 {7.3} | 68 {6.9} | 70 | 64 | 63 | 63 | ||||
| 10 | 38 | 883 {90.1} | 46.5 {4744} | 169 {17.2} | 135 {13.8} | 102 | 81 | 77 | 78 | |||
| 40 | 930 {94.9} | 46.5 {4744} | 160 {16.3} | 135 {13.8} | 102 | 81 | 77 | 78 | ||||
| 42 | 976 {99.6} | 46.5 {4744} | 152 {15.6} | 135 {13.8} | 102 | 81 | 77 | 78 | ||||
| 45 | 1046 {106.7} | 46.5 {4744} | 142 {14.5} | 135 {13.8} | 102 | 81 | 77 | 78 | ||||
| S6 | 6 | 48 | M6×25 | 13.6 {1.39} | 1116 {113.9} | 46.5 {4744} | 105 {10.7} | 87 {8.8} | 94 | 84 | 81 | 82 |
| 50 | 1162 {118.6} | 46.5 {4744} | 101 {10.3} | 87 {8.8} | 94 | 84 | 81 | 82 | ||||
| 55 | 1279 {130.5} | 46.5 {4744} | 91 {9.3} | 87 {8.8} | 94 | 84 | 81 | 82 | ||||
| 12 | 48 | 2232 {227.7} | 93.0 {9488} | 210 {21.4} | 173 {17.7} | 174 | 117 | 107 | 110 | |||
| 50 | 2325 {237.2} | 93.0 {9488} | 201 {20.5} | 173 {17.7} | 174 | 117 | 107 | 110 | ||||
| 55 | 2557 {260.9} | 93.0 {9488} | 183 {18.7} | 173 {17.7} | 174 | 117 | 107 | 110 | ||||
| S7 | 5 | 60 | M8×30 | 32.8 {3.35} | 2140 {218.4} | 71.3 {7280} | 115 {11.7} | 94 {9.6} | 124 | 109 | 105 | 107 |
| 65 | 2319 {236.6} | 71.3 {7280} | 106 {10.8} | 94 {9.6} | 124 | 109 | 105 | 107 | ||||
| 70 | 2497 {254.8} | 71.3 {7280} | 99 {10.1} | 94 {9.6} | 124 | 109 | 105 | 107 | ||||
| 10 | 60 | 4281 {436.8} | 142.7 {14560} | 230 {23.5} | 188 {19.2} | 270 | 159 | 143 | 149 | |||
| 65 | 4637 {473.2} | 142.7 {14560} | 212 {21.7} | 188 {19.2} | 270 | 159 | 143 | 149 | ||||
| 70 | 4994 {509.6} | 142.7 {14560} | 197 {20.1} | 188 {19.2} | 270 | 159 | 143 | 149 | ||||











