技術資料直線作動機電動缸馬達規格
連接 (T系列)
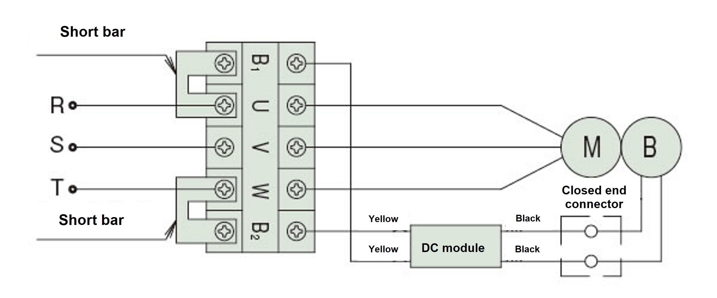
制動馬達的接線 (直流制動馬達)
0.1~0.4kW
煞車同時切斷(出貨時)
200V規格
400V規格
制動器AC分離
200V規格
400V規格
* 務必將引線端末與中間頭部絕緣。
※另外需要200V級的電源。
0.75~3.7kW
煞車同時切斷(出貨時)
200V規格
400V規格
制動器AC分離(※2.2kW、3.7kW也可切斷DC)
200V規格
400V規格
桿工作方向
在上圖中,桿的運動方向如右圖所示。
DC Module (轉換器)組裝好後裝在接線盒內出貨。
| 桿工作方向 |
LPTB250~LPTB4000 LPTC250~LPTC4000 |
|---|---|
| 桿推進 |
※壓接端子的螺栓:M4 [擰緊扭矩1.2N・m{0.12kgf・m}]
使用變頻器時的接線方法
- 1. 使用變頻器驅動馬達時,必須單獨關閉煞車。如前所述,移除短路元件,並將普通電源電壓(而非變頻器輸出電壓)施加到煞車DC Module (轉換器)。
- 2. 若馬達電壓等級為400V,且馬達功率為0.4kW或以下,請斷開馬達中心抽頭的接線並進行絕緣處理,然後為煞車DC Module (轉換器)單獨提供200V至220V的電源。如果沒有200V至220V的電源,請使用變壓器將電壓降至200V至220V。變壓器的容量應為90VA或以上,並確保無電壓降。
- 3. 對於 200V 等級電磁接觸器(用於煞車),請使用額定負載為 AC250V、7A 或以上的接觸器。
對於 400V 等級,請使用 400 至 440V 交流接點電壓和 1A 或以上的感性負載(例如,用於 2.2kW 交流馬達的電磁接觸器)。DC Module (轉換器)包含突波吸收保護元件。根據需要為每個觸點新增保護元件。 - 4.[直流 (DC) 別切] 制動器時,請與我們聯係。
※特殊規格的情況下,接線可能不同,請確認交付圖紙。
