Japan

ZH-TW

椿本產業機械產品 資訊網站

彰顯椿本威信的微型鏈-不鏽鋼規格Epsilon Chain

不鏽鋼規格Epsilon Chain

在極小空間內的動力傳遞不會睏擾嗎?

「不鏽鋼規格Epsilon Chain」實現了緊湊的尺寸和高性能。

「不鏽鋼規格Epsilon Chain」是一種透過精密零件製造和組裝技術,製成世界上最小尺寸的滾輪鏈。

您是否曾因可靠的動力傳遞、定位精度、緊湊的彎曲性等原因想採用滾子鏈,但因空間問題而擱置?

「不鏽鋼規格Epsilon Chain」可滿足以前無法使用鏈條進行動力傳輸的緊湊佈局需求。

當然,也可以縮小傳統鏈的大小,因此它有助於縮小應用程序的尺寸。

↑播放影片

Epsilon Chain不鏽鋼規格
三大優勢

1.世界最小尺寸

世界最小尺寸

單擊放大

世界上最小的滾子鏈,鏈節距為 1.905 mm

高度、寬度、質量與以往產品截然不同,實現了驚人的省空間傳動。

2.確保足夠的強度

確保足夠的強度

單擊放大

鏈條雖小,但抗拉強度為0.36kN。

毫不吝嗇地投入了椿本所擁有的核心技術,完成了雖小卻很強的高規格鏈子。

一般而言,小型鏈條是無滾輪的套筒鏈條,但我們選擇了一種帶有滾輪的結構。

為延長鏈輪等周邊部件的壽命做贡獻。

3.適應腐蝕環境

適應腐蝕環境

為了能在各種環境下長久使用,採用了不鏽鋼材質。

在清洗等有水的環境中也可以使用。

與小型傳動部件的比較

由於實現了世界最小尺寸,可以應對以往鏈條不適用的用途,並支持從皮帶、鋼絲繩進行替換。

鏈條的優勢

  • 可靠的動力傳動
    與摩擦傳動不同,由於是嚙合傳動,因此不會產生打滑。
  • 可用於推力應用
    由於剛性高,在正反向運動時也不易發生“撓曲”
  • 小巧彎曲
    不會像鋼絲繩或皮帶的芯線那樣,因彎曲而變形或斷線。

Epsilon
鏈條TM

Epsilon Chain

小節距
齒型

小間距帶齒皮帶

小直徑
鋼圈
繩索

小直徑鋼絲繩
緊湊
抗拉強度 -
定位
精度
X
擠出
用途
X X
安裝張力
設定
○(不需要) X (必需) -

「不鏽鋼規格Epsilon Chain」可非常緊湊地進行捲掛,適用於狹小且複雜的佈局空間。

用於承載齒形帶或鋼絲繩的皮帶輪需要法蘭以防止其脫落,這增加了節距圓直徑方向上所需的空間。

約7.6mm
緊湊

應用實例

通過縮小鏈的尺寸,實現各種應用程序的小型化和輕量化。

另外,通過減小背隙,可以期待操作精度的提高。

內窺鏡裝置的操作部

內窺鏡裝置的操作部

此外也廣泛應用於下述場景

末端效應器

末端效應器

農作物收獲機械人

農作物收獲機械人

輔助套裝

輔助套裝

假手

假手

規格

不鏽鋼規格Epsilon Chain

商品名稱

不鏽鋼規格Epsilon Chain

規格

尺寸圖
品名 間距
P
滾子直徑
R
內鏈節
內寬
W
鏈片
厚度
T
寬度
H
寬度
h
RS6-ESS-1 1.905 1.19 1.27 0.25 1.81 1.56
銷軸 最小拉伸強度
kN{kgf}
概略質量
kg/m
1個單位的
鏈節數
直徑D L1 L2
0.596 1.4 2.1 0.36
{37}
0.017 532

型號表示例

RS6 - ESS - 1 - RP + 151L - RR
尺寸 規格 列數 本體
銷軸
樣式
鏈節數 端末
記號

註)

  • 1. 本產品是一種非常小的鏈條,與常規尺寸的鏈條相比,其操作方式有許多不同之處。
    請注意,傳動鏈條及鏈輪產品目錄中的技術說明以及椿本産業用機械製品資訊網站上的技術資料中的部分技術資訊可能不適用於本產品。有關選型和操作方面的信息,請聯繫我們。
  • 2 鏈板上沒有任何刻印。
  • 3.銷軸未進行鉚接。
  • 沒有 4 點過渡鏈節。
  • 5不支持超過1個單位的長尺編制。
  • 6. 對於少於 40 個連接點的無限列車配置,請使用連結鏈節。
    如需了解各種列車配置方案,請與我們聯絡。
    對於奇數編號的鏈接,兩端的鏈接均為內鏈節。如果您需要與上述不同的配置,請與我們聯絡。

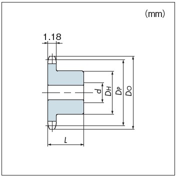
尺寸圖

系列

Epsilon Chain不鏽鋼規格
鏈輪

規格

尺寸圖
型號 齒數 節距圓
直徑
DP
外徑
Do
軸孔直徑
d
輪轂 固定螺孔
質量
g
直徑
D H
長度
L
RS6-1B9T-ESS-2 9 5.57 6.3 2 5.5 5 3-M1.6 0.6
RS6-1B15T-ESS-3 15 9.16 10.1 3 7.8 6.5 3-M2.5 1.8
RS6-1B21T-ESS-4 21 12.78 13.7 4 10 6 2-M3 3.2

註)

  • 1材質不銹鋼。
  • 2最小齒數是9T。關於記載以外的齒數、規格也會進行制作研究,請咨詢。
  • 3軸孔已完成加工,附帶固定螺絲。
  • 4也有提高耐磨損性的表面處理,請咨詢。

維修夾具

鏈條承載台

商品名稱

僅適用於Epsilon Chain
鏈條承載台

規格

鏈條承載台
型號 尺寸
L H B
RS6-CR 50 15 20
專用衝頭

商品名稱

專用於Epsilon Chain沖孔

規格

專用衝頭
型號 全長mm
RS-P10 77

點擊這裡查看如何切割和連接Epsilon Chain說明。