技術資料減速機蝸輪減速機馬達規格
制動器
1.制動特性
| 馬達輸出 | 三相 | 0.1kW | 0.2kW | 0.4kW | 0.75kW | 1.5kW | 2.2kW | 3.7kW | 5.5kW |
|---|---|---|---|---|---|---|---|---|---|
| 制動型號 | 三相200V | SLB01 | SLB02 | SLB04 | SLB07E | SLB15 | SLB22 | VNB371K NB-31190 | VNB55KE |
| 三相400V | SLB01 | SLB02 | SLB04V | SLB07E 180V | SLB15 180V | SLB22 180V | VNB371KV NB-31192 | VNB55KE | |
| DC Module (轉換器) 型號 |
三相200V | DM200D | DM200D | PM180B | |||||
| 三相400V | DM400D | ||||||||
| 額定轉矩 | 靜摩擦扭矩N·m | 0.98 | 1.96 | 3.92 | 7.35 | 15 | 22 | 37 | 55 |
| {kgf・m} | 0.1 | 0.2 | 0.40 | 0.75 | 1.50 | 2.20 | 3.77 | 5.61 | |
| 動摩擦扭矩N·m | 0.78 | 1.57 | 3.14 | 5.88 | 12.0 | 17.6 | 29.6 | 44 | |
| {kgf・m} | 0.08 | 0.16 | 0.32 | 0.60 | 1.20 | 1.79 | 3.02 | 4.48 | |
| 電壓 | 三相200V | DC90V | DC90V | 瞬時180V 常時50V |
|||||
| 三相400V | DC180V | ||||||||
| 電流 at20°C A |
三相200V | 0.178 | 0.178 | 0.232 | 0.273 | 0.289 | 0.289 | 0.261 | 0.253 |
| 三相400V | 0.142 | 0.145 | 0.145 | 0.135 | |||||
| 容量 | at 20 ℃ W | 16.0 | 16.0 | 20.9 | 24.6/25.5 | 26.0/26.1 | 26.0/26.1 | 26.1/26.1 | 12.6/40.7 |
| 初始間隙mm | 0.15 ~ 0.20 | 0.15 ~ 0.20 | 0.15 ~ 0.20 | 0.15 ~ 0.20 | 0.15 ~ 0.20 | 0.15 ~ 0.20 | 0.3 | 0.35 | |
| 臨界間隙mm | 0.5 | 0.5 | 0.5 | 0.5 | 0.5 | 0.5 | 1.2 | 1.2 | |
| 慣性矩kg·m 2 | 0.02×10-3 | 0.04×10-3 | 0.04×10-3 | 0.11×10-3 | 0.21×10-3 | 0.50×10-3 | 0.50×10-3 | 1.70×10-3 | |
| GD2 kgf ・m2 | 0.10×10-3 | 0.15×10-3 | 0.15×10-3 | 0.44×10-3 | 0.80×10-3 | 2.00×10-3 | 2.00×10-3 | 6.8×10-3 | |
| 總制動工作量J {kgf・m} |
1.31×108 | 1.85×108 | 1.85×108 | 3.66×108 | 3.73×108 | 3.73×108 | 13.5×108 | 24.7×108 | |
| 1.34×107 | 1.89×107 | 1.89×107 | 3.73×107 | 3.81×107 | 3.81×107 | 13.8×107 | 25.2×107 | ||
| 允許的啟動頻率 | 10次/分 | ||||||||
| 制動延遲時間 S (參考值) |
交流電同時切斷 | 0.18 ~ 0.25 | 0.15 ~ 0.21 | 0.14 ~ 0.17 | 0.20 ~ 0.24 | 0.30 ~ 0.45 | 0.30 ~ 0.45 | 0.50 ~ 0.70 (0.40 ~ 0.60) |
- |
| 交流電各別切斷 | 0.11 ~ 0.18 | 0.09 ~ 0.12 | 0.06 ~ 0.09 | 0.10 ~ 0.13 | 0.10 ~ 0.13 | 0.10 ~ 0.13 | 0.20 ~ 0.40 | - | |
| 交流電各別操作 | 0.11 ~ 0.18 | 0.09 ~ 0.12 | 0.06 ~ 0.09 | 0.10 ~ 0.13 | 0.10 ~ 0.13 | 0.10 ~ 0.13 | 0.20 ~ 0.40 | 0.03 ~ 0.05 | |
| 直流電各別切斷 | 0.05 ~ 0.07 | 0.04 ~ 0.06 | 0.03 ~ 0.05 | 0.04 ~ 0.06 | 0.01 ~ 0.06 | 0.01 ~ 0.06 | - (0.02 ~ 0.04) |
- | |
- 註1) 額定扭矩表示磨合後的靜摩擦扭矩、動摩擦扭矩。
- 註2)煞車延遲時間是一個參考值,可能會因煞車條件、使用條件、個人差異等而有所不同。如果您想縮短煞車延遲時間(用於起重設備等),我們建議直流電各別切斷。
- 註3) 電流、容量為200V時/400V時的值。
2. 整流器(DC Module (轉換器))
DC Module (轉換器)已內建並已連接至馬達引線。如果您希望使用直流電各別切斷電路,請在訂購時註明,或按照此接線圖進行連接。
如果您需要單獨的DC Module (轉換器)用於控制面板等,請在下單時註明。
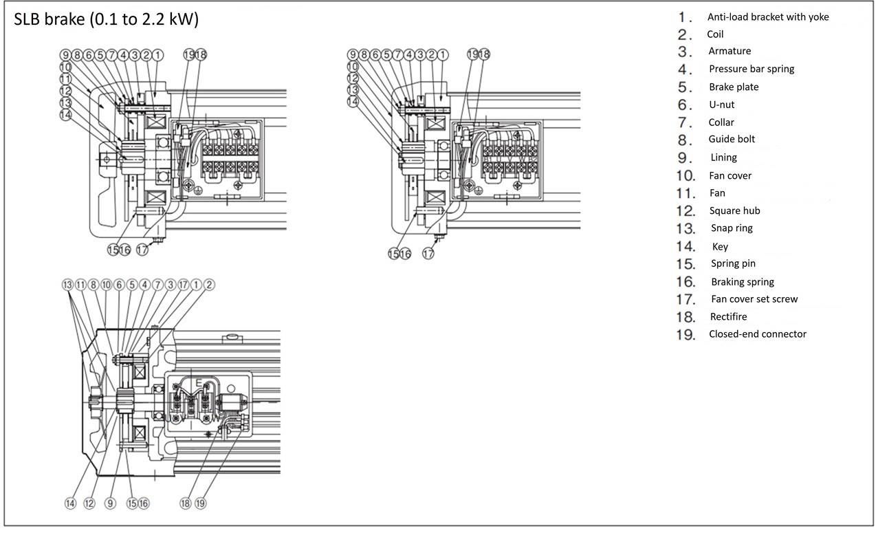
3.制動器結構
※手動釋放 [標準配置:0.1kW至2.2kW]
- ·請在輸出軸上沒有負荷的狀態下進行釋放操作。
- ·卸下風扇蓋並安裝螺釘。
- ·操作結束後,請務必卸下螺釘並安裝風扇蓋,然後再開始運行。

註)1.5kW和2.2kW是M6螺釘。
