技術資料減速機蝸輪減速機馬達規格
連線
1.旋轉方向
| 電動機容量 | 連接 | 旋轉方向 | 連接 | 旋轉方向 |
|---|---|---|---|---|
| 0.1kW ~ 5.5kW |
![]() |
![]() |
![]() |
![]() |
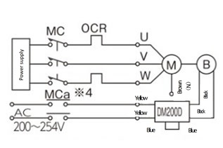
2.制動馬達的接線
- ・標準產品出廠時均配備交流電同時切斷。
- ·由於響應時間因接線而異,請參考下圖並根據用途進行選擇。
| 用途 | 三相200V | 三相400V | |||
|---|---|---|---|---|---|
| 0.1kW ~ 5.5kW | 0.1kW ~ 0.4kW | 0.75kW ~ 3.7kW | 5.5kW | ||
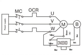
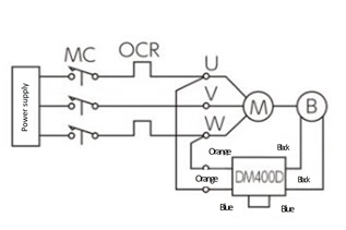
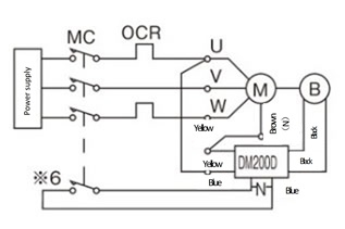
| 交流電同時切斷 |
|
只有5.5kW是PM180B。 |
![]() |
![]() |
- |
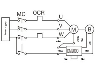
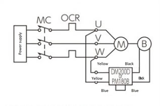
| 交流電各別切斷 |
|
只有5.5kW是PM180B。 |
![]() |
![]() |
- |
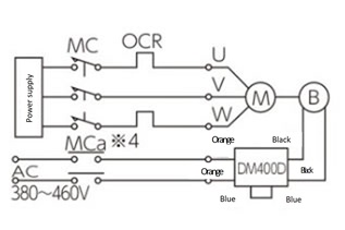
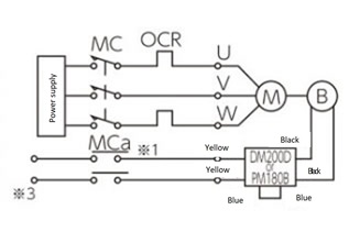
| 交流電各別操作 |
|
※3印部位制動器的供給電壓,0.1kW、0.2kW為AC200V~AC254V |
注意:務必將帶有封閉端連接器的棕色 (N) 電線與接線端子絕緣。 |
![]() |
![]() |
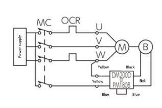
| 直流電各別切斷 |
|
PM180B不能直流切斷。 |
![]() |
![]() |
- |
- M:電機
- B:制動器
- MC:電磁接觸器
- MCa:補助繼電器
- OCR:過流繼電器DM200D、PM180B、DM400D
- -N-:保護元件 (壓敏電阻)
- 註1) 制動電壓為DC90V。(在DM200D和PM180B上輸入200V交流電)
- 註2)使用直流電各別切斷時,煞車電源模組可能會因線路長度、接線方式、繼電器類型等因素而損壞,因此需要在直流電各別切斷端子之間連接壓敏電阻。將其連接在靠近煞車電源模組(藍色引線)的位置效果更佳。特定壓敏電阻型號如下所示,但也可以使用等效型號的壓敏電阻。對於DM200D,請選擇470V的壓敏電阻。 (DM400D內建壓敏電阻,無需外接。)
商品名稱 制造商 型號 DM200D時 浪湧吸收器 Panasonic ERZV14D471 陶瓷壓敏電阻 Nippon Chemi-Con TND14V-471KB00AAA0 - 註 3) *1 中的補助繼電器(MCa) 必須具有 AC200V7A 或以上的接點容量(阻性負載)。
*2 若使用 MC 輔助接點或補助繼電器,觸點容量必須為 AC200V10A 或以上(阻性負載)。 - 註 4) 對於 *4 中的補助繼電器(MCa),請使用接點電壓為 AC 400 至 440V,感性負載為 1A 或以上的繼電器。
- 註 5) 對於 *5 的補助繼電器(MCa),使用兩到三個串聯單元,接點電壓為 AC400 至 440V,感性負載為 1A 或以上。












