技術資料頂板鏈條選擇

本頁介紹以下內容:。
(單擊每個項目可滾動到正文。)

塑膠模組鏈條(寬型)輸送機設計訊息

2-1.導軌放置

導軌的配置因安裝空間等而異,例如下圖所示。(高載荷佈局)

レールの配置

註)

  • 1. 將運行導軌和驅動鏈輪的框架端面倒角,以防止干涉。
  • 2.WT1907、WT3827、WT5707在Φ80以上。
  • 3.WT0705-W型,WT1515-W型,WT1516-W型,WT0705-M型,WT1515G-M型,BTC4-M型Φ20以上。

2-1-1.鏈松散量

請參考下表 5,表中列出了驅動鏈輪下方返回側鏈條所在回程滾輪之間的距離 L,並保持回程滾輪之間的鏈條鬆弛度在 50 至 100 mm之間。此鬆弛度可防止跳齒。如果鏈條鬆弛度超出此範圍,則可能發生跳齒。

表5.返回輥間隔L

單位:mm
鏈式 回車輥間隔L
張力負荷因數 (F1)
50%以下時 超過50%時
WT0405, WT0705 400 ~ 600
BT6, BT8 500 ~ 700 800 ~ 1000
WT2250, WT2515, WT2525, WT2525VG 600 ~ 900
WT1500, 2500, 3000, 3800 450 ~ 500
WT3109, BTH16 750 ~ 1000

對於WT1907、WT3827、WT3835和WT5707:

單位:mm
交貨條件 滾子間距L
適用於長度小於 12 m且搬運物為 75 kg/m2或以下的機長 600 ~ 900
適用於長度小於 20 m且搬運物為 100 kg/m2或以下的機長 750 ~ 900
當機長小於20m且搬運物量超過100kg/m2 1200 ~ 1500

註)

WT0705-W型、WT1515/6-W型、WT0705-M型、WT1515G-M型、BTC4-M型時

回車輥 建議鏈寬度 回車輥軸距
TP-RR20650 300mm以下 400mm
TP-RR30850 500mm以下 400 ~ 600mm
TP-RR41050 600mm以下

2-1-2.嚙合角度

驅動鏈輪與鏈條的“嚙合角度”應大於或等於180°註)。角度小的情況下,有跳牙的可能性。

註)底部驅動的“嚙合角度”大於200°。

2-1-3.運行導軌末端

鏈輪與運行導軌末端之間的距離 C 應為一個基本鏈節。

此外,應將驅動運行導軌的末端彎曲或倒角,以防止鏈條卡運行導軌。

2-1-4. 鏈輪與運行導軌位置

請參見下圖。

スプロケットと走行レールの位置

註)關於WT3109-W型和BTH16型,請向本公司咨詢。

表6.後彎半徑

鏈式 後彎半徑R
mm
WT0405-W 5
WT0705-W 10
BTN5, WT1505-K, WT1505RN-K, WT1505G-K,
WT1505GTO-K, WT1505GTORN-K,
WT1506-K, WT1515-W, WT1515G-W,
WT1515VG-W, WT1516-W, WT1515G-M,
BTC6, BTC6RN, BTC6-T, BTC6RN-T,
BTO6, BTO6RN, BTN6
15
WT1907-K 90
BTC8, BTM8H, WT2250-W, WT2525-K,
WT2515-W, WT2515G-W
25
WT2505-K, WT2506-K,
WT2706-K, WTU3015T-K
20
WT2525VG-K, WT2705-K, WT3005-K,
WT3005G-K, WT3086-K, WT3086G-K
30
WT3109-W 35
WT3816-K, WT3835-K 40
WT3827-K 50
BTH16 60
WT5707-K 70
固定寬 BTC4-M, WT0705-M 10
WT1505G-M, WT1505GTO-M,
WT1505TOD-M, WT1515G-M
15
BTO8-M, WT2505-M, WT2505G-M,
WT2505TOD-M, WTM2535G-M
20
BTC8H-M, BTM8H-M,
WT2515G-M, WT2525-M
25
WT2525VG-M, WT3005G-M,
WT3086G-M, WT3085-C325
30
WT3835G-M 40

註)翼板型的情況下,根據翼板編成・高度有所不同。

2-2.導向間隙

考慮到熱膨脹,鏈條與導軌之間的導向間隙應設定為以下尺寸。

輸送機導向寬度 (G) =鏈條寬度 (X) +導向間隙 (Gc)

表7.導向間隙Gc

單位:mm
鏈寬mm 溫度°C
-20 ~ 40 40 ~ 60 60 ~ 80
300以下 5.0 6.0 7.0
大於300到小於500 6.0 7.0 9.0
大於500到小於1000 8.0 11.0 15.0
大於1000到小於1500 11.0 15.0 21.0
大於1500到小於2000 14.0 20.0 28.0
大於2000到小於2500 17.0 24.0 34.0
大於2500到小於3000 19.0 27.0 40.0

註)聚甲醛鏈條的線膨脹係數:12×10-5 /°C

2-3.運行導軌安裝範例(室溫下)

2-3-1. 寬幅型(無防蛇附件)

運行導軌和鏈輪應交替佈置,且間隔相等。

運行軌道WT0400 系列的間距為 45 mm,WT0700 系列、WT1510 為 50 mm,WT1907 為 50.8 mm,BTN5 為 76 mm,BT6、BT8、WT1500 系列、WT3005、WT3835 和 WT2500 系列為 76.2 mm(25 mm 導軌寬度),WT3086、WT2515 和 WT2250 為 85 mm,WT3816 為 100 mm(30 mm 導軌寬度),WT3827 和 WT5707 為 152.4 mm。

幅広タイプ(蛇行防止アタッチメントなしの場合)

2-3-2. 寬幅型(附防蛇附件(阻力板))

(防蛇附件鏈條:BTN5-A、WT1505G-K、WT151 5G-W、WT1505GTO-K、WT1505GTORN-K、WT2515G-W、WT3005G-K、WT3086G-K、BTC8-A)

安裝防蛇形附件(卡榫),使其不干擾運行導軌。

幅広タイプ(蛇行防止アタッチメント(タブ)ありの場合)

表 8. 尺寸清單(寬幅型(附防蛇附件(標籤)))

鏈式 A
WT1505G-K 44
WT1505GTO-K, WT1505GTORN-K 47
BTN5-A 44
WT2515G-W 45
BTC8-A 44
WT3005G-K 44
WT3086G-K 44
WT1515G-W 31

2-3-3.寬幅型 (WT0405-W型時)

使用多列時,請確保鏈條側面互不接觸。下圖所示為一個範例。

幅広タイプ(WT0405-W形の場合)

2-3-4.寬幅型 (WTU3015T-K型時)

·線性佈局

運行導軌和鏈輪應交替佈置,且間隔相等。

1)運行導軌安裝範例

走行レールの取付例

3) 平交佈局 (包絡)

在直線段上轉移平行鏈條時,沿著上游鏈條防上浮附件(阻力板)的側面安裝導軌。

平行渡しのレイアウト(ラップ)

2) 驅動直線段佈局

在彎曲輸送機驅動側的直段外側安裝鏈條導軌。

駆動側直線部のレイアウト

2-3-5.寬幅型 (WT3109-W型/BTH16型用)

請參閱下面的示例。不是用螺栓將導軌完全固定在框架上,而是用墊片設置間隙,固定時避免因熱膨脹差而使樹脂導軌翹起。

幅広タイプ(WT3109-W形/BTH16形用)

2-3-6.固定寬型(附防蛇附件(卡扣))

下表列出了防蛇形附件(卡榫)的鏈條的導向間隙。使用多列時,鏈條之間應留出約 1 mm的間隙。

単列の場合/多列の場合

表 9. 尺寸列表
(固定寬型(附防蛇形附件(標籤)))

鏈式 A
WT1505G-M 44
WT1505GTO-M 47
WT1505TOD 53
WT1515G-M50 31
WT1515G-M100 61
WT2505G-M 45
WT2505TOD 45
WT2515G-M 45
WTM2535G-M 44
WT3005G-M 44
WT3086G-M 44
WT3835G-M 45
BTO8-M 44
BTC8H-M 44
BTM8H-M 44

2-3-7. 耐熱高速(KV)運行導軌安裝

  • ・我們建議使用不鏽鋼作為運行導軌材料。
  • - 固定運行導軌時,只需固定一端,並考慮熱膨脹。此外,確定運行導軌間隙時也應考慮熱膨脹。
  • ·為了吸收鏈條的熱膨脹,需要綁帶。調整卷曲時,請務必將卷曲調整到工作溫度。
    降低溫度時,請務必松開綁帶後再進行。
  • - 會產生黑色磨損粉。請定期清潔。

2-4.輸送機佈局

返回側有兩種接收方式:「回程輥接收方式」和「運行導軌接收方式」。示例如下。

※註意事項

  • 1. 在端末進行轉乘時,例如透過 TOD 換乘,請務必格外小心。
  • 2. 回程運行導軌入口半徑應大於等於 R40。
  • 3.鏈子會因溫度變化而膨脹、收縮,因此請將鏈子切割成適當的松弛量,並使用張緊器等進行調節。

2-4-1.回位滾子接收方式

調整滾子的安裝間隔 (傳送帶寬度方向),使其與要使用的鏈寬相匹配。

(傳送帶側面) (高載荷佈局)

リターンローラで受ける方式

註)

  • WT1907、WT3827、WT5707在Φ80以上。

L尺寸請參照上述表5。

(傳送帶返回側平面)

リターンローラで受ける方式

2-4-2.運行導軌上的支撐方法

(傳送帶側面) (高載荷佈局)

走行レールで受ける方式

註)

  • 1.WT1907、WT3827、WT5707在Φ80以上。
  • 2.WT1907、WT3827和WT5707必須大於或等於後彎半徑。

L尺寸請參照上述表5。

2-4-3.曲線佈局 (WTU3015T-K型狀)

對於彎曲輸送,請確保驅動單元與彎曲部分之間至少有 800 mm的直線段,以確保返回側懸鏈線。

1)運行導軌安裝範例

走行レールの取付例

2)運行導軌進出站的處理

彎運行導軌與直運行導軌在入口和出口連接的部分應進行倒角處理,以防止鏈條卡住。

走行レール入口・出口部の処理

・返回側曲線佈局

在返回側彎曲導軌的兩端,安裝回程滾輪或滑動鞋(TP-C14343T-SD),距離導軌 50 mm,以引導鏈條。

輸送機側面剖視圖

戻り側曲線部でのレイアウト

2-4-4.曲線佈局 (WT3085-C型)

在輸送側的彎曲部分安裝運行導軌

在輸送側的彎曲部分安裝運行導軌

在返回側曲線上安裝運行導軌

(附件滑動)

(附件滑動)

(頂板滑動)

(頂板滑動)

2-5.WT0700系列兩端壓尺的安裝示例

一方向駆動 正逆底部駆動

輸送機設計註意事項

  • 1.※滾輪請使用綁帶式。
    • ·可以更輕松地吸收、切割和調整鏈拉伸 (δ) 。
    • ・收線行程(S)的指導原則為:S =機長× 1%
  • 2.※關於滾子部分
    • ·外徑請選擇Φ50以上的盡可能大的產品。
    • ·要使用的軸必須具有足夠的剛度。
    • ·請務必旋轉。
  • 3.鏈子會因溫度變化而膨脹、收縮,因此請將鏈子接好,使鏈子部分適當松弛,或使用張緊器等進行調節。

    [參考:聚甲醛鏈條的線膨脹係數:12×10-5 /°C]

  • 4.採用正反底部驅動時※滾子部的負荷約為使用張力的1.5倍,因此使用機械寬度較大的輸送機 (1m以上) 時,請選擇剛性足夠的軸,或採用3個點以上支撐的方式承接軸。

使用壓尺時的註意事項

  • 1.安裝壓尺的支架應具有剛性,並將松弛限制在0.5mm以內。
  • 2.機架相對於輸送機寬度的彎曲或扭轉等允許誤差尺寸不得超過0.3mm。
  • 3.壓尺與※滾子及鏈輪的位置尺寸請設定為角度α≤30°。
  • 4.壓尺以接近最大使用張力的負荷與鏈條滑動,因此在幹燥條件、高速行駛及重負荷搬運時,推薦使用SJ-CNO (特殊聚醯胺) 製。

註)本設計資料是考慮了重負荷條件的規格。

2-6.WT1500系列及BTN5和兩端壓尺的安裝示例

一方向駆動 正逆底部駆動

輸送機設計註意事項

  • 1.請給我卷軸輥。
    • ·可以更輕松地吸收、切割和調整鏈拉伸 (δ) 。
    • ・收線行程(S)的指導原則為:S =機長× 1%
  • 2.請選擇Φ80以上的盡可能大的托輥外徑。
  • 3.請務必旋轉托輥。
  • 4.用於轉輪A和轉輪的軸必須具有足夠的剛性。(請勿使用高轉速回車輥作為轉輪。)
  • 5.鏈子會因溫度變化而膨脹、收縮,因此請將鏈子接好,使鏈子部分適當松弛,或使用張緊器等進行調節。

    [參考:聚甲醛鏈條的線膨脹係數:12×10-5 /°C]

  • 6.正反底部驅動時,約1.5倍使用張力的負荷會作用於惰輪輥部,因此使用機械寬度較大的輸送機 (1m以上) 時,請選擇剛性足夠的軸,或採用3個點以上支撐的方式承受軸。

使用壓尺時的註意事項

  • 1.安裝壓尺的支架應具有剛性,並將松弛限制在0.5mm以內。
  • 2.機架相對於輸送機寬度的彎曲或扭轉等允許誤差尺寸不得超過0.3mm。
  • 3.將壓尺和轉輪的位置尺寸設置為角度α≤30°。
  • 4.壓尺以接近最大使用張力的負荷與鏈條滑動,因此在幹燥條件、高速行駛及重負荷搬運時,推薦使用材質等級PLF或SJ-CNO (特殊聚酰胺) 。

註)本設計資料是考慮了重負荷條件的規格。

2-7.WT2520系列正反底部驅動佈局

WT2520シリーズの正逆底部駆動のレイアウト

輸送機設計註意事項

  • 1.請選擇Φ80以上的盡可能大的托輥外徑。
  • 2.請務必旋轉托輥。
  • 3.用於車削滾輪的軸必須具有足夠的剛性。(請勿使用高轉速回車輥作為轉輪。)
  • 4.鏈子會因溫度變化而膨脹、收縮,因此請將鏈子接好,使鏈子部分適當松弛,或使用張緊器等進行調節。

    [參考:聚甲醛鏈條的線膨脹係數:12×10-5 /°C]

  • 5.正反底部驅動時,約1.5倍使用張力的負荷會作用於惰輪輥部,因此使用機械寬度較大的輸送機 (1m以上) 時,請選擇剛性足夠的軸,或採用3個點以上支撐的方式承受軸。

2-8. 壓尺條對接佈局

2-8-1. WT0405-W 型對接佈局

透過使用 2.5mm R 壓尺條,可以對接在一起。

不使用以往所需的固定板,可縮小至13mm。

WT0405-W形の突合せレイアウト

註)詳情請咨詢本公司。

2-8-2. WT0700系列對接佈局

・WT0700系列壓尺條對接佈局

可以在輸送機之間進行直線對接連接。
可使用死板將距離縮到最小。

WT0700シリーズノーズバー突合せレイアウト

・WT0700系列壓尺桿和鏈輪對接佈局

傳送帶之間的連接可以對接。
透過使用死板,可以將間隙縮小到最小。

WT0700シリーズノーズバーとスプロケット突合せレイアウト

・WT0700系列壓尺桿和WT1500系列鏈輪對接佈局

傳送帶之間的連接可以對接。
透過使用死板,可以將間隙縮小到最小。

WT0700シリーズノーズバーとWT1500シリーズスプロケット突合せレイアウト

2-8-3. WT1500系列,BTN5型對接佈局

固定板的配置因安裝空間等而異,例如下圖所示。

WT1500シリーズ、BTN5形の突合せレイアウト

註)

  • 1. 上圖的尺寸僅供參考。請根據搬運物的實際情況進行微調。
  • 2. 由於搬運物形狀不穩定,即使鏈條輕微晃動也可能導致故障。如果發生這種搬運物,請聯絡我們。

透過使用 WT1500、WT151 0 系列或 BTN5 型,可以在輸送機之間進行直接對接連接。

對接處使用的死板可以縮小到 20 mm。

註)

  • 1. *標有星號(*)的零件需要根據搬運物進行調整。
  • 2.對應的鏈子只有WT1500、WT1510系列和BTN5型。WT1505G不適用。

・WT1500、WT1510系列壓尺條對接佈局

WT1500、WT1510シリーズノーズバー突合せレイアウト

・WT151 5VG-W型對接佈局

WT1515VG-W形突合せレイアウト

2-9. BTC4-M型對接接頭佈局

·齒數為10T的鏈輪直線移動時

歯数10Tスプロケットで直線乗移りの場合

·Φ18軸直線移動時

Φ18シャフトで直線乗移りの場合

注意)根據搬運物的轉移狀態,稍微調整死板高度。

2-10. WT2520系列對接佈局

通過在傳送帶端部設置Φ50的圓棒,可縮小傳送帶之間的換乘空間。採用正反底部驅動的佈局。

・WT2525-K型/WT2525-M型對接佈局

WT2525-K形/WT2525-M形突合せレイアウト

・WT2525VG-K型/WT2525VG-M型對接佈局

WT2525VG-K形/WT2525VG-M形突合せレイアウト

2-11.正交輸送佈局

透過使用我們的壓尺桿和 GTO/TOD 型鏈條,無需使用通常需要的死板,即可平穩地將搬運物的角度改變 90 度。

直交搬送レイアウト

·每個鏈的安裝尺寸如下所示。

插入交貨 (WT1505TOD/WT1500)

插入交貨 (WT1505TOD/WT1500)
齒數 尺寸mm
Dp D H L1 L2
24 114.9 61.4 62.2 103.9 10.4
32 153.0 80.5 81.3 104.9 11.4
33 157.8 82.9 83.7 105.0 11.5

註)*標有星號(*)的零件可能需要根據搬運物進行調整。

插入交貨 (WT2505TOD/WT2500)

·對於WT2505TOD-M450:

WT2505TOD-M450の場合
齒數 尺寸mm
Dp D H
16 130.2 71.4 72.1
18 146.3 79.5 80.3
21 170.4 91.6 92.5
31 251.1 131.8 132.6

註)*標有星號(*)的零件可能需要根據搬運物進行調整。

·對於WT2505TOD-M750:

WT2505TOD-M750の場合
齒數 尺寸mm
Dp D H
16 130.2 71.4 72.1
18 146.3 79.5 80.3
21 170.4 91.6 92.5
31 251.1 131.8 132.6

註)*標有星號(*)的零件可能需要根據搬運物進行調整。

排放運輸 (WT1505GTO/WT1505GTORN/WT1500)

排出搬送(WT1505TOD/WT1500)

註)*標有星號(*)的零件可能需要根據搬運物進行調整。

2-12.WT1500和WT1505G的正交傳輸

插入運輸 (WT1500/WT1505G/WT1515G)

插入運輸 (WT1500/WT1505G/WT1515G)

註)*標有星號(*)的零件可能需要根據搬運物進行調整。

出口運輸 (WT1500/WT1505G/WT1515G)

出口運輸 (WT1500/WT1505G/WT1515G)

註)*標有星號(*)的零件可能需要根據搬運物進行調整。

2-13.傾斜輸送機的收帶

在傾斜輸送機中,由於鏈的自重,鏈可能會從從動鏈輪上脫落。因此,我們建議您安裝膠帶。

帶傾斜運輸 (水平+傾斜+水平)

帶傾斜運輸 (水平+傾斜+水平)
傾斜コンベヤのテークアップ

2-14. 翼板型鏈的返回側

滾子軸承參考示例

滾子軸承參考示例

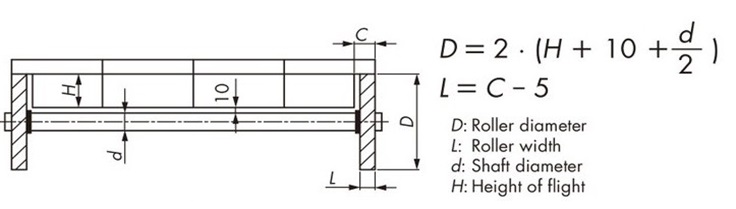
為了防止鏈條彎曲,需要根據鏈條寬度增加回位滾子支撐數。

註)為了避免翼板部分的幹涉,需要對翼板進行追加加工。

參考圖

參考圖

2-15.防上浮附件(阻力板)的特殊組織

對於 WT1515T-F-W 型,當鏈條寬度為 100 mm或 150 mm時,防上浮附件(阻力板)的配置有所不同。

鏈寬100mm

鏈寬100mm

鏈寬150mm

鏈寬150mm

2-16.分動板的安裝

下面是所需的分動板放置:。

トランスファプレートの設置
鏈式 分動板型號 B mm D mm
WT1907-K WT-TP1907-L114 70 Dp2 + 9.9
WT-TP1907-L190 100
WT3827-K WT-TP3827-L152 82 Dp2 + 12.7
WT5707-K WT-TP5707-L220 82 Dp2 + 15.5

Dp:節距圓直徑

分動板附帶的罩蓋和安裝螺絲請按照右圖進行安裝。

另外,考慮到傳動板鏈條的熱膨脹,請根據使用溫度條件按下圖所示設置安裝螺絲。

  • 1) 室溫 (20°C) 無溫度變化時

    2、3分動板的安裝螺絲請設置在長孔的中央。

    チェーンの中心
  • 2) 低溫時

    2、3的分動板的安裝螺絲請設置在鏈條的中心。

    チェーンの中心
  • 3) 高溫時

    2、3的分動板的安裝螺絲請設置在鏈條的一端。

    チェーンの中心
トランスファプレートの設置