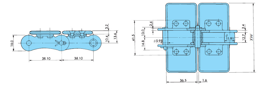
不銹鋼頂板鏈條TSA 型主要規格
TSA
特性
- 一種帶有連接板的輸送鏈,該輸送鏈由雙節距鏈條組成。可以使用雙節距鏈條。
- ・主鏈也提供NP規格、Lambda規格和SS規格。
- ·有提高金屬板耐磨損性的淬火規格、金屬板上面進行硬質鍍鉻+拋光處理的規格等,可根據工件和氛圍進行選擇。
| ※ | 3D CAD 資料將透過 CADENAS Web2CAD Co., Ltd. 的 CAD圖紙庫網站「PARTcommunity」的連結提供。 |
| ※ | 有關3DCAD數據和PARTcommunity的咨詢,請聯係Cadnas Web to Cad。 【CadnasWeb-to-Cad株式會社】 TEL:(03)5961‐5031 FAX:(03)5961‐5032 |
產品目錄、使用說明書
主要規格、價格、交貨期
| 鏈條 間距 mm |
規格 | 格式 | 上衣 金屬板寬 XW mm |
最大許容張力 kN |
約 質量 kg/m |
使用溫度範圍 °C |
能力 線圖 |
1單一 轉數 轉數 |
|---|---|---|---|---|---|---|---|---|
| 38.1 | 標準規格 | TSA550 | 55.0 | 2.94 | 2.8 | -10~150 | 能力曲線圖 展示 |
80 |
| TSA635 | 63.5 | 3.0 | ||||||
| TSA762 | 76.2 | 3.3 | ||||||
| TSA826 | 82.6 | 3.5 | ||||||
| TSA950 | 95.0 | 3.8 | ||||||
| TSA1016 | 101.6 | 4.0 | ||||||
| TSA1100 | 110.0 | 4.2 | ||||||
| TSA1143 | 114.3 | 4.3 | ||||||
| TSA1270 | 127.0 | 4.6 | ||||||
| TSA1524 | 152.4 | 5.2 | ||||||
| TSA1905 | 190.5 | 6.1 | ||||||
| 38.1 | NP規格 | TSA550-NP | 55.0 | 2.94 | 2.8 | -10~150 | 能力曲線圖 展示 |
80 |
| TSA635-NP | 63.5 | 3.0 | ||||||
| TSA762-NP | 76.2 | 3.3 | ||||||
| TSA826-NP | 82.6 | 3.5 | ||||||
| TSA950-NP | 95.0 | 3.8 | ||||||
| TSA1016-NP | 101.6 | 4.0 | ||||||
| TSA1100-NP | 110.0 | 4.2 | ||||||
| TSA1143-NP | 114.3 | 4.3 | ||||||
| TSA1270-NP | 127.0 | 4.6 | ||||||
| TSA1524-NP | 152.4 | 5.2 | ||||||
| TSA1905-NP | 190.5 | 6.1 | ||||||
| 38.1 | Lambda規格 | TSA550-LMCNP | 55.0 | 2.94 | 2.8 | -10~150 | 能力曲線圖 展示 |
80 |
| TSA635-LMCNP | 63.5 | 3.0 | ||||||
| TSA762-LMCNP | 76.2 | 3.3 | ||||||
| TSA826-LMCNP | 82.6 | 3.5 | ||||||
| TSA950-LMCNP | 95.0 | 3.8 | ||||||
| TSA1016-LMCNP | 101.6 | 4.0 | ||||||
| TSA1100-LMCNP | 110.0 | 4.2 | ||||||
| TSA1143-LMCNP | 114.3 | 4.3 | ||||||
| TSA1270-LMCNP | 127.0 | 4.6 | ||||||
| TSA1524-LMCNP | 152.4 | 5.2 | ||||||
| TSA1905-LMCNP | 190.5 | 6.1 | ||||||
| 38.1 | SS規格 | TSA550-SS | 55.0 | 1.03 | 2.8 | -20~400 | 能力曲線圖 展示 |
80 |
| TSA635-SS | 63.5 | 3.0 | ||||||
| TSA762-SS | 76.2 | 3.3 | ||||||
| TSA826-SS | 82.6 | 3.5 | ||||||
| TSA950-SS | 95.0 | 3.8 | ||||||
| TSA1016-SS | 101.6 | 4.0 | ||||||
| TSA1100-SS | 110.0 | 4.2 | ||||||
| TSA1143-SS | 114.3 | 4.3 | ||||||
| TSA1270-SS | 127.0 | 4.6 | ||||||
| TSA1524-SS | 152.4 | 5.2 | ||||||
| TSA1905-SS | 190.5 | 6.1 |
| 鏈條 間距 kg/m |
規格 | 格式 | 上衣 金屬板寬 XW mm |
最大許容張力 kN |
約 質量 kg/m |
使用溫度範圍 °C |
能力 線圖 |
1單一 轉數 轉數 |
|---|---|---|---|---|---|---|---|---|
| 38.10 | HTP形式 | TSA550-HTP | 55.0 | - | - | - | - | - |
| TSA635-HTP | 63.5 | |||||||
| TSA762-HTP | 76.2 | |||||||
| TSA826-HTP | 82.6 | |||||||
| TSA950-HTP | 95.0 | |||||||
| TSA1016-HTP | 101.6 |
筆記
1. 頂板硬度為 HRC40 或更高(主鏈為標準規格)。
2. 本產品為客製化產品。
3. 頂板鉚接固定。
適用鏈輪
※單擊形狀編號以顯示詳細信息。點擊放大圖像。
![]() ![]() |
|
適用的塑膠軌道
※單擊形狀編號以顯示詳細信息。點擊放大圖像。
![]() ![]() |
這款塑膠軌道不耐熱也不耐化學腐蝕。 |
||||||||||||||||||||








