大型输送鏈條鏈輪技術資料及鏈輪結構
1.基本結構
齒形經過最佳高週波熱處理淬火處理,提升了鏈輪的耐磨性和傳動能力。
2.輪轂格式
BW型
是在鏈輪齒形部的一側焊接輪轂的形式。
應用
- RF10尺寸以下
- RF205尺寸以下
BW1型
是在鏈輪齒形部貫通輪轂,作為單輪轂形從兩側焊接的形式。
應用
- RF12大小或更大
- RF6205大小或更大
CW型
是在鏈輪齒形部的兩側焊接輪轂的形式。
應用
- RF10尺寸以下
- RF205尺寸以下
CW1型
是在鏈輪齒形部貫通輪轂,作為雙輪轂形狀從兩側焊接的形式。
應用
- RF12大小或更大
- RF6205大小或更大
3.齒形部形式
1.形狀
S1:齒頂呈圓形
S2:扁平齒頂(陰影區域已切除)
注意:S2齒形適用於K型附件的鏈條,因為S1齒形可能會導致鍊板與鏈輪外徑之間干涉。如果您使用的是特殊鏈條或頂部滾輪的鏈條,請諮詢我們。
2.規格
- ・標準規格(符號 N)
齒頂沒有經過硬化處理,因此適用於負載較輕、磨損較小的應用。 - -硬化齒頂規格(符號 Q)
此規格的齒頂經過硬化處理,適用於需要耐磨損或高負載工況的應用。請參考下表區分標準規格(N) 和硬化齒頂(Q)。
標準規格和齒頂硬化規範的分類
| 鏈條規格 | 滾子式 | 驅動側 | 從動側 | ||
|---|---|---|---|---|---|
| 普通氣氛 | 磨損氣氛 | 普通氣氛 | 磨損氣氛 | ||
| DT規格 DTA規格 |
S | Q | Q | N | Q |
| R | N | Q | N | N | |
| F | N | Q | N | N | |
| AT規格 ATA規格 |
S | Q | Q | N | Q |
| R | Q | Q | N | Q | |
| F | Q | Q | N | Q | |
以上是具有一般使用條款的使用分類。特別是在嚴重的磨損環境、高負荷條件下的使用條件時,請向本公司咨詢。
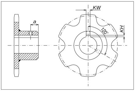
4.軸孔精加工規格
為了在交貨期完成繁瑣的孔加工,軸孔尺寸按照以下規格加工。請注意,不包含緊定螺絲。
標準軸孔加工規格
| 軸孔公差 | 鍵槽寬度公差 | 絲錐加工 |
|---|---|---|
| H8 | JIS B1301-1996 普通型Js9 |
鍵上和120°間隔的 2處絲錐加工 |
| 舊JIS B1301-1959 2種E9 |
鍵槽和齒頂尖的階段
鍵槽經過精密加工,使鏈輪齒頂的中心與鍵槽的中心對齊。如果您希望使用並聯鏈條,請聯絡我們。
鍵槽和絲錐的規格、尺寸
| JIS普通型鍵鍵槽寬公差Js9 | |||
|---|---|---|---|
| 適用軸孔直徑 | 鍵槽寬度 KW |
鍵槽深度 KH |
螺絲孔尺寸 MX |
| 大於22小於30 | 8 | 3.3 | M6 |
| 大於30小於38 | 10 | 3.3 | M8 |
| 大於38小於44 | 12 | 3.3 | |
| 大於44小於50 | 14 | 3.8 | |
| 大於50小於58 | 16 | 4.3 | M10 |
| 大於58小於65 | 18 | 4.4 | |
| 大於65小於75 | 20 | 4.9 | M12 |
| 大於75小於85 | 22 | 5.4 | |
| 大於85小於95 | 25 | 5.4 | M16 |
| 大於95小於110 | 28 | 6.4 | |
| 大於110小於130 | 32 | 7.4 | M20 |
| 大於130小於150 | 36 | 8.4 | |
| 大於150小於170 | 40 | 9.4 | |
| 大於170小於200 | 45 | 10.4 | M24 |
| 大於200小於230 | 50 | 11.4 | |
| 舊JIS2種鍵鍵槽寬公差E9 | |||
|---|---|---|---|
| 適用軸孔直徑 | 鍵槽寬度 KW |
鍵槽深度 KH |
螺絲孔尺寸 MX |
| 大於20小於30 | 7 | 3 | M6 |
| 大於30小於40 | 10 | 3.5 | |
| 大於40小於50 | 12 | 3.5 | M8 |
| 大於50小於60 | 15 | 5 | |
| 大於60小於70 | 18 | 6 | M10 |
| 大於70小於80 | 20 | 6 | M12 |
| 大於80小於95 | 24 | 8 | |
| 大於95小於110 | 28 | 9 | M16 |
| 大於110小於125 | 32 | 10 | M20 |
| 大於125小於140 | 35 | 11 | |
| 大於140小於160 | 38 | 12 | |
| 大於160小於180 | 42 | 13 | |
| 大於180小於200 | 45 | 14 | M24 |
| 大於200小於224 | 50 | 15.5 | |
| 大於224小於250 | 56 | 17.5 | |
上述以外的加工規格時,請告知以下內容。
- ·軸孔形狀、尺寸直徑、公差
- ·鍵槽品種、尺寸、公差
- -螺絲孔尺寸和位置
