技術資料減速機蝸輪減速機處理
本文記載了EWJ、EWJM (R)、EW、EWM (R)、SWJ、SWJM (R)、SW、SWM (R)、TD系列使用的一般事項。
詳情請參閱產品附帶的使用說明書。
4.安裝
安裝在環境溫度為0°C至40°C、通風良好且灰塵和濕度較低的環境中。
請避免在有腐蝕性液體或氣體的場所、易燃易爆的場所使用。
另外,在室外等使用時,請蓋上蓋子等,以免雨水等直接淋到。
- (1)在將減速機安裝或從驅動軸上拆卸時,請務必在進行操作前關閉機器或設備的電源。
- (2)將減速機安裝或拆卸到驅動軸上時,請務必使用減速機殼體頂部的吊掛螺栓,切勿將電線或類似物品懸掛在輸入軸或輸出軸上。
- (3)從驅動軸上安裝或拆卸減速機時,務必確保減速機平衡且穩定。在不平衡狀態下工作會導致減速機旋轉,這極其危險。務必確保減速器穩定。
- (4)SWJ25 至 63 和 SWJM(R)35 至 63 沒有吊裝螺栓,因此用雙手握住減速機,使輸出軸與從動軸平行,將其插入或從動軸上拆下。
4-1.輸出實心軸類型
輸出軸實心型的安裝方式有支腳安裝 (EWJ、EWJM (R)、EW、EWM (R)、TD-S) 和法蘭安裝 (SW、SWM80~200) 2種。
4-1-1.安裝支腳時 (EWJ·EWJM (R) ·EW·EWM (R) ·TD-S)
- ·請確認是否是標準安裝方向。
- ·安裝方向為標準以外時,油量及部分潤滑方式不同,請參照圖紙或咨詢。
- ·安裝基準面應平滑、足夠堅固,以免過度安裝,安裝角度不應超過±1°。
- ·安裝螺栓請使用相當於JIS強度等級10.9T的產品。
推薦安裝螺栓
EWJ・EWJM尺寸 EWJ25 EWJ35 EWJ42 EWJ50 EWJ63 EWJ70 推薦螺栓 M6×15 M8×15 M10×20 M8×25 M10×30 M12×35 EW·EWM尺寸 EW80 EW100 EW125 EW150 EW175 EW200 推薦螺栓 M12×40 M14×45 M16×55 M20×60 M20×70 M24×80 TD-S尺寸 TD125 TD150 TD175 TD200 TD225 TD250 TD280 TD315 推薦螺栓 M16×55 M20×60 M20×70 M24×80 M24×80 M30×100 M30×100 M30×110 - ·切勿安裝可能導衹外殼變形的設備。
- ・減速機出廠時已預先密封潤滑油。為防止運輸過程中漏油,注油口已堵塞,請在使用前將「堵頭」更換為隨附的「洩壓閥」。如果持續使用未阻塞的「堵頭」運轉減壓器,內部壓力可能會升高,導致潤滑油從油封處洩漏。
注意)EWJ25-70、EWJM42-70(包括高減速)和SWJ25-70、SWJM35-70不需要洩壓閥,因此請以交付時的狀態使用它們。
4-1-2.安裝法蘭時 (EWJ25~42、EWJM (R) 42、SW80~200、SWM (R) 80~200)
減速機透過減速機殼體的法蘭面固定。請注意以下幾點。
1.SW、SWM (R) 的輸出實心軸類型時
- (1)利用殼體法蘭上的螺紋孔固定減速機,並利用殼體插口定位變徑管。
- (2)調整從動軸的徑向跳動、輸入/輸出連接和角度,然後安裝減速機。
- (3)法蘭面的推薦螺栓尺寸請參照下表。(表中的螺栓尺寸:深度為攻絲深度。)
注意:如果不使用殼體插口,先連接輸入和輸出,然後再固定法蘭面,則可能會對軸和軸承施加意外的負載,這可能會縮短減速機的壽命。
法蘭面的建議螺栓尺寸
減速機尺寸 SW80 SW100 SW125 SW150 SW175 SW200 螺栓尺寸 M10深度20 M10深度20 M12深度25 M12深度25 M14深度30 M16深度30 安裝PCD 180 205 255 300 350 380 安裝數量 6處等配 6處等配 6處等配 8處等配 8處等配 8處等配
2.EWJ25~42、EWJM (R) 42時
在地面或牆壁上安裝減速機時,請注意以下幾點。
- (1)利用法蘭面上的安裝孔固定減速機。殼體端面突出於減速機的安裝面之外,因此務必在減速機本體與安裝面之間留出間隙(ΦD,t),如下表和圖示所示。
- (2)調整從動軸的徑向跳動、輸入/輸出連接和角度,然後安裝減速機。
- (3)請參考下表,了解減速機法蘭面的建議螺栓尺寸和螺距。
注意:如果先連接輸入和輸出,然後再固定法蘭面,則可能會對軸和軸承施加意外的負載,這可能會縮短減速機的壽命。
安裝面所需的間隙量
| 尺寸 | ΦD | t |
|---|---|---|
| EWJ25 | 46 | 3 |
| EWJ35 | 48 | 1.5 |
| EWJ42 | 63 | 3 |
安裝螺栓尺寸、數量、螺距
| 尺寸 | 安裝螺栓尺寸 | 間距 A |
間距 B |
|---|---|---|---|
| EWJ25 | M6×60 4根 | 57 | 76 |
| EWJ35 | M8×80 4根 | 71 | 96 |
| EWJ42 | M10 x 90 4條 | 88 | 111 |
推薦擰緊扭矩
| 尺寸 | 擰緊扭矩 (N・m) |
擰緊扭矩 {kgf・m} |
|---|---|---|
| EWJ25 | 4.9 ~ 5.9 | 0.5 ~ 0.6 |
| EWJ35 | 12 ~ 14 | 1.2 ~ 1.4 |
| EWJ42 | 24 ~ 27 | 2.4 ~ 2.7 |
4-2.輸出空心軸類型
防止減速機旋轉的方法有三種:「扭力臂安裝」、「法蘭安裝」和「底座安裝(僅限 EW-H 型(空心輸出軸))」。我們建議從動軸的軸徑公差為 g7。
- (1)將減速機安裝到從動軸上時,請務必檢查從動軸的外緣或減速機的空心輸出軸內部是否有刮痕或碎屑。
- (2)為便於插入,請在從動軸上塗抹潤滑脂或二硫化鉬等。
- (3)如果插入睏難,請用軟錘輕輕敲擊輸出空心軸的端面以插入。另外,此時請充分註意不要損傷油封。
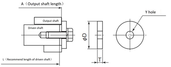
- (4)中空軸鍵槽採用新JIS普通級制成。關於按鍵長度,請參考下面的“推薦從動軸長度”。
建議從動軸長度(請參見下圖1、圖2)
| 系列 | SWJ | SW・EW | SW・EW・TD | TD | ||||||||||||
|---|---|---|---|---|---|---|---|---|---|---|---|---|---|---|---|---|
| 減速機尺寸 | 25 | 35 | 42 | 50 | 63 | 70 | 80 | 100 | 125 | 150 | 175 | 200 | 225 | 250 | 280 | 315 |
| 輸出軸長度:A | 60 | 70 | 80 | 108 | 128 | 130 | 148 | 174 | 200 | 250 | 270 | 290 | 320 | 356 | 404 | 454 |
| 推薦從動軸長度:L | 58 | 68 | 78 | 89 | 109 | 106 | 122 | 146 | 170 | 220 | 238 | 258 | 272 | 303 | 344 | 386 |
4-2-1.扭矩臂安裝、拆卸
1.安裝步驟
注意)避免安裝與傳動軸連接的雙軸輸入減速機。
- (1)用螺栓將扭力臂連接到減速機。注意:如果您購買的是扭力臂,請使用其自帶的螺栓。如果您自行製作扭力臂,請使用強度等級為 10.9 或同等強度的螺栓。
- (2)將減速機安裝到驅動軸上。
- (3)將減速機沿軸向固定在從動軸上。
- ·對於SWJ25~42,建議將端板固定在輸出軸端,如圖1所示。
- ·對於SWJ50~70、SW80~200、EW80-H~200-H (輸出中空型)、TD125H~315H,推薦如圖2所示,使用輸出中空軸的定位環槽,通過限位環和端板進行固定。(輸出空心軸詳細尺寸請參見產品頁面。)
- (4)確定減速機的安裝位置後,固定扭力臂,使減速機不會隨從動軸一起旋轉。此時,要確保扭力臂在軸向方向上有一定的活動空間。
- 注意:在減速機之前固定扭力臂的末端可能會損壞減速機,因此請務必仔細按照操作步驟進行。 (EW80-H 至 200-H 為底座式安裝。固定輸出空心軸和從動軸後,再確定支撐從動軸的軸承位置。)
- 註)制作端板時,推薦兼用衝壓板,尺寸、形狀如下表1所示。
圖1 SWJ25~42
圖2 SWJ50~70・SW80~200
EW80-H~200-H・TD125H~315H
表1端板 (衝壓板兼用) 推薦尺寸
| 尺寸 | 輸出軸 孔徑 |
板推薦尺寸 | 鋼板用螺栓 (附彈簧墊圈) |
止動環 尺寸 |
|||||
|---|---|---|---|---|---|---|---|---|---|
| ΦD | T | H | Z | Y基利 | P | ||||
| SWJ25 | Φ12 | 16 | 4.5 | - | - | 5.5 | - | 1-M5×15 | - |
| SWJ35 | Φ20 | 26 | 6 | - | - | 9 | - | 1-M8×25 | - |
| SWJ42 | Φ25 | 32 | 6 | - | - | 9 | - | 1-M8×25 | - |
| SWJ50 | Φ30 | 29.6 | 9 | 25 | M12 | - | - | 1-M10×40 | C 30 |
| SWJ63 | Φ35 | 34.6 | 9 | 30 | M12 | - | - | 1-M10×40 | C 35 |
| SWJ70 | Φ40 | 39.6 | 12 | 34 | M12 | 2- 6.6 | 24 | 2-M6×40 | C 40 |
| EW/SW80 | Φ50 | 49.6 | 12 | 44 | M16 | 2- 9 | 30 | 2-M8×45 | C 50 |
| EW/SW100 | Φ55 | 54.6 | 14 | 48 | M16 | 2-11 | 32 | 2-M10×55 | C 55 |
| EW/SW125 | Φ70 | 69.5 | 14 | 62 | M24 | 2-14 | 44 | 2-M12×60 | C 70 |
| EW/SW150 | Φ80 | 79.5 | 17 | 70 | M24 | 2-14 | 52 | 2-M12×65 | C 80 |
| EW/SW175 | Φ90 | 89.5 | 17 | 80 | M30 | 2-14 | 60 | 2-M12×65 | C 90 |
| EW/SW200 | Φ100 | 99.5 | 17 | 89 | M30 | 2-18 | 65 | 2-M16×75 | C100 |
| TD125 | Φ70 | 69.5 | 14 | 62 | M24 | 2-14 | 44 | 2-M12×60 | C 70 |
| TD150 | Φ80 | 79.5 | 17 | 70 | M24 | 2-14 | 52 | 2-M12×65 | C 80 |
| TD175 | Φ90 | 89.5 | 17 | 80 | M30 | 2-14 | 60 | 2-M12×65 | C 90 |
| TD200 | Φ100 | 99.5 | 17 | 89 | M30 | 2-18 | 65 | 2-M16×75 | C100 |
| TD225 | Φ110 | 109.6 | 20 | 99 | M30 | 2-18 | 65 | 2-M16×85 | C110 |
| TD250 | Φ125 | 124.4 | 20 | 113 | M30 | 2-18 | 70 | 2-M16×85 | C125 |
| TD280 | Φ130 | 129.4 | 24 | 118 | M36 | 2-22 | 80 | 2-M20×100 | C130 |
| TD315 | Φ160 | 159.4 | 24 | 146 | M36 | 2-22 | 85 | 2-M20×100 | C160 |
2.拆卸程序
- (1)用吊掛螺栓懸掛減速機。
- (2)鬆開將減速機固定在驅動軸(軸向)的端板上的螺栓。
- (3)止住軸的旋轉方向的扭矩臂的前端請自由。
- (4)將輸出空心軸從從動軸中拉出,以避免殼體與輸出空心軸之間施加過大的力。準備好拔模板 (表1) 和千斤頂螺栓 (表2),按照圖3的要領安裝千斤頂螺栓後,即可順利拆卸。
表2千斤頂螺栓尺寸
| 尺寸 | 輸出軸孔徑 | 千斤頂螺栓 (全螺絲) |
尺寸 | 輸出軸孔徑 | 千斤頂螺栓 (全螺絲) |
|---|---|---|---|---|---|
| SWJ50 | Φ30 | M12×80 | TD125H | Φ70 | M24×150 |
| SWJ63 | Φ35 | M12×80 | TD150H | Φ80 | M24×150 |
| SWJ70 | Φ40 | M12×80 | TD175H | Φ90 | M30×180 |
| EW/SW 80 | Φ50 | M16×100 | TD200H | Φ100 | M30×180 |
| EW/SW100 | Φ55 | M16×100 | TD225H | Φ110 | M30×180 |
| EW/SW125 | Φ70 | M24×150 | TD250H | Φ125 | M30×180 |
| EW/SW150 | Φ80 | M24×150 | TD280H | Φ130 | M36×250 |
| EW/SW175 | Φ90 | M30×180 | TD315H | Φ160 | M36×250 |
| EW/SW200 | Φ100 | M30×180 |
圖3千斤頂螺栓安裝要領
4-2-2.法蘭的安裝和拆卸
1.安裝步驟
將減速機固定在被驅動機器上時(減速機上沒有徑向負荷作用)
- (1)將減速機安裝到驅動軸上。
- (2)固定時,使用外殼的法蘭面絲錐。
- ·對於SWJ25~42,使用法蘭表面上的孔並用螺栓固定。
- ·螺栓尺寸、安裝尺寸、螺距等請參照上述4-1-2.之2項的表、圖。
- (3)定位時,建議使用表殼內嵌。(SWJ25沒有inlow。)
註)法蘭安裝不需要端板。
使用端板固定輸出空心軸時,輸出空心軸的軸承受到推力,可能會損壞軸承。
當透過法蘭安裝將減速機固定到驅動機器上時(當減速機受到徑向負載作用時)
- (1)將減速機安裝到驅動軸上。
- (2)調整從動軸的徑向跳動,保持軸向自由,然後安裝減速機。
- (3)我們建議使用殼體法蘭面上的螺紋孔固定減速機,並使用殼體上的插口進行定位。 (SWJ25 沒有插口。)
- (4)固定減速機後,固定從動軸的軸向。
註)如果先固定從動軸的軸向,則會對空心軸的軸承施加推力,有可能損壞軸承。
2.拆卸程序
當減速機固定在被驅動機器上時(當減速機上沒有徑向負荷作用時)
- (1)鬆開固定驅動機和減速機法蘭螺栓。
- (2)將輸出空心軸從從動軸中拉出,以避免殼體與輸出空心軸之間施加過大的力。準備好拔模板 (表1) 和千斤頂螺栓 (表2),按照圖3的要領安裝千斤頂螺栓後,即可順利拆卸。
當透過法蘭安裝將減速機固定到驅動機器上時(當減速機受到徑向負載作用時)
- (1)使從動軸保持平衡穩定狀態。
- (2)鬆開固定從動機械和減速機的法蘭螺栓。
- (3)將輸出空心軸從從動軸中拉出,以避免殼體與輸出空心軸之間施加過大的力。準備好拔模板 (表1) 和千斤頂螺栓 (表2),按照圖3的要領安裝千斤頂螺栓後,即可順利拆卸。
4-2-3.支腳安裝的安裝、拆卸 (EW-H輸出空心軸型)
安裝和拆卸時,請務必依照第 4-1-1 節(底座安裝)、第 4-2-1 節(扭力臂安裝)和第 4-2-2 節(法蘭安裝)對驅動機器和減速機進行居中定位。
如果對中錯誤,可能會產生意想不到的負荷,損壞軸承、軸等。
