技術資料減速機蝸輪減速機馬達規格
標準端子箱規格
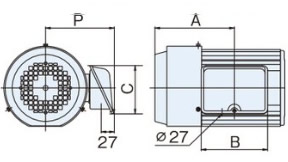
1.電機輸出功率:0.1kW~0.4kW [樹脂制]
| 端子尺寸 | 端子箱位置 | |||||||||||||
|---|---|---|---|---|---|---|---|---|---|---|---|---|---|---|
| 無制動器 | ![]() |
|
||||||||||||
| 制動裝置 | ![]() |
|
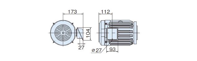
2.電機輸出功率:0.75kW [鋼鈑金]
| 端子尺寸 | 端子箱位置 | |||||||||||
|---|---|---|---|---|---|---|---|---|---|---|---|---|
| 無制動器 | ![]() |
|
||||||||||
| 制動裝置 | ![]() |
|
3.電機輸出功率:1.5kW~2.2kW [鋼鈑金]
| 端子尺寸 | 端子箱位置 | ||||||||||||||||
|---|---|---|---|---|---|---|---|---|---|---|---|---|---|---|---|---|---|
| 無制動器 | ![]() |
|
|||||||||||||||
| 制動裝置 | ![]() |
|
4.電機輸出功率:3.7kW [鋼鈑金]
| 端子尺寸 | 端子箱位置 | |
|---|---|---|
| 無制動器 | ![]() |
![]() |
| 制動裝置 | ![]() |
![]() |
5.電機輸出功率:5.5kW [鋼鈑金]
| 端子尺寸 | 端子箱位置 | |
|---|---|---|
| 無制動器 | ![]() |
![]() |
| 制動裝置 | ![]() |
![]() |
端子箱的安裝方向
端子箱的安裝方向可以90°間距變更。訂購時請指示。
或者,拆下電機安裝螺栓,轉動電機,客戶也可以變更安裝方向。
端子箱的出口方向
間距為90°。
(5.5kW制動器無法變更)
訂購時請指示。
(例:端子口方向F1)














