技術資料減速機小型齒輪馬達 馬達規格
連接/旋轉方向
1.連線
| 帶三相電機 (40W~5.5kW) | 附單相電機 (40W~90W) | ||
|---|---|---|---|
![]() |
![]() |
![]() |
![]() |
| A | B | A | B |
註)單相馬達採用電容器起動方式。電容器附在產品上,請接線後使用。
2.旋轉方向
下圖箭頭顯示連接A時從輸出軸的方向。
對於連接B,沿與箭頭相反的方向旋轉。
齒輪減速電機
| 二級減速 |
|---|
![]() |
| 三級減速 |
![]() |
戟齒輪減速機
| 2級、4級減速 |
|---|
![]() |
| 三級減速 |
![]() |
Croise減速電機
| CSMA系列 |
|---|
![]() |
| HCMA系列 |
![]() |
戟齒輪減速機
| 二級減速 |
|---|
![]() |
| 三級減速 |
![]() |
制動馬達的接線
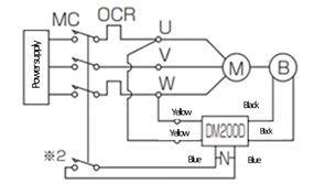
1. 200V級:0.1kW至5.5kW [齒輪減速電機、戟齒輪減速機、Croise減速電機]
- ・標準產品出廠時均配備交流電同時切斷。
- ·由於響應時間因接線而異,請參考下圖並根據用途進行選擇。
| 用途 | 齒輪減速電機、戟齒輪減速機、Croise減速電機 | |||
|---|---|---|---|---|
| 三相200V 0.1kW~0.55kW |
三相200V 0.75kW~3.7kW |
三相200V 5.5kW |
||
| 交流電同時切斷 |
|
![]() |
![]() |
![]() |
| 交流電各別切斷 |
|
![]() |
![]() |
![]() |
| 交流電各別操作 |
|
※3印部位制動器的供給電壓, |
※3印部位制動器的供給電壓, |
![]() |
| 直流電各別切斷 |
|
![]() |
![]() |
- |
- M:電機
- B:制動器
- MC:電磁接觸器
- MCa:補助繼電器
- OCR:過流繼電器
- DM200D、PM180B:DC Module (轉換器)
- -N-:保護元件 (壓敏電阻)
- 註1) 制動電壓為DC90V。(在DM200D和PM180B上輸入200V交流電)
- 註2)使用直流電各別切斷時,煞車電源模組可能會因線路長度、接線方式、繼電器類型等因素而損壞,因此需要在直流電各別切斷端子之間連接壓敏電阻。最好將其連接在靠近煞車電源模組的位置(藍色引線)。特定壓敏電阻型號如下所示,但也可以使用等效的壓敏電阻。對於DM200D,請選擇470V的壓敏電阻。
商品名稱 制造商 型號 DM200D時 浪湧吸收器 Panasonic ERZV14D471 陶瓷壓敏電阻 Nippon Chemi-Con TND14V-471KB00AAA0 - 註 3) *1 中的補助繼電器(MCa) 必須具有 AC200V7A 或以上的接點容量(阻性負載)。
*2 若使用 MC 輔助接點或補助繼電器,觸點容量必須為 AC200V10A 或以上(阻性負載)。
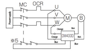
2. 400V級:0.1kW至5.5kW [齒輪減速電機、戟齒輪減速機、Croise減速電機]
- ・標準產品出廠時均配備交流電同時切斷。 (*5.5kW規格的產品請另行諮詢。)
- ·由於響應時間因接線而異,請參考下圖並根據用途進行選擇。
| 用途 | 齒輪減速電機、戟齒輪減速機、Croise減速電機 | |||
|---|---|---|---|---|
| 三相400V 0.1kW~0.55kW |
三相400V 0.75kW~3.7kW |
三相400V 5.5kW |
||
| 交流電同時切斷 |
|
![]() |
![]() |
- |
| 交流電各別切斷 |
|
![]() |
![]() |
- |
| 交流電各別操作 |
|
注意:務必將帶有封閉端連接器的棕色 (N) 電線與接線端子絕緣。 |
0.75kW・3.7kW為380V~440V交流電 |
![]() |
| 直流電各別切斷 |
|
![]() |
![]() |
- |
- M:電機
- B:制動器
- MC:電磁接觸器
- MCa:補助繼電器
- OCR:過流繼電器
- DM200D、DM400D、PM180B:DC Module (轉換器)
- -N-:保護元件 (壓敏電阻)
- 註1) 制動電壓為DC90V。(200V交流電輸入DM200D)
- 註2)使用直流電各別切斷時,煞車電源模組可能會因線路長度、接線方式、繼電器類型等因素而損壞,因此需要在直流電各別切斷端子之間連接壓敏電阻。將其連接在靠近煞車電源模組(藍色引線)的位置效果更佳。特定壓敏電阻型號如下所示,但也可以使用等效型號的壓敏電阻。對於DM200D,請選擇470V的壓敏電阻。 (DM400D內建壓敏電阻,無需外接。)
商品名稱 制造商 型號 DM200D時 浪湧吸收器 Panasonic ERZV14D471 陶瓷壓敏電阻 Nippon Chemi-Con TND14V-471KB00AAA0 - 註3)5.5kW DC Module (轉換器) PM180B作為附件出貨,因此客戶必須自行接線。尺寸圖在此發布。
- 註 4) *2 中的補助繼電器(MCa) 必須具有 AC200V7A 或以上的接點容量(阻性負載)。
*3 若使用 MC 輔助接點或補助繼電器,接點容量必須為 AC200V10A 或以上(阻性負載)。
*4 對於補助繼電器(MCa),請使用接點電壓為 AC400 至 440V,感性負載為 1A 或以上的繼電器。
*5補助繼電器(MCa) 應將兩到三個單元串聯使用,觸點電壓為 AC400 至 440V,感性負載為 1A 或以上。
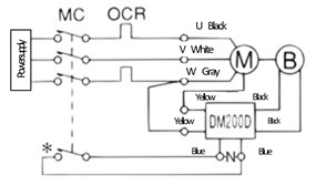
3. 40W、60W、90W [戟齒輪減速機迷你係列]
- ・標準產品出廠時均配備交流電同時切斷。
- ·由於響應時間因接線而異,請參考下圖並根據用途進行選擇。
| 用途 | 三相電機標準電壓 200V級 |
三相電機倍電壓 400V級 |
單相電機 100V |
|
|---|---|---|---|---|
| 交流電同時切斷 |
|
![]() |
![]() |
![]() |
| 交流電各別切斷 |
|
![]() |
![]() |
![]() |
| 交流電各別操作 |
|
![]() |
注意:務必剪掉與封閉端連接器連接的 N 部分,並對 N 部分進行絕緣處理。 |
![]() |
| 直流電各別切斷 |
|
![]() |
![]() |
![]() |
- M:電機
- B:制動器
- MC:電磁接觸器
- MCa:補助繼電器
- OCR:過流繼電器
- C:電容器 (配件)
- DM200D、DM100A:DC Module (轉換器)
- -N-:保護元件 (壓敏電阻)
- 註 1)接線完成後,在接通電源之前,請確保DC Module (轉換器)的黃色(或紅色)引線接在電源側,黑色引線接在煞車側。
- 註2)DC Module (轉換器)內建二極管,因此如果因接線錯誤導致短路,DC Module (轉換器)將會損壞。
- 註3) 請根據需要在每個觸點添加保護元件。
- 註 4)使用變頻器時,請勿用於交流電各別操作以外的電路。
- 註5)使用直流電各別切斷時,煞車電源模組可能會因線路長度、接線方式、繼電器類型等因素而損壞,因此需要在直流電各別切斷端子之間連接壓敏電阻。最好將其連接在靠近煞車電源模組的位置(連接到藍色引線)。特定的壓敏電阻型號如下,但也可以使用等效的壓敏電阻。對於DM200D,請選擇470V的壓敏電阻。
商品名稱 制造商 型號 DM100A、DM200D時 浪湧吸收器 Panasonic ERZV14D471 陶瓷壓敏電阻 Nippon Chemi-Con TND14V-471KB00AAA0 - 註6) 單相電機運轉用電容器
40W:15μF、60W:18μF、90W:27μF (均為耐壓220V) 。 - 註7) 關於單相200V請咨詢。
※電機發熱
電機運行時,電機的內部損失全部變成熱量,電機發熱。
特別是單相電容運行型電機,負荷率低時發熱高,根據條件有時在運行中電機外罩溫度會超過90°C,但並非異常。
如果不小心碰到電機或將可燃物放置在附近,可能會導衹意外事故,請充分註意。







































