技術資料大型输送鏈條選型
9.作用在鏈條上的張力的計算方法
運行中作用於輸送鏈的靜態最大張力T max可由表3計算。
表3的鏈張力T的公式以質量M (重量) ×摩擦係數為基礎,求出了傳送帶整體的張力。
當高速輸送機突然啟動或停止,或推桿式輸送機突然移動搬運物時,慣性力會變得非常大。在這種情況下,計算鏈條張力和所需功率時,應考慮慣性力的影響。
計算公式同時記載了SI單位和重力單位。按重力單位計算張力T時,重力單位的重量 (kgf) 等於SI單位的質量 (kg) 。
9.1術語說明
| SI單位 | 重力單位 | ||
|---|---|---|---|
| TMAX | 作用在鏈上的最大靜態張力 | kN | {kgf} |
| T'MAX | 修正鏈張力 | kN | {kgf} |
| T | 作用在鏈上的靜態張力 | kN | {kgf} |
| Q | 可能的最大運輸量 | t/h | {tf/h} |
| V | 傳送速度 (鏈速度) | m/min | m/min |
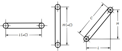
| H | 鏈輪中心距離 (垂直) | m | m |
| L | 鏈輪中心距離 (水平) | m | m |
| C | 鏈輪中心距 | m | m |
| M | 運行部的質量{重量} (鏈條×條數、桶、圍裙等的質量{重量}) |
kg/m | {kgf/m} |
| f1 | 鏈條與導軌之間的摩擦係數(表5,表6) | ||
| f2 | 搬運物與底板和側板之間的滑動摩擦係數(表 7) | ||
| f | 直接裝載時f=1刮運時f=f2/f1 | ||
| g | 重力加速度9.80665m/s 2 | ||
| W | 搬運物質量(重量) 散料 (不可數) W=16.7 * ×Q/V {W=16.7*×Q/V} 可數的輸送物 W =搬運物量(kg/件)/ 裝載間隔(m) {W =搬運物重量(kgf/件)/ 裝載間隔(m)} |
kg/m | {kgf/m} |
註:用於將每米鏈條上散料 (不可數)的質量(重量)換算成質量的係數為 16.7 = 1000/60
*如果經常進行正向和反向操作,鏈條需要透過收緊裝置進行收緊,因此計算公式將與下面的公式不同。
如果您要透過收緊裝置來消除鏈條中的鬆弛,請使用此處 Q&A6 中的計算公式。
9.2鏈條張力計算 (表3)
| SI單位 | {重力單位} | |||||||||||||||||||||||||||||||||||||||||||||||||||||
|---|---|---|---|---|---|---|---|---|---|---|---|---|---|---|---|---|---|---|---|---|---|---|---|---|---|---|---|---|---|---|---|---|---|---|---|---|---|---|---|---|---|---|---|---|---|---|---|---|---|---|---|---|---|---|
|
水平交貨
T1 = 1.35 ※1 × M × L1 × g 1000 ......kN T2 = ( L - L1) × M × f1 × g 1000 + T1 ......kN T3 = 1.1 ※2 × T2 ......kN TMAX = (W × f + M ) × L × f1 × g 1000 + T3 ......kN T1 = 1.35 × M × L1 ......{kgf} T2 = ( L - L1) × M × f1 + T1 ......{kgf} T3 = 1.1 × T2 ......{kgf} TMAX = (W × f + M ) × L × f1 + T3 ......{kgf}
|
||||||||||||||||||||||||||||||||||||||||||||||||||||||
|
水平交貨
T1 = 1.35 × M × L1× g 1000 + 0.1※ × M × L × g 1000 ......kN T2 = 1.1 × T1 ......kN TMAX = (W × f + M) × L × f1 × g 1000 + T2 ......kN T1 = 1.35 × M × L1 + 0.1※ × M × L ......{kgf} T2 = 1.1 × T1 ......{kgf} TMAX = (W × f + M) × L × f1 ......{kgf}
|
||||||||||||||||||||||||||||||||||||||||||||||||||||||
|
垂直傳送
TMAX = (W + M) × H × g 1000 + WT 2 × g 1000 ......kN TMAX = (W + M) × H + WT 2 ......{kgf} |
||||||||||||||||||||||||||||||||||||||||||||||||||||||
|
傾斜輸送
T1 = M(Lf1 - H) × g 1000 ......kN 如果T1 < 0,則T2 = 0 T2 = 1.1 × T1 ......kN TMAX = W(Lf1 × f + H) × g 1000 + M(Lf1 + H) × g 1000 + T2 ......kN T1 = M(Lf1 - H) ......{kgf} 如果T1 < 0,則T2 = 0 T2 = 1.1 × T1 ......{kgf} TMAX = W(Lf1 × f + H) + M(Lf1 + H) + T2 ......{kgf} |
||||||||||||||||||||||||||||||||||||||||||||||||||||||
|
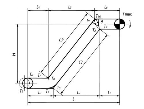
應用實例
T1= M × L1 × f1 × g 1000 ......kN T2= T1× Kc1 ......kN T3= M(L2f1 - H) × g 1000 + T2 ......kN T4= T3× Kc2 ......kN 如果 T 3 < 0,則 T 4 = 0 T5= M × L3 × f1 × g 1000 + T4 ......kN T6= 1.1 × T5 ......kN T7= (M + W × f) × L4 × f1 × g 1000 + T6 ......kN T8= T7× Kc3 ......kN T9= W(L5f1 × f + H) × g 1000 + M(L5f1 + H) × g 1000 + T8 ......kN T10 = T9× Kc4 ......kN TMAX = (M + W × f) × L6 × f1 × g 1000 + T10 ......kN 角係數Kc
T1 = M × L1 × f1 ......{kgf} T2 = T1 × Kc1 ......{kgf} T3 = M(L2f1 - H) + T2 ......{kgf} T4 = T3 × Kc2 ......{kgf} 如果 T 3 < 0,則 T 4 = 0 T5 = M × L3 × f1 + T4 ......{kgf} T6 = 1.1 × T5 ......{kgf} T7 = (M + W × f) × L4 × f1 + T6 ......{kgf} T8 = T7 × Kc3 ......{kgf} T9 = W(L5f1 × f + H) + M(L5f1 + H) + T8 ......{kgf} T10 = T9 × Kc4 ......{kgf} TMAX = (M + W × f) × L6 × f1 + T10 ......{kgf} |
||||||||||||||||||||||||||||||||||||||||||||||||||||||
|
倍速鏈條範例
TMAX = 2.1M(L1 + L2) f1 ×
g
1000
+ (W × L1 × f1) TMAX = 2.1M(L1 + L2) f1 + (W × L1 × f1) + (W1 × L2 × f3) ......{kgf}
|
||||||||||||||||||||||||||||||||||||||||||||||||||||||
|
用於計算所需動力的鏈條張力T為下式。 水平T=T MAX-T 1 垂直T=T MAX-MH× g 1000 斜率T=T MAX-M (H-Lf 1) x g 1000 T = TMAX - MH T = TMAX - M(H - Lf1)
·動力需求計算 1kW = 1kN・m/s kW = T × V 60 1kW = 102kgf・m/s kW = T × V 102 × 60 鏈條與鏈輪的嚙合,以及鏈輪的旋轉摩擦阻力等動力損失視為10%左右。(1/0.9=1.1) 設驅動部的傳動機械效率為η, kW = T × V 60 × 1.1 × 1 η kW = T × V 102 × 60 × 1.1 × 1 η |
||||||||||||||||||||||||||||||||||||||||||||||||||||||
表4.懸鏈張力圖

如何計算懸鏈張力
T1 = 1.35 × M × L1 × g 1000 ......kN
公式1.35為:。
當原子量為10%時δ=0.10L 1
根據上圖
δ
L 1
=0.10→
2T 1
ML 1
=2.7
T 1 =1.35×M×L 1 ×
g
1000
直鏈部分鏈長的求法
δ L1 = 0.10 → S L1 = 1.027
S = 1.027L1
表5. 鏈條與導軌之間的滾動摩擦係數(室溫)f1
| 滾子直徑區分 (mm) |
潤滑狀態 | 潤滑油用完時 | ||
|---|---|---|---|---|
| R、F滾子 | S、M、N滾子 | R、F滾子 | S、M、N滾子 | |
| D<65 | 0.08 | 0.16 | 0.15 | 0.24 |
| 65≦D<100 | 0.08 | 0.15 | 0.14 | 0.23 |
| 100≦D | 0.08 | 0.14 | 0.13 | 0.22 |
| RF-214 (例外) | 0.12 | 0.15 | 0.18 | 0.22 |
註)
- 1.加油ISO VG100~150 (SAE30~40) 左右時
- 2.塵埃很少,常溫下室內氣氛的情況
- 3. 鏈條的頂部滾輪與搬運物的頂部滾輪和f1相同,與上述 R 滾子相同。
| 系列 | f1 |
|---|---|
| 塑膠滾子系列 | 0.08(免加油) |
| 軸承滾子系列 | 0.03 (潤滑狀態) |
| 針筒系列 | 0.14 (潤滑狀態)、0.21 (潤滑油耗盡) |
| EPC78 | 0.1 (潤滑狀態)、0.2 (水潤滑)、0.25 (潤滑油耗盡) |
表6. 鏈條與導軌之間的摩擦係數f1
| 搬運物溫度°C | 潤滑狀態 | 潤滑油耗盡 |
|---|---|---|
| 常溫~400 | 0.20 | 0.30 |
| 400~600 | 0.30 | 0.35 |
| 600~800 | 0.35 | 0.40 |
| 800~1000 | - | 0.45 |
表7.搬運物與底板與側板之間的摩擦係數f2
| 搬運物 | f2 | 表觀比重 |
|---|---|---|
| 刻度 | 0.67 | 1.54 |
| 赤鐵礦 | 0.47 | 2.99 |
| 黃鐵礦 | 0.58 | 1.54 |
| 鐵渣 | 0.48 | 0.90 |
| 廢料 | 0.73 | 0.54 |
| 鉛礦粉 | 0.77 | 3.26 |
| 鋅礦粉 | 0.79 | 1.93 |
| 鎳礦粉 | 0.45 | 0.92 |
| 鉻礦粉 | 0.51 | 1.14 |
| 氧化鋁 | 0.55 | 0.83 |
| 氧化鎂 | 0.84 | 1.48 |
| 石膏 | 0.64 | 0.77 |
| 石英粉 | 0.55 | 1.24 |
| 長石 | 0.55 | 1.36 |
| 白雲石 | 0.55 | 1.62 |
| 粘土 | 0.63 | 0.77 |
| 鑄砂 | 0.41 | 1.59 |
| 磷礦石 | 0.42 | 1.51 |
| 生石灰 | 0.46 | 1.53 |
| 消石灰 | 0.63 | 0.69 |
| 石棉 | 0.58 | 0.19 |
| 石灰石 | 0.47 | 0.35~0.55 |
| 水泥 | 0.54 | 0.60~0.75 |
| 水泥熟料 | 0.46 | 1.30 |
| 木炭 | 0.41 | 0.44 |
| 碳 | 0.53 | 0.30 |
| 節距 | 0.41 | 0.70 |
| 純堿 | 0.45 | 0.52 |
| 明礬 | 0.63 | 1.01 |
| 聚乙烯 | 0.52 | 0.34 |
| 膠粉 | 0.53 | 0.39 |
| 肥皂原料 | 0.27 | 0.65 |
| 尿素 | 0.63 | 0.64 |
| 氯化氨 | 0.79 | 0.67 |
| 氯化鈣 | 0.43 | 0.68 |
| 硫化鈣 | 0.64 | 1.01 |
| 碳酸鈣 | 0.49 | 0.88 |
| 木屑 | 0.74 | 0.36 |
| 大米 | 0.4 | 0.77 |
| 大麥 | 0.71 | 0.39 |
| 小麥 | 0.43 | 0.73 |
| 大豆 | 0.41 | 0.68 |
| 玉米 | 0.4 | 0.71 |
| 澱粉 | 0.57 | 0.71 |
| 砂糖 | 0.47 | 0.68 |
| 巖鹽 | 0.57 | 1.09 |
| 混合飼料 | 0.5 | 0.55 |
| 煤 | - | 0.30~0.70 |
| 焦炭 | - | 0.30~0.70 |
註)上述值會因幹燥、潮濕而有所變化。
