水處理用輸送機鏈輪BF型
驅動用BF鏈型鏈輪。
特性
- 備有兩割 (C割形)、替齒式 (環形替齒) 系列,大幅縮短更換工時,無需分解軸,僅更換鏈輪或磨損部,減少零件成本和廢棄物,為提高維護效率、降低成本、減少廢棄物做贡獻。
產品目錄、使用說明書
型號表示例
BF鏈輪
| BF120N | - | 1C | 15T | Q | - | TS |
| | 適用鏈條尺寸 |
| | | |
| 齒數 |
| 齒頂硬化處理 |
| 款式 無記號:一體式 TS:一體2割式 (C割式) RK:替換齒圈 (D割式) |
||
| 列數和輪轂類型 |
||||||
- 1.請從下表中選擇鏈輪的形狀類型。
-
結構 規格代號 一體式 無符號 一體2割 (C割形) TS 齒狀塊替牙 BK 環置齒 (D型) RK - 2.材質組合如下表所示。
-
*如果牙齒材料為 SCS2 或 FCD600,齒頂經過硬化處理。 結構 材質 輪轂部、臂部 鑄件結構 SCS2、FCD600、SCS13 焊接結構 SS400+S25C (輪轂和臂) 齒部 一體式·TS (C型) SCS2或FCD600 RK (D型) 選擇SCS2或樹脂制。 BK (牙形阻滯替牙) SCS2 - 3.左右輪轂長度的分配不同時,請註明各尺寸。
- 4. 塗裝規格會因您指定的政府機構而異,因此請務必在提供指示之前參考客戶的規格。
對於底孔,我們的標準規格是塗上一層富鋅底漆;而對於成品孔,則是塗一層富鋅底漆,再塗兩層環氧樹脂。
樹脂、SCS13 和 300 系列不鏽鋼均未上漆。所有零件的軸孔和輪轂端面均塗覆預浸油。 - 5.為了明確規格,請用圖紙等指示。
商品一覽表
- 【產品註意事項】
- - 訂購時,請註明驅動軸直徑、鍵尺寸、從動軸套筒外徑尺寸和輪轂尺寸。
・以上列出了標準齒數,但我們也可以生產其他齒數的齒輪。如有需要,請另行與我們聯絡。
- 如果鏈輪材質為300系列不鏽鋼或樹脂,則鏈輪將採用特殊規格。
・對於角形輪轂組裝,請指定精加工孔的尺寸。精加工孔的最大軸徑為160mm。
・ 所示尺寸僅供參考,非標準產品尺寸。詢價時,請註明每件產品的尺寸和齒數,或附上圖紙。
・所列尺寸為公稱尺寸,可能與實際尺寸有所不同。
- 齒數為 25 顆或以下時,僅提供 C 型。
| 一體式 | 一體2割 (C割形) | 環置齒 (D型) |
|---|---|---|
![]() |
![]() |
![]() |
BF型 (BF型鏈的信息這裡)
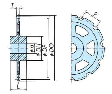
| 適用鏈條尺寸 | 鏈輪型號 | 類型 | 間距 P |
齒數 | 外徑 ΦDO |
節距圓 直徑 ΦDP |
齒寬 T |
輪轂尺寸 (參考值) | 底孔 d (參考值) |
軸徑 (參考值) |
約 質量 kg |
DXF圖形 3D CAD數據 |
PDF圖紙 | |
|---|---|---|---|---|---|---|---|---|---|---|---|---|---|---|
| 直徑ΦDH | 長L | |||||||||||||
| BF120N | BF120N-1C15TQ | 一體式 | 38.1 | 15 | 202 | 183.25 | 24 | 110 | 100 | 55 | 65 | 9 | DXF・3DCAD | 請咨詢 |
| BF120N-1C23TQ | 38.1 | 23 | 300 | 279.8 | 24 | 120 | 100 | 55 | 75 | 17 | DXF・3DCAD | 請咨詢 | ||
| BF120N-1C40TQ | 38.1 | 40 | 507 | 485.6 | 24 | 170 | 130 | 80 | 105 | 49 | DXF・3DCAD | 請咨詢 | ||
| BF120N-1C45TQ | 38.1 | 45 | 568 | 546.19 | 24 | 170 | 130 | 75 | 105 | 50 | DXF・3DCAD | 請咨詢 | ||
| BF120N-1C40TQ-TS | 一體2割 (C割形) | 38.1 | 40 | 507 | 485.6 | 24 | 170 | 130 | 80 | 105 | 49 | 請咨詢 | 請咨詢 | |
| BF120N-1C45TQ-TS | 38.1 | 45 | 568 | 546.19 | 24 | 170 | 130 | 75 | 105 | 50 | 請咨詢 | 請咨詢 | ||
| BF120N-1C40TQ-RK | 環置齒 (D型) | 38.1 | 40 | 507 | 485.6 | 24 | 170 | 130 | 80 | 105 | 49 | 請咨詢 | 請咨詢 | |
| BF120N-1C45TQ-RK | 38.1 | 45 | 568 | 546.19 | 24 | 170 | 130 | 75 | 105 | 50 | 請咨詢 | 請咨詢 | ||
| BF140 | BF140-1C11TQ | 一體式 | 44.45 | 11 | 178 | 157.78 | 24 | 100 | 100 | 40 | 60 | 8 | DXF・3DCAD | 請咨詢 |
| BF140-1C23TQ | 44.45 | 23 | 350 | 326.44 | 24 | 120 | 100 | 55 | 70 | 21 | DXF・3DCAD | 請咨詢 | ||
| BF140-1C35TQ | 44.45 | 35 | 521 | 495.88 | 24 | 150 | 100 | 50 | 90 | 45 | DXF・3DCAD | 請咨詢 | ||
| BF140-1C40TQ | 44.45 | 40 | 591 | 566.54 | 24 | 170 | 110 | 60 | 105 | 60 | DXF・3DCAD | 請咨詢 | ||
| BF140-1C45TQ | 44.45 | 45 | 662 | 637.22 | 24 | 170 | 110 | 60 | 105 | 73 | DXF・3DCAD | 請咨詢 | ||
| BF140-1C50TQ | 44.45 | 50 | 733 | 707.91 | 24 | 170 | 110 | 60 | 105 | 87 | DXF・3DCAD | 請咨詢 | ||
| BF140-1C35TQ-TS | 一體2割 (C割形) | 44.45 | 35 | 521 | 495.88 | 24 | 150 | 100 | 50 | 90 | 45 | 請咨詢 | 請咨詢 | |
| BF140-1C40TQ-TS | 44.45 | 40 | 591 | 566.54 | 24 | 170 | 110 | 60 | 105 | 60 | 請咨詢 | 請咨詢 | ||
| BF140-1C45TQ-TS | 44.45 | 45 | 662 | 637.22 | 24 | 170 | 110 | 60 | 105 | 73 | 請咨詢 | 請咨詢 | ||
| BF140-1C50TQ-TS | 44.45 | 50 | 733 | 707.91 | 24 | 170 | 110 | 60 | 105 | 87 | 請咨詢 | 請咨詢 | ||
| BF140-1C35TQ-RK | 環置齒 (D型) | 44.45 | 35 | 521 | 495.88 | 24 | 150 | 100 | 50 | 90 | 45 | 請咨詢 | 請咨詢 | |
| BF140-1C40TQ-RK | 44.45 | 40 | 591 | 566.54 | 24 | 170 | 110 | 60 | 105 | 60 | 請咨詢 | 請咨詢 | ||
| BF140-1C45TQ-RK | 44.45 | 45 | 662 | 637.22 | 24 | 170 | 110 | 60 | 105 | 73 | 請咨詢 | 請咨詢 | ||
| BF140-1C50TQ-RK | 44.45 | 50 | 733 | 707.91 | 24 | 170 | 110 | 60 | 105 | 87 | 請咨詢 | 請咨詢 | ||
| BF140E | BF140E-1C11TQ | 一體式 | 44.45 | 11 | 178 | 157.78 | 24 | 100 | 100 | 40 | 60 | 8 | DXF・3DCAD | 請咨詢 |
| BF140E-1C23TQ | 44.45 | 23 | 350 | 326.44 | 24 | 120 | 100 | 55 | 70 | 21 | DXF・3DCAD | 請咨詢 | ||
| BF140E-1C35TQ | 44.45 | 35 | 521 | 495.88 | 24 | 150 | 100 | 50 | 90 | 45 | DXF・3DCAD | 請咨詢 | ||
| BF140E-1C40TQ | 44.45 | 40 | 591 | 566.54 | 24 | 170 | 110 | 60 | 105 | 60 | DXF・3DCAD | 請咨詢 | ||
| BF140E-1C45TQ | 44.45 | 45 | 662 | 637.22 | 24 | 170 | 110 | 60 | 105 | 73 | DXF・3DCAD | 請咨詢 | ||
| BF140E-1C50TQ | 44.45 | 50 | 733 | 707.91 | 24 | 170 | 110 | 60 | 105 | 87 | DXF・3DCAD | 請咨詢 | ||
| BF140E-1C35TQ-TS | 一體2割 (C割形) | 44.45 | 35 | 521 | 495.88 | 24 | 150 | 100 | 50 | 90 | 45 | 請咨詢 | 請咨詢 | |
| BF140E-1C40TQ-TS | 44.45 | 40 | 591 | 566.54 | 24 | 170 | 110 | 60 | 105 | 60 | 請咨詢 | 請咨詢 | ||
| BF140E-1C45TQ-TS | 44.45 | 45 | 662 | 637.22 | 24 | 170 | 110 | 60 | 105 | 73 | 請咨詢 | 請咨詢 | ||
| BF140E-1C50TQ-TS | 44.45 | 50 | 733 | 707.91 | 24 | 170 | 110 | 60 | 105 | 87 | 請咨詢 | 請咨詢 | ||
| BF140E-1C35TQ-RK | 環置齒 (D型) | 44.45 | 35 | 521 | 495.88 | 24 | 150 | 100 | 50 | 90 | 45 | 請咨詢 | 請咨詢 | |
| BF140E-1C40TQ-RK | 44.45 | 40 | 591 | 566.54 | 24 | 170 | 110 | 60 | 105 | 60 | 請咨詢 | 請咨詢 | ||
| BF140E-1C45TQ-RK | 44.45 | 45 | 662 | 637.22 | 24 | 170 | 110 | 60 | 105 | 73 | 請咨詢 | 請咨詢 | ||
| BF140E-1C50TQ-RK | 44.45 | 50 | 733 | 707.91 | 24 | 170 | 110 | 60 | 105 | 87 | 請咨詢 | 請咨詢 | ||
| BF160 | BF160-1C11TQ | 一體式 | 50.8 | 11 | 203 | 180.31 | 30 | 115 | 120 | 40 | 70 | 12 | DXF・3DCAD | 請咨詢 |
| BF160-1C17TQ | 50.8 | 17 | 302 | 276.46 | 30 | 130 | 120 | 65 | 80 | 18 | DXF・3DCAD | 請咨詢 | ||
| BF160-1C23TQ | 50.8 | 23 | 400 | 373.07 | 30 | 130 | 120 | 55 | 80 | 29 | DXF・3DCAD | 請咨詢 | ||
| BF160-1C25TQ | 50.8 | 25 | 433 | 405.32 | 30 | 190 | 170 | 80 | 115 | 55 | DXF・3DCAD | 請咨詢 | ||
| BF160-1C30TQ | 50.8 | 30 | 514 | 485.99 | 30 | 170 | 110 | 60 | 105 | 55 | DXF・3DCAD | 請咨詢 | ||
| BF160-1C35TQ | 50.8 | 35 | 595 | 566.71 | 30 | 170 | 110 | 60 | 105 | 71 | DXF・3DCAD | 請咨詢 | ||
| BF160-1C40TQ | 50.8 | 40 | 676 | 647.47 | 30 | 200 | 130 | 70 | 125 | 98 | DXF・3DCAD | 請咨詢 | ||
| BF160-1C45TQ | 50.8 | 45 | 757 | 728.25 | 30 | 200 | 130 | 70 | 125 | 119 | DXF・3DCAD | 請咨詢 | ||
| BF160-1C50TQ | 50.8 | 50 | 838 | 809.04 | 30 | 200 | 130 | 70 | 125 | 142 | DXF・3DCAD | 請咨詢 | ||
| BF160-1C25TQ-TS | 一體2割 (C割形) | 50.8 | 25 | 433 | 405.32 | 30 | 190 | 170 | 80 | 115 | 55 | 請咨詢 | 請咨詢 | |
| BF160-1C30TQ-TS | 50.8 | 30 | 514 | 485.99 | 30 | 170 | 110 | 60 | 105 | 55 | 請咨詢 | 請咨詢 | ||
| BF160-1C35TQ-TS | 50.8 | 35 | 595 | 566.71 | 30 | 170 | 110 | 60 | 105 | 71 | 請咨詢 | 請咨詢 | ||
| BF160-1C40TQ-TS | 50.8 | 40 | 676 | 647.47 | 30 | 200 | 130 | 70 | 125 | 98 | 請咨詢 | 請咨詢 | ||
| BF160-1C45TQ-TS | 50.8 | 45 | 757 | 728.25 | 30 | 200 | 130 | 70 | 125 | 119 | 請咨詢 | 請咨詢 | ||
| BF160-1C50TQ-TS | 50.8 | 50 | 838 | 809.04 | 30 | 200 | 130 | 70 | 125 | 142 | 請咨詢 | 請咨詢 | ||
| BF160-1C25TQ-RK | 環置齒 (D型) | 50.8 | 25 | 433 | 405.32 | 30 | 190 | 170 | 80 | 115 | 55 | 請咨詢 | 請咨詢 | |
| BF160-1C30TQ-RK | 50.8 | 30 | 514 | 485.99 | 30 | 170 | 110 | 60 | 105 | 55 | 請咨詢 | 請咨詢 | ||
| BF160-1C35TQ-RK | 50.8 | 35 | 595 | 566.71 | 30 | 170 | 110 | 60 | 105 | 71 | 請咨詢 | 請咨詢 | ||
| BF160-1C40TQ-RK | 50.8 | 40 | 676 | 647.47 | 30 | 200 | 130 | 70 | 125 | 98 | 請咨詢 | 請咨詢 | ||
| BF160-1C45TQ-RK | 50.8 | 45 | 757 | 728.25 | 30 | 200 | 130 | 70 | 125 | 119 | 請咨詢 | 請咨詢 | ||
| BF160-1C50TQ-RK | 50.8 | 50 | 838 | 809.04 | 30 | 200 | 130 | 70 | 125 | 142 | 請咨詢 | 請咨詢 | ||
| BF160E | BF160E-1C11TQ | 一體式 | 50.8 | 11 | 203 | 180.31 | 30 | 115 | 120 | 40 | 70 | 12 | DXF・3DCAD | 請咨詢 |
| BF160E-1C17TQ | 50.8 | 17 | 302 | 276.46 | 30 | 130 | 120 | 65 | 80 | 18 | DXF・3DCAD | 請咨詢 | ||
| BF160E-1C23TQ | 50.8 | 23 | 400 | 373.07 | 30 | 130 | 120 | 55 | 80 | 29 | DXF・3DCAD | 請咨詢 | ||
| BF160E-1C25TQ | 50.8 | 25 | 433 | 405.32 | 30 | 190 | 170 | 80 | 115 | 55 | DXF・3DCAD | 請咨詢 | ||
| BF160E-1C30TQ | 50.8 | 30 | 514 | 485.99 | 30 | 170 | 110 | 60 | 105 | 55 | DXF・3DCAD | 請咨詢 | ||
| BF160E-1C35TQ | 50.8 | 35 | 595 | 566.71 | 30 | 170 | 110 | 60 | 105 | 71 | DXF・3DCAD | 請咨詢 | ||
| BF160E-1C40TQ | 50.8 | 40 | 676 | 647.47 | 30 | 200 | 130 | 70 | 125 | 98 | DXF・3DCAD | 請咨詢 | ||
| BF160E-1C45TQ | 50.8 | 45 | 757 | 728.25 | 30 | 200 | 130 | 70 | 125 | 119 | DXF・3DCAD | 請咨詢 | ||
| BF160E-1C50TQ | 50.8 | 50 | 838 | 809.04 | 30 | 200 | 130 | 70 | 125 | 142 | DXF・3DCAD | 請咨詢 | ||
| BF160E-1C25TQ-TS | 一體2割 (C割形) | 50.8 | 25 | 433 | 405.32 | 30 | 190 | 170 | 80 | 115 | 55 | 請咨詢 | 請咨詢 | |
| BF160E-1C30TQ-TS | 50.8 | 30 | 514 | 485.99 | 30 | 170 | 110 | 60 | 105 | 55 | 請咨詢 | 請咨詢 | ||
| BF160E-1C35TQ-TS | 50.8 | 35 | 595 | 566.71 | 30 | 170 | 110 | 60 | 105 | 71 | 請咨詢 | 請咨詢 | ||
| BF160E-1C40TQ-TS | 50.8 | 40 | 676 | 647.47 | 30 | 200 | 130 | 70 | 125 | 98 | 請咨詢 | 請咨詢 | ||
| BF160E-1C45TQ-TS | 50.8 | 45 | 757 | 728.25 | 30 | 200 | 130 | 70 | 125 | 119 | 請咨詢 | 請咨詢 | ||
| BF160E-1C50TQ-TS | 50.8 | 50 | 838 | 809.04 | 30 | 200 | 130 | 70 | 125 | 142 | 請咨詢 | 請咨詢 | ||
| BF160E-1C25TQ-RK | 環置齒 (D型) | 50.8 | 25 | 433 | 405.32 | 30 | 190 | 170 | 80 | 115 | 55 | 請咨詢 | 請咨詢 | |
| BF160E-1C30TQ-RK | 50.8 | 30 | 514 | 485.99 | 30 | 170 | 110 | 60 | 105 | 55 | 請咨詢 | 請咨詢 | ||
| BF160E-1C35TQ-RK | 50.8 | 35 | 595 | 566.71 | 30 | 170 | 110 | 60 | 105 | 71 | 請咨詢 | 請咨詢 | ||
| BF160E-1C40TQ-RK | 50.8 | 40 | 676 | 647.47 | 30 | 200 | 130 | 70 | 125 | 98 | 請咨詢 | 請咨詢 | ||
| BF160E-1C45TQ-RK | 50.8 | 45 | 757 | 728.25 | 30 | 200 | 130 | 70 | 125 | 119 | 請咨詢 | 請咨詢 | ||
| BF160E-1C50TQ-RK | 50.8 | 50 | 838 | 809.04 | 30 | 200 | 130 | 70 | 125 | 142 | 請咨詢 | 請咨詢 | ||
| BF200 | BF200-1C11TQ | 一體式 | 63.5 | 11 | 254 | 225.39 | 36 | 145 | 120 | 50 | 85 | 21 | DXF・3DCAD | 請咨詢 |
| BF200-1C24TQ | 63.5 | 24 | 520 | 486.49 | 36 | 160 | 110 | 70 | 95 | 61 | DXF・3DCAD | 請咨詢 | ||
| BF200-1C35TQ | 63.5 | 35 | 744 | 708.39 | 36 | 250 | 160 | 90 | 155 | 150 | DXF・3DCAD | 請咨詢 | ||
| BF200-1C40TQ | 63.5 | 40 | 845 | 809.34 | 36 | 250 | 160 | 90 | 155 | 185 | DXF・3DCAD | 請咨詢 | ||
| BF200-1C45TQ | 63.5 | 45 | 946 | 910.31 | 36 | 280 | 180 | 100 | 175 | 242 | DXF・3DCAD | 請咨詢 | ||
| BF200-1C35TQ-TS | 一體2割 (C割形) | 63.5 | 35 | 744 | 708.39 | 36 | 250 | 160 | 90 | 155 | 150 | 請咨詢 | 請咨詢 | |
| BF200-1C40TQ-TS | 63.5 | 40 | 845 | 809.34 | 36 | 250 | 160 | 90 | 155 | 185 | 請咨詢 | 請咨詢 | ||
| BF200-1C45TQ-TS | 63.5 | 45 | 946 | 910.31 | 36 | 280 | 180 | 100 | 175 | 242 | 請咨詢 | 請咨詢 | ||
| BF200-1C35TQ-RK | 環置齒 (D型) | 63.5 | 35 | 744 | 708.39 | 36 | 250 | 160 | 90 | 155 | 150 | 請咨詢 | 請咨詢 | |
| BF200-1C40TQ-RK | 63.5 | 40 | 845 | 809.34 | 36 | 250 | 160 | 90 | 155 | 185 | 請咨詢 | 請咨詢 | ||
| BF200-1C45TQ-RK | 63.5 | 45 | 946 | 910.31 | 36 | 280 | 180 | 100 | 175 | 242 | 請咨詢 | 請咨詢 | ||
| BF200E | BF200E-1C11TQ | 一體式 | 63.5 | 11 | 254 | 225.39 | 36 | 145 | 120 | 50 | 85 | 21 | DXF・3DCAD | 請咨詢 |
| BF200E-1C24TQ | 63.5 | 24 | 520 | 486.49 | 36 | 160 | 110 | 70 | 95 | 61 | DXF・3DCAD | 請咨詢 | ||
| BF200E-1C35TQ | 63.5 | 35 | 744 | 708.39 | 36 | 250 | 160 | 90 | 155 | 150 | DXF・3DCAD | 請咨詢 | ||
| BF200E-1C40TQ | 63.5 | 40 | 845 | 809.34 | 36 | 250 | 160 | 90 | 155 | 185 | DXF・3DCAD | 請咨詢 | ||
| BF200E-1C45TQ | 63.5 | 45 | 946 | 910.31 | 36 | 280 | 180 | 100 | 175 | 242 | DXF・3DCAD | 請咨詢 | ||
| BF200E-1C35TQ-TS | 一體2割 (C割形) | 63.5 | 35 | 744 | 708.39 | 36 | 250 | 160 | 90 | 155 | 150 | 請咨詢 | 請咨詢 | |
| BF200E-1C40TQ-TS | 63.5 | 40 | 845 | 809.34 | 36 | 250 | 160 | 90 | 155 | 185 | 請咨詢 | 請咨詢 | ||
| BF200E-1C45TQ-TS | 63.5 | 45 | 946 | 910.31 | 36 | 280 | 180 | 100 | 175 | 242 | 請咨詢 | 請咨詢 | ||
| BF200E-1C35TQ-RK | 環置齒 (D型) | 63.5 | 35 | 744 | 708.39 | 36 | 250 | 160 | 90 | 155 | 150 | 請咨詢 | 請咨詢 | |
| BF200E-1C40TQ-RK | 63.5 | 40 | 845 | 809.34 | 36 | 250 | 160 | 90 | 155 | 185 | 請咨詢 | 請咨詢 | ||
| BF200E-1C45TQ-RK | 63.5 | 45 | 946 | 910.31 | 36 | 280 | 180 | 100 | 175 | 242 | 請咨詢 | 請咨詢 | ||
| BF240 | BF240-1C11TQ | 一體式 | 76.2 | 11 | 305 | 270.47 | 45 | 150 | 120 | 50 | 90 | 29 | DXF・3DCAD | 請咨詢 |
| BF240-1C37TQ | 76.2 | 37 | 941 | 898.52 | 45 | 250 | 150 | 125 | 155 | 250 | DXF・3DCAD | 請咨詢 | ||
| BF240-1C40TQ | 76.2 | 40 | 1014 | 971.21 | 45 | 250 | 160 | 125 | 155 | 293 | DXF・3DCAD | 請咨詢 | ||
| BF240-1C37TQ-TS | 一體2割 (C割形) | 76.2 | 37 | 941 | 898.52 | 45 | 250 | 150 | 125 | 155 | 250 | 請咨詢 | 請咨詢 | |
| BF240-1C40TQ-TS | 76.2 | 40 | 1014 | 971.21 | 45 | 250 | 160 | 125 | 155 | 293 | 請咨詢 | 請咨詢 | ||
| BF240-1C37TQ-RK | 環置齒 (D型) | 76.2 | 37 | 941 | 898.52 | 45 | 250 | 150 | 125 | 155 | 250 | 請咨詢 | 請咨詢 | |
| BF240-1C40TQ-RK | 76.2 | 40 | 1014 | 971.21 | 45 | 250 | 160 | 125 | 155 | 293 | 請咨詢 | 請咨詢 | ||
お問合せ先について
ホームページからのお問合せ
中国語でのお問い合わせは、つばきグループホームページの問合せページを開きます。
英語でのお問い合わせは、つばきグループホームページの問合せページを開きます。




