汙泥攪拌機用鏈輪ACP型·ACR型·ACS型
水處理設施的沉澱池中使用的汙泥攪拌機用鏈輪。
特性
- 備齊了替齒式 (塊環替齒),大幅縮短了更換工時,無需分解軸只更換鏈輪或磨損部,降低了零件成本和廢棄物,為提高維護效率、降低成本、減少廢棄物做贡獻。
產品目錄、使用說明書
型號表示例
ACP鏈輪
| ACP04152 | - | 1C | 11T | - | RK |
| | 適用鏈條尺寸 |
| | | |
| 齒數 |
| 類型 無符號:一體式(角形輪毂組件式) RK:環形替換齒(D型分叉式) |
||
| 列數和輪轂類型 |
|||||
ACR鏈輪
| ACR810 | - | 1C | 11T | Q | - | BK |
| | 適用鏈條尺寸 |
| | | |
| 齒數 |
| 齒頂硬化處理 |
| 類型 無標記:一體式 BK:齒形鑲塊替換齒 RK:環形替換齒 (D型) |
||
| 列數和輪轂類型 |
||||||
ACS鏈輪
| ACS13078W | - | 1C | 11T | Q | - | BK |
| | 適用鏈條尺寸 |
| | | |
| 齒數 |
| 齒頂硬化處理 |
| 類型 無標記:一體式 BK:齒形鑲塊替換齒 RK:環形替換齒 (D型) |
||
| 列數和輪轂類型 |
||||||
- 1.請從下表中選擇鏈輪的形狀類型。
-
結構 規格代號 一體式 無符號 一體2割 (C割形) TS 齒狀塊替牙 BK 環置齒 (D型) RK - 2.材質組合如下表所示。
-
*如果牙齒材料為 SCS2 或 FCD600,齒頂經過硬化處理。 結構 材質 輪轂部、臂部 鑄件結構 SCS2、FCD600、SCS13 焊接結構 SS400+S25C (輪轂和臂) 齒部 一體式·TS (C型) SCS2或FCD600 RK (D型) 選擇SCS2或樹脂制。 BK (牙形阻滯替牙) SCS2 - 3.左右輪轂長度的分配不同時,請註明各尺寸。
- 4. 塗裝規格會因您指定的政府機構而異,因此請務必在提供指示之前參考客戶的規格。
對於底孔,我們的標準規格是塗上一層富鋅底漆;而對於成品孔,則是塗一層富鋅底漆,再塗兩層環氧樹脂。
樹脂、SCS13 和 300 系列不鏽鋼均未上漆。所有零件的軸孔和輪轂端面均塗覆預浸油。 - 5.為了明確規格,請用圖紙等指示。
商品一覽表
- 【產品註意事項】
- - 訂購時,請註明驅動軸直徑、鍵尺寸、從動軸套筒外徑尺寸和輪轂尺寸。
・以上列出了標準齒數,但我們也可以生產其他齒數的齒輪。如有需要,請另行與我們聯絡。
- 如果鏈輪材質為300系列不鏽鋼或樹脂,則鏈輪將採用特殊規格。
・對於角形輪轂組裝,請指定精加工孔的尺寸。精加工孔的最大軸徑為160mm。
・ 所示尺寸僅供參考,非標準產品尺寸。詢價時,請註明每件產品的尺寸和齒數,或附上圖紙。
・所列尺寸為公稱尺寸,可能與實際尺寸有所不同。
- 齒數為 25 顆或以下時,僅提供 C 型。
| 一體式 | 一體式(角形輪毂組件式) | 齒狀塊替牙 | 環置齒 (D型) |
|---|---|---|---|
![]() |
![]() |
![]() |
![]() |
ACP型 (ACP型鏈的信息這裡)
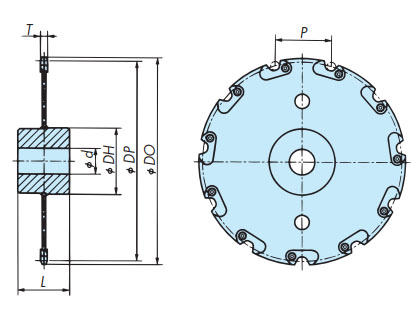
| 適用鏈條尺寸 | 鏈輪型號 | 類型 | 間距 P |
齒數 | 外徑 ΦDO |
節距圓 直徑 ΦDP |
齒寬 T |
輪轂尺寸 (參考值) | 底孔 d (參考值) |
軸徑 (參考值) |
約 質量 kg |
DXF圖形 3D CAD數據 |
PDF圖紙 | |
|---|---|---|---|---|---|---|---|---|---|---|---|---|---|---|
| 直徑ΦDH | 長L | |||||||||||||
| ACP04152 | ACP04152-1C11T | 角形輪毂一體式 | 152.4 | 11 | 575 | 540.9 | 28 | 240 | 140 | - | - | - | DXF・3DCAD | 請咨詢 |
| ACP04152P | ACP04152P-1C11T | 環置齒 (牙樹脂) | 152.4 | 11 | 575 | 540.9 | 28 | 210 | 140 | 90 | 130 | 64 | 請咨詢 | 請咨詢 |
ACR型 (ACR型鏈的信息這裡)
| 適用鏈條尺寸 | 鏈輪型號 | 類型 | 間距 P |
齒數 | 外徑 ΦDO |
節距圓 直徑 ΦDP |
齒寬 T |
輪轂尺寸 (參考值) | 底孔 d (參考值) |
軸徑 (參考值) |
約 質量 kg |
DXF圖形 3D CAD數據 |
PDF圖紙 | |
|---|---|---|---|---|---|---|---|---|---|---|---|---|---|---|
| 直徑ΦDH | 長L | |||||||||||||
| ACR810 | ACR810-1C11TQ | 一體式 | 152.4 | 11 | 565 | 540.9 | 18 | 210 | 140 | 90 | 130 | 47 | DXF・3DCAD | 請咨詢 |
| ACR810-1C11TQ-BK | 塊替牙 | 152.4 | 11 | 565 | 540.9 | 18 | 210 | 140 | 90 | 130 | 47 | DXF・3DCAD | 請咨詢 | |
| ACR810-1C11TQ-RK | 環置齒 (D型) | 152.4 | 11 | 565 | 540.9 | 18 | 210 | 140 | 90 | 130 | 47 | 請咨詢 | 請咨詢 | |
| ACR810SS | ACR810SS-1C11TQ | 一體式 | 152.4 | 11 | 565 | 540.9 | 18 | 200 | 130 | 80 | 125 | 55 | DXF・3DCAD | 請咨詢 |
| ACR810SS-1C11TQ-BK | 塊替牙 | 152.4 | 11 | 565 | 540.9 | 18 | 200 | 130 | 80 | 125 | 55 | DXF・3DCAD | 請咨詢 | |
| ACR810SS-1C11TQ-RK | 環置齒 (D型) | 152.4 | 11 | 565 | 540.9 | 18 | 200 | 130 | 80 | 125 | 55 | 請咨詢 | 請咨詢 | |
| ACR815 | ACR815-1C11TQ | 一體式 | 152.4 | 11 | 567 | 540.9 | 22 | 210 | 140 | 90 | 130 | 53 | DXF・3DCAD | 請咨詢 |
| ACR815-1C11TQ-BK | 塊替牙 | 152.4 | 11 | 567 | 540.9 | 22 | 210 | 140 | 90 | 130 | 53 | DXF・3DCAD | 請咨詢 | |
| ACR815-1C11TQ-RK | 環置齒 (D型) | 152.4 | 11 | 567 | 540.9 | 22 | 210 | 140 | 90 | 130 | 53 | 請咨詢 | 請咨詢 | |
| ACR816 | ACR816-1C11TQ | 一體式 | 152.4 | 11 | 566 | 540.9 | 22 | 210 | 140 | 90 | 130 | 53 | DXF・3DCAD | 請咨詢 |
| ACR816-1C11TQ-BK | 塊替牙 | 152.4 | 11 | 566 | 540.9 | 22 | 210 | 140 | 90 | 130 | 53 | 請咨詢 | 請咨詢 | |
| ACR816-1C11TQ-RK | 環置齒 (D型) | 152.4 | 11 | 566 | 540.9 | 22 | 210 | 140 | 90 | 130 | 53 | 請咨詢 | 請咨詢 | |
| ACR819 | ACR819-1C11TQ | 一體式 | 152.4 | 11 | 570 | 540.9 | 22 | 210 | 140 | 90 | 130 | 53 | DXF・3DCAD | 請咨詢 |
| ACR819-1C11TQ-BK | 塊替牙 | 152.4 | 11 | 570 | 540.9 | 22 | 210 | 140 | 90 | 130 | 53 | DXF・3DCAD | 請咨詢 | |
| ACR819-1C11TQ-RK | 環置齒 (D型) | 152.4 | 11 | 570 | 540.9 | 22 | 210 | 140 | 90 | 130 | 53 | 請咨詢 | 請咨詢 | |
ACS型 (ACS型鏈信息此處)
| 適用鏈條尺寸 | 鏈輪型號 | 類型 | 間距 P |
齒數 | 外徑 ΦDO |
節距圓 直徑 ΦDP |
齒寬 T |
輪轂尺寸 (參考值) | 底孔 d (參考值) |
軸徑 (參考值) |
約 質量 kg |
DXF圖形 3D CAD數據 |
PDF圖紙 | |
|---|---|---|---|---|---|---|---|---|---|---|---|---|---|---|
| 直徑ΦDH | 長L | |||||||||||||
| ACS13078W | ACS13078W-1C11TQ | 一體式 | 78.11 | 11 | 300 | 277.3 | 22 | 140 | 110 | 60 | 85 | 15 | DXF・3DCAD | 請咨詢 |
| ACS13078W-1C11TQ-BK | 塊替牙 | 78.11 | 11 | 300 | 277.3 | 22 | 140 | 110 | 60 | 85 | 15 | 請咨詢 | 請咨詢 | |
| ACS13078W-1C11TQ-RK | 環形替換齒 | 78.11 | 11 | 300 | 277.3 | 22 | 140 | 110 | 60 | 85 | 15 | 請咨詢 | 請咨詢 | |
| ACS13103W | ACS13103W-1C11TQ | 一體式 | 103.2 | 11 | 390 | 366.3 | 22 | 150 | 110 | 50 | 90 | 22 | DXF・3DCAD | 請咨詢 |
| ACS13103W-1C11TQ-BK | 塊替牙 | 103.2 | 11 | 390 | 366.3 | 22 | 150 | 110 | 50 | 90 | 22 | DXF・3DCAD | 請咨詢 | |
| ACS13103W-1C11TQ-RK | 環形替換齒 | 103.2 | 11 | 390 | 366.3 | 22 | 150 | 110 | 50 | 90 | 22 | 請咨詢 | 請咨詢 | |
| ACS13152W | ACS13152W-1C11TQ | 一體式 | 152.4 | 11 | 565 | 540.9 | 22 | 150 | 130 | 60 | 90 | 36 | DXF・3DCAD | 請咨詢 |
| ACS13152W-1C11TQ-BK | 塊替牙 | 152.4 | 11 | 565 | 540.9 | 22 | 150 | 130 | 60 | 90 | 36 | DXF・3DCAD | 請咨詢 | |
| ACS13152W-1C11TQ-RK | 環形替換齒 | 152.4 | 11 | 565 | 540.9 | 22 | 150 | 130 | 60 | 90 | 36 | 請咨詢 | 請咨詢 | |
| ACS15152W | ACS15152W-1C11TQ | 一體式 | 152.4 | 11 | 565 | 540.9 | 22 | 170 | 130 | 60 | 105 | 44 | DXF・3DCAD | 請咨詢 |
| ACS15152W-1C11TQ-BK | 塊替牙 | 152.4 | 11 | 565 | 540.9 | 22 | 170 | 130 | 60 | 105 | 44 | DXF・3DCAD | 請咨詢 | |
| ACS15152W-1C11TQ-RK | 環形替換齒 | 152.4 | 11 | 565 | 540.9 | 22 | 170 | 130 | 60 | 105 | 44 | 請咨詢 | 請咨詢 | |
| ACS19152W | ACS19152W-1C11TQ | 一體式 | 152.4 | 11 | 565 | 540.9 | 25 | 210 | 140 | 80 | 130 | 51 | DXF・3DCAD | 請咨詢 |
| ACS19152W-1C11TQ-BK | 塊替牙 | 152.4 | 11 | 565 | 540.9 | 25 | 210 | 140 | 80 | 130 | 51 | DXF・3DCAD | 請咨詢 | |
| ACS19152W-1C11TQ-RK | 環形替換齒 | 152.4 | 11 | 565 | 540.9 | 25 | 210 | 140 | 80 | 130 | 51 | 請咨詢 | 請咨詢 | |
| ACS25152W | ACS25152W-1C11TQ | 一體式 | 152.4 | 11 | 570 | 540.9 | 25 | 210 | 140 | 80 | 130 | 51 | DXF・3DCAD | 請咨詢 |
| ACS25152W-1C11TQ-BK | 塊替牙 | 152.4 | 11 | 570 | 540.9 | 25 | 210 | 140 | 80 | 130 | 51 | DXF・3DCAD | 請咨詢 | |
| ACS25152W-1C11TQ-RK | 環形替換齒 | 152.4 | 11 | 570 | 540.9 | 25 | 210 | 140 | 80 | 130 | 51 | 請咨詢 | 請咨詢 | |
| ACS35152W | ACS35152W-1C11TQ | 一體式 | 152.4 | 11 | 570 | 540.9 | 32 | 210 | 140 | 80 | 130 | 62 | DXF・3DCAD | 請咨詢 |
| ACS35152W-1C11TQ-BK | 塊替牙 | 152.4 | 11 | 570 | 540.9 | 32 | 210 | 140 | 80 | 130 | 62 | DXF・3DCAD | 請咨詢 | |
| ACS35152W-1C11TQ-RK | 環形替換齒 | 152.4 | 11 | 570 | 540.9 | 32 | 210 | 140 | 80 | 130 | 62 | 請咨詢 | 請咨詢 | |
お問合せ先について
ホームページからのお問合せ
中国語でのお問い合わせは、つばきグループホームページの問合せページを開きます。
英語でのお問い合わせは、つばきグループホームページの問合せページを開きます。





