プラトップ®チェーン カーブドアキュムレーションチェーンTP-36UTW-LAP形 主要諸元

TP-36UTW-LAP


特性

  • ·通過滾子的滾動減輕線路壓力。
  • ・ローラと搬送物との摩擦係数は0.07です。
  • ·適用於交貨累加的生產線。

單擊放大
PDF外形圖

請咨詢

DXF圖形數據

請參照下表
(點擊此處查看DXF數據一覽表)

主要規格、價格、交貨期

鏈節距(mm) 後彎半徑mm
36 160
累積感
鏈條符號
(點擊可表示每個規格
的詳細。 )
材質 外観色 最大許容張力
kN
容許速度
m/min
使用溫度範圍
°C
銷軸材質 能力曲線圖
リンク ローラ 有潤滑 無潤滑
低摩擦、耐磨損 低摩擦・耐摩耗 LFW ホワイト 1.1 100 50 -20~(65)80 SUS304 顯示能力曲線圖
型號 金屬板寬度
mm
1個單位的
鏈節數
概略質量
kg/m
DXF
圖形
數據
標準價格/鏈節 交貨期
TP-36UTW-LAP 120 85 2.90 DXF請咨詢 請咨詢

注記
 1.「●」:在庫品です。
  上記チェーン仕様表に記載の無い仕様については製作できません。
 2.使用温度範囲の(カッコ内数値)はウェット条件の場合です。
 3.プラピン仕様は製作できません。

適用規格的詳細信息

規格 規格代號 通用 減少磨損粉的產生 減少摩擦阻礙(易滑) 增加摩擦阻礙(不易滑) 耐藥性強 (不易腐蝕) 高速運轉 在高溫環境中使用 在低溫環境中使用 僅在幹條件下使用 導電性好 抗衝擊 抗紫外線 希望抑制細菌的繁殖 使用金屬偵測器可檢出碎片
標準
系列
低摩擦・耐磨損 LFW           
  • 註)◎:優、●:良、▲:可

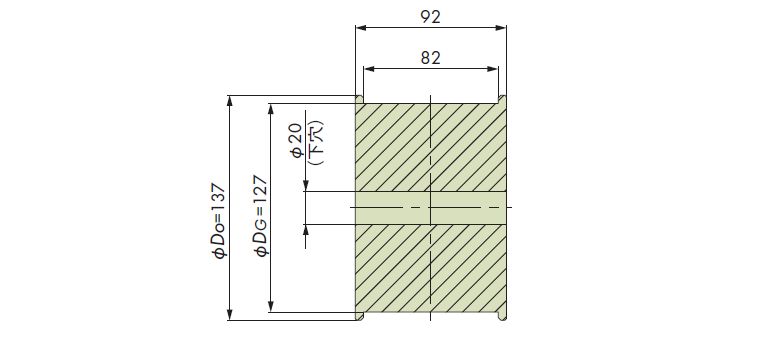
適用鏈輪

※單擊形狀編號以顯示詳細信息。點擊放大圖像。


型號 齒數 節距圓直徑
mm
軸孔尺寸
mm
類型
TP-36UT-13T 13 150.42 ご要望により製作検討にて
対応いたします。
一體式

應用惰輪

※單擊形狀編號以顯示詳細信息。點擊放大圖像。


型號 等效的實際歯數 外徑
mm
底孔
mm
類型
TP-IW36UTW-13T 13 137 ご要望により製作検討にて
対応いたします。
一體式

適用的塑膠軌道

※單擊形狀編號以顯示詳細信息。點擊放大圖像。



導軌 材質符號 型號 厚度
mm

mm
主體 端板
PR-PH型 PLF PR-PH□□□-PLF PR-PH□□□E-PLF 3~5 20~40
PR型 M PR520-M PRE520-M 5 20

這款塑膠軌道不耐熱也不耐化學腐蝕。
如果您在特殊環境或特殊條件下使用本產品,請與我們聯絡。

×
(可以通過拖動來移動)

標準規格[規格代號:無、G、W、B、BL、A]

鏈環採用通用聚甲醛

外觀顏色:灰色

外觀顏色:白色

外觀顏色:藍色

外觀顏色:天藍色

■通用類型
使用了機械性能優良的一般等級的聚甲醛樹脂,適合一般用途。
■抗靜電
它具有防靜電功能,可防止靜電引起的灰塵和磨損粉粘附。
(外觀顏色:僅限灰色、藍色、綠色、天藍色) 註2
  • 註)1、規格代號為“無”、“B”、“G”的產品,包括不符合食品衞生法 (厚生省告示370號) 的產品。有關詳細信息,請參閱此處
  • 註2:部分產品有規格代號,詳情請參閱產品資訊。
  • 註)3.有關外觀顏色和防靜電功能的可用性,請參閱產品頁面。
  • 註 4:在普通規格的產品中也有像塑膠滾輪鏈條或塑膠通用鏈條等,型號中無規格記號的產品
×
(可以通過拖動來移動)

低摩擦・耐磨損耐磨性 [規格代號:LF]

低摩擦・耐磨損聚縮醛鏈節

外觀顏色:白色 [LFW]

外觀顏色:綠色 [LFG]

外觀顏色:褐色 [LFB]

■用途

  • 多種用途
  • 使用條件嚴酷(高速、高張力)而導致鏈條磨損且變長、或使用普通規格時鏈條更換週期過短時。
  • 線路壓力高,特別是需要防止產品劃傷時
■保護搬運物
摩擦係數比標準規格低15~45%,可減輕貨物堆積時的生產線壓力,避免損傷輸送物。
■ 使用壽命長(與標準規格相比)
由於鏈條張力降低,鏈條壽命比標準規格提高了 1.2 到 2 倍。
■順利完成搬運物的分支和集合
■動力需求減少
■標準規格、LF和ALF規格的磨損伸長率性能
  • 註)
    規格代號為『LFB』的產品中,包含不符合食品衞生法 (厚生省告示370號) 的產品。有關詳細信息,請參閱此處
×
(可以通過拖動來移動)

低摩擦・耐磨損耐磨性 [規格代號:CB]

由特殊低摩擦・耐磨損聚甲醛製成的鏈節

外觀顏色:藍色 [CB]

■用途

  • 線路壓力高,特別是需要防止產品劃傷時
  • 註)
    由於添加了矽膠類潤滑劑,請勿在印刷工序中可能會產生印刷針孔問題的地方或因矽膠引起壞影響的條件下使用。
■保護搬運物
摩擦係數低於標準規格,降低了堆積期間的管線壓力,使搬運物更不容易被刮傷。
■順利完成搬運物的分支和集合
■動力需求減少
■僅適用以下鏈格式:。
  • 僅限WT2515G-M型、WT2515-W型、WT2515G-W型、WT2515F-W型、TTUPM838H型
×
(可以通過拖動來移動)

低摩擦・耐磨損[規格代號:ALF]

由低摩擦・耐磨損聚甲醛製成的鏈節

外觀顏色:淺藍色 [ALF]

■用途

  • 包裝機前不能使用潤滑劑且不能有磨損粉塵的工序
  • 飲料行業的幹潤滑工序
  • 堆積的傳送帶
  • 飲料業、檢查機・印字輸送機、單列輸送線等鏈條速度快的工序
  • 註)1.由於添加了矽膠類潤滑劑,請勿在印刷工序中可能會產生印刷針孔問題的地方或因矽膠引起壞影響的條件下使用。
  • 註)2、舊ULF規格於2018年9月末起停止販售。
■保護搬運物
這是我們原創研發的材料,它混合了矽基潤滑劑,專用於乾式輸送。在保持與先前的 ULF 規格相同的摩擦係數的同時,它顯著減少了在無潤滑條件下產生的磨損粉量。
■順利完成搬運物的分支和集合
■動力需求減少
■與舊ULF規格的磨損量比較
65%down
  • ※以上圖表為本公司內部測試結果,以舊ULF規格的磨損體積為100 (基準) 。
  • *與舊款ULF規格相比,ALF規格可減少磨損粉的產生,尤其適用於塑膠軌道產品。如果您希望進一步減少磨損粉的產生,我們建議使用塑膠軌道低摩擦耐磨型(PLF)產品。
×
(可以通過拖動來移動)

低摩擦規格 [規格代號:NLF]

鏈環採用低摩擦聚甲醛

外觀顏色:深灰色 [NLF]

■用途

  • 多種用途
  • 線路壓力高,特別是需要防止產品劃傷時
■保護搬運物
摩擦係數比標準規格低 10% 至 30%,降低了堆積過程中的管路壓力,使其不太可能刮傷搬運物。
■順利完成搬運物的分支和集合
■動力需求減少
  • *容許張力與標準規格相同。
×
(可以通過拖動來移動)

低摩擦規格 [規格代號:WR]

鏈環採用耐腐蝕性聚甲醛

外觀顏色:墨綠色 [WR]

■用途

  • 使用次氯酸鈉等藥品時
  • 線路壓力高,特別是需要防止產品劃傷時
■保護搬運物
摩擦係數比標準規格低 7% 至 28%,降低了堆積期間的管線壓力,防止搬運物刮傷。
■耐腐蝕性
提高了次氯酸鈉等的耐腐蝕性,適用於飲料、食品的傳送帶。
■順利完成搬運物的分支和集合
■動力需求減少
  • 容許張力與標準規格相同。
×
(可以通過拖動來移動)

耐熱·高速規格 [規格代號:KV]

鏈環採用特殊工程塑膠

外觀顏色:黑色 [KV150・KV180・KV250]

■用途

  • 太陽能電池板的層壓後工序的搬運
  • 從幹燥爐中搬運印刷電路板
  • 熱收縮爐內的搬運
  • 土鍋的輸送。
  • 面包爐出口的搬運
  • 用各種幹燥爐搬運
  • 用熱水、高濃度藥品清洗工序中的搬運
  • 注射器的乾燥過程工序上的輸送
  • 飲料・灌裝後封蓋裝置出口處的高速輸送
  • 註)1.KV150不符合食品衞生法 (厚生省告示370號) 。
  • 註)2.KV150是幹燥條件專用。
  • 註)3.請同時參照產品目錄中耐熱高速 (KV) 規格的使用註意事項。
  • 註)4、使用溫度範圍:-20~150°C (KV150),-20~180°C (KV180),-20~250°C (KV250)
■最高環境溫度
  • 150°C (規格代號) :KV150
  • 180°C (規格代號) :KV180
  • 250°C (規格代號) :KV250
■最高速度
200m/min(適用於塑膠頂板鏈條)
■耐化學性
對清洗、殺菌性的藥品有很好的耐受性。
■導電性
表面電阻值低,不帶靜電。(1 X 10 6 Ω·cm) 適用於防止灰塵附著、火花。
■阻燃性
UL標準V-0級 (高阻燃性等級)

註)KV150除外

■噪音
與標準規格相比,它高 2 至 3 分貝。
■適用鏈條格式示例
  • BTC6型、TPU826-T型、RSP40型等
×
(可以通過拖動來移動)

低摩擦・耐磨損耐磨性 [規格代號:HG]

低摩擦・耐磨損聚縮醛鏈節

外觀顏色:藏青色 [HG]

■用途

  • 包裝機前不能使用潤滑劑且不能有磨損粉塵的工序
  • 飲料行業、檢測機、打印輸送機、單片機等鏈條速度快的工序
  • 飲料行業的幹潤滑工序
  • 註)
    不符合食品衞生法 (厚生省告示370號) 。
    但已確認未溶出器具及容器包裝規格試驗 (合成樹脂) 中所規定的物質。
■減少磨損粉塵的對策
它的耐磨性比低摩擦・耐磨損(LF)規格提高了20%,並且無需改造輸送機或更換鏈輪即可替換為低摩擦・耐磨損(HG)規格。 (更換鏈條時,我們建議同時更換導軌。特別是對於塑膠軌道,我們建議低摩擦・耐磨損(PLF)規格。)
■保護搬運物
摩擦係數與低摩擦・耐磨損(LF) 規格相同,比標準規格低 15% 至 45%,從而降低了堆積期間的管線壓力,並減少了刮傷運輸物品的可能性。
■與各種規格的摩擦體積比較
20%down
  • ※以上圖表是本公司內部測試的結果。LF規格的磨損體積為100 (基準) 。鏈條形式:TTP826、鏈條速度:60m/min、常溫、幹燥條件
  • 備註
    A公司等A公司製作的耐磨損規格鏈條, 鏈節材質: 聚酯類
    B公司等B公司製作的耐磨損規格鏈條, 鏈節材質: 聚縮醛類
■適用鏈條格式示例
  • WT1506-K型、TTP826型、RSP50型等
×
(可以通過拖動來移動)

高溫規格 [規格代號:HTW]

鏈環採用聚丙烯

外觀顏色:白色 [HTW]

■用途

  • 飲料·食品工廠的加熱器,用於冷卻的鏈條
  • 電池輸送線
  • 略微傾斜的輸送機
■最高環境溫度: 105℃
適用於飲料工廠中接觸熱水的輸送物加熱裝置中和輸送物高溫殺菌冷卻裝置中的鏈條。
■耐化學性
含有酸、堿,耐藥品性優異。
■高摩擦
摩擦係數約為標準規格的1.2至1.6倍。可用於乾燥條件下輕微傾斜的輸送作業。
■輕量
比聚甲醛制鏈輕40%左右。有降低所需動力的效果。
■適用鏈條格式示例
  • WT1907-K型、WT2506-K型、TTPM500型等
  • 註)1.WT2250FG型式的規格代號“HTW”不符合食品衞生法 (厚生省告示370號) 。
  • 註)2.最大容許張力約為標準規格的 40%。
  • 註)3、工作溫度範圍:5~105°C
×
(可以通過拖動來移動)

高速規格:幹燥條件專用 [規格代號:HS]

鏈環採用特殊工程塑膠

外觀顏色:米色 [HS]

■用途

  • 制罐、空罐的高速搬運
  • 註)
    不符合食品衞生法 (厚生省告示370號) 。
    但已確認未溶出器具及容器包裝規格試驗 (合成樹脂) 中所規定的物質。
■最高速度
230m/min (直線) 具有高限PV值。防止高速搬運中的熔化。
■適用鏈條格式示例
  • TPU826-T型、TP-OTD32型等
  • 註:1.最大容許張力約為標準規格的 80%。
  • 註)2.只有不鏽鋼銷類型。
  • 註)3.幹燥條件專用。
  • 註)4.高速使用時,請使用不鏽鋼導軌 (冷軋材料的研磨規格),根據用途請使用塑膠軌道特殊聚酰胺 (SJ-CNO) 。
  • 註)5、工作溫度範圍:-20~50°C
×
(可以通過拖動來移動)

低溫規格 [規格代號:LTW]

鏈環採用聚乙烯

外觀顏色:白色 [LTW]

■用途

  • 冷凍食品在冷凍輸送機上的搬運
  • 幹冰運輸
■低環境溫度
可在低至-70°C的低溫環境下使用。
(標準規格適用於最高-20°C的溫度)
■耐化學性
對藥品表現出優異的耐腐蝕性。
■僅適用以下鏈格式:。
  • BTN5, BTC6, BTN6, BTC8
  • 註:1.最大容許張力約為標準規格的 33%。
  • 註)2、在-20°C以下使用時,需要特殊鏈輪,請向本公司咨詢。
  • 註)3、工作溫度範圍:-70~60°C
×
(可以通過拖動來移動)

耐藥品規格 [規格代號:Y]

鏈環採用特殊工程塑膠

外觀顏色:磨砂白色 [Y]

■用途

  • 在生產線上運輸,例如鋰離子電池 (電池)
  • 印刷電路板、硅晶圓在清洗線上的搬運
  • 用飲料、無菌填充室出口傳送帶搬運
  • 在食品工廠等需要用藥品清洗的生產線上搬運
■耐化學性
對有機溶劑、無機鹽酸類、堿、氧化劑、醋酸等很多藥品都有耐腐蝕性。
■抗衝擊性
與標準系列相比,樹脂不易缺損。
■適用鏈條格式示例
  • TTP826型、TPRF2040型、RSP35型等
  • 註:1.最大容許張力約為標準規格的 50%。
  • 註)2.摩擦係數與標準規格相同。
  • 註)3.請勿在明火或高溫下使用。
×
(可以通過拖動來移動)

超級抗藥性規格[規格代號:SY]

鏈環採用特殊工程塑膠

外觀顏色:亞光白色 [SY]

■用途

  • 在生產線上運輸,例如鋰離子電池 (電池)
  • 印刷電路板、硅晶圓在清洗線上的搬運
  • 用飲料、無菌填充室出口傳送帶搬運
  • 在食品工廠等需要用藥品清洗的生產線上搬運
■銷材質採用鈦合金
將耐化學藥品(Y)規格的銷材質變更為鈦合金,進一步提高了耐化學性
■耐化學性
對鹽酸、硫酸等,顯示了腐蝕性更強的藥品耐腐蝕性。
■適用鏈條格式示例
  • TTP826型、RSP40型等
  • 註:1.最大容許張力約為標準規格的 50%。
  • 註)2.摩擦係數與標準規格相同。
  • 註)3. 無法製作D銷型、塑膠銷型。
  • 註)4.請勿在明火或高溫下使用。
  • 註)5、工作溫度範圍:-20~80°C
×
(可以通過拖動來移動)

導電規格 [規格代號:E]

鏈環採用特殊工程塑膠

外觀顏色:黑色 [E]

■用途

  • 焊接印刷電路板後的搬運
  • 在太陽能電池板的層壓過程之前和之後,將其運送到切割機
  • 可防止易拉罐的堆積輸送所導致的靜電。
  • 清洗機幹燥後的靜電對策
  • 汽車零部件 (電氣零部件) 的搬運
  • 註)
    不符合食品衞生法 (厚生省告示370號) 。
    但已確認未溶出器具及容器包裝規格試驗 (合成樹脂) 中所規定的物質。
■優異的導電性
體積電阻率:1 X 10 6 Ω·cm 或更低(標準規格:1 X 10 14至 10 15 Ω·cm)
■靜電抑制
抑制電氣噪音、火花的產生。
註) 請使用鋼制鏈輪、導軌等對傳送帶整體接地。
■適用鏈條格式示例
  • WT0705-W型、TTP826P型、RSP35型等
  • 註:1.最大容許張力約為標準規格的 70%。
  • 註)2.摩擦係數與標準規格相同。
×
(可以通過拖動來移動)

耐衝擊規格:幹燥條件專用 [規格代號:DIA]

鏈環採用特殊工程塑膠

外觀顏色:乳白色 [DIA]

■用途

  • 搬運稍重的機械零件
  • 直接输送食品(食品无任何包装的状态下输送)的干燥式输送机
  • 略微傾斜的食品輸送機
  • 註)
    不符合食品衞生法 (厚生省告示370號) 。
    但已確認未溶出器具及容器包裝規格試驗 (合成樹脂) 中所規定的物質。
■超耐衝擊性
即使受到衝擊樹脂也不易碎裂。而且,即使鏈條斷裂,樹脂的碎片也不易飛散。可作為防止異物混入的對策。 )
■高摩擦
摩擦係數是標準規格的1.2倍。可在乾燥條件下用於輕微坡度路面。
■輕量
它比聚甲醛頂板鏈條輕約 20%,因此更容易操作,並能有效降低所需的功率。
■耐衝擊性(受到衝擊時不易碎裂)
■適用鏈條格式示例
  • BTC8H-826-M型、TPUSR 550-T型、RSP60-2型等
  • 註:1.最大容許張力約為標準規格的 75%。
  • 註)2.幹燥條件專用。
×
(可以通過拖動來移動)

抗衝擊:適用於乾燥和潮濕環境 [規格代號:DIY]

鏈環採用特殊工程塑膠

外觀顏色:綠色 [DIY]

■用途

  • 濕條件下的食品或容器搬運
  • 頻繁殺菌清洗的情況
  • 使用聚甲醛鏈子,如果因缺少鏈子而睏擾
  • 註)
    不符合食品衞生法 (厚生省告示370號) 。
    但已確認未溶出器具及容器包裝規格試驗 (合成樹脂) 中所規定的物質。
■抗衝擊性
與聚甲醛樹脂制的相比,即使受到衝擊也不容易缺損。
■耐化學性
對於清洗、殺菌的藥品,耐化學品性優異。適用於頻繁殺菌清洗的傳送帶。
■非粘性
這樣可以防止搬運物黏附在鏈條上。
■耐衝擊性(受到衝擊時不易碎裂)
■抗紫外線
與聚甲醛樹脂制的相比,耐候性優異。
■適用鏈條格式示例
  • BTC6型、TPRF2040型、RSP60型等
  • 註:1.最大容許張力約為標準規格的 75%。
  • 註)2.摩擦係數與標準規格相同。
  • 註)3.在低溫環境等環境下,樹脂碎片可能會飛散。
  • 註)4.請勿在明火或高溫下使用。
×
(可以通過拖動來移動)

中摩擦規格:幹燥條件專用 [規格代號:MF]

鏈環採用特殊聚甲醛

外觀顏色:黃色 [MF]

■用途

  • 3~5°傾斜搬運
  • 防止搬運物在檢驗和列印傳送帶上過度滑動
    *取決於搬運物。
■最適合傾斜搬運
中等程度的高摩擦材料,適用於傾斜搬運。
■穩定輸送
它適用於防止輸送機啟動和停止時搬運物發生錯位,以及防止因加速而導致的打滑。
■適用鏈條格式示例
  • BTC6型、TTUP826P型、RSP40型等
  • 註:1.最大容許張力約為標準規格的 75%。
  • 註)2.摩擦係數是標準規格的1.1倍。
  • 註)2.幹燥條件專用。
  • 註)4、工作溫度範圍:-20~80°C
×
(可以通過拖動來移動)

耐熱、耐放射線性、耐真空規格 [規格代號:PK150]

鏈環和銷軸採用PEEK樹脂

外觀顏色:浅褐 [PK150]

■用途

  • 烘幹爐、烘箱等高溫環境下及烘箱等的出入口移動單元
  • 在填充室內的清洗、殺菌等使用藥品的環境下
  • 真空環境下的搬運
■最高環境溫度: 150℃
■耐化學性
對藥品表現出優異的耐腐蝕性。
■抗輻射性
抗輻射性是熱塑性樹脂中最高的。
■真空中排放氣體的產生少
■使用FDA認證的材料
■適用鏈條格式
  • WT0405-W
  • 註)工作溫度範圍:-20~150°C
×
(可以通過拖動來移動)

抗菌防黴規格 [規格代號:MWS]

鏈節由抗菌低摩擦・耐磨損聚縮醛製成

外觀顏色:乳白色 [MWS]

■用途

  • 裝瓶工廠內的清洗對策
  • 因工序上的水分及結露水而潮濕的輸送機
    (特別是淋浴裝置出入口及蒸煮器卸載部分等)
  • 有條件的傳送帶容易臟,防止發黴
■抗菌+防黴
採用與抗菌劑製造商共同開發的創新抗菌劑。除了對食品業需要防範的大腸桿菌、黃色葡萄球菌、乳酸桿菌等具有抗菌效果外,還具有防黴功能,可有效防止青黴等。
■持久性
抗菌劑採用的是性能長期持續的無機抗菌劑。由於抗菌劑是在塑料材料制造階段揉合而成的,因此均勻分散在整個連接處,即使表面磨損也能保持抗菌防黴功能。
■安全性
配合安全性高的抗菌劑。基礎材料不符合《食品衞生法》 (厚生省告示370號) 。
但已確認未溶出器具及容器包裝規格試驗 (合成樹脂) 中所規定的物質。
增加抗菌防黴機能,安全性更高。
■高級功能
抗菌劑對性能幾乎沒有影響,橡膠具有優異的低摩擦・耐磨損。鏈節材料採用低摩擦・耐磨損(LF)材料製成。
  • 註:1.最大容許張力與標準規格相同。
  • 註2:摩擦係數與低摩擦・耐磨損(LF)規格相同。

抗菌防黴性能

35℃ X 24小時後的狀態 (酵母屬)
LF規格等價品 MWS規範

※試驗方法
JIS Z2801:2010

  • 試驗委托方株式會社衞生微生物研究中心
  • 試驗報告書發行日期 2020年10月12日
  • 考試成績書發行編號2020D-BT-0808

抗菌能力實驗結果 (與沒有抗菌劑的比較)

試驗菌 試驗品 接種後立刻 35°C X 24小時後
大腸桿菌 MWS 1.5 X 104 38
(無抗菌劑) 1.5 X 104 22 X 106
金黃色葡萄球菌 MWS 1.6 X 104 未檢出
(無抗菌劑) 1.6 X 104 1.5 X 105
酵母屬
(酵母的一種)
MWS 2.5 X 104 未檢出
(無抗菌劑) 2.5 X 104 1.4 X 104
乳酸桿菌 MWS 6.4 X 105 1.3 X 102
(無抗菌劑) 6.4 X 105 6.9 X 104
衹病性大腸桿菌
O-157 (H7)
MWS 1 X 103.9 未檢出
(無抗菌劑) 1 X 103.9 1 X 103.4

黴菌發育試驗結果 (與沒有抗菌劑的比較)

試驗黴菌 試驗品 7天後 14天後 21天後
黑麴菌 MWS規範 0 0 0
(無抗菌劑) 0 1 2

●如何顯示測試結果

查看 顯示內容
0 肉眼或顯微鏡下均未觀察到黴菌生長。在某些情況下,會發現一個阻塞區。
1 肉眼未見黴菌。顯微鏡下可以確認黴菌。
2 菌絲發育輕微,發育部分面積不超過總面積的25%。
3 可見中度的菌類發育,發育部分面積佔整體面積的25%~50%。
4 菌類大量發育,發育部面積佔整體面積的50%~100%。
5 菌類發育非常激烈,發育程度涵蓋整體面積。

※試驗方法
JIS Z2911-2000 (A法)

  • 試驗機構石冢硝子株式會社
  • 試驗報告書發行日期 2020年9月25日
×
(可以通過拖動來移動)

金屬檢測規格 [規格代號:MPD/MPW]

鏈環採用特殊工程塑膠

外觀顏色:黑色 [MPD/MPW]

■用途

  • 橡膠化合物的搬運
  • 包裝機前食品直送輸送機
  • 食品(冷凍烏龍麵等食品無任何包裝的狀態)的直接輸送 (規格代號:MPW)
  • 面包廠的托盤搬運 (規格代號:MPD)
  • 註)
    不符合食品衞生法 (厚生省告示370號) 。
    但已確認未溶出器具及容器包裝規格試驗 (合成樹脂) 中所規定的物質。
■金屬探測器可檢測
即使鏈條缺失並混入食品或橡膠化合物中,也可以通過金屬探測器發現並防止流出。
■抗衝擊性
即使施加衝擊,碎片也不容易飛散。
■適用鏈條格式示例
  • TTUP826型、RSP60-CU-2型等
  • 註)1.MPD規格是幹燥條件專用,MPW規格是幹濕條件兼用。
  • 註 2)MPD 規範的最大容許張力約為標準規格的 80%,MPW 規範的最大容許張力約為標準規格的 40%。
  • 註)3、工作溫度範圍:-20~80°C (MPD),-20~60°C (MPW)
×
(可以通過拖動來移動)

低溫·耐藥品規格 [規格代號:UPE]

鏈環採用超高分子量聚乙烯

外觀顏色:亞光白色 [UPE]

■用途

  • 冷凍食品保管倉庫內搬運
  • 冷凍食品在冷凍輸送機上的搬運
  • 異物混入對策和藥品清洗食品搬運
  • 二次電池等需要耐化學品性的搬運
  • 在填充室內的清洗、殺菌等使用藥品的環境下
■低環境溫度
可在-70°C的環境溫度下使用(標準規格最高可達-20°C)
■抗衝擊性
具有非常高的耐衝擊性,在低溫環境下使用時也不易混入異物。
與聚甲醛樹脂制相比,兼備常溫環境使用時13倍、低溫環境使用時26倍的耐衝擊性。
■耐磨性
常溫環境下使用時的磨損量與聚甲醛樹脂制產品相比可降低約80%。
■耐化學性
對藥品表現出優異的耐腐蝕性。
■使用FDA認證的材料
■適用鏈條格式
  • RSP80
  • 註:1.最大容許張力約為標準規格的 30%。
  • 註)2、工作溫度範圍:-70~60°C
  • 註)3.在-20°C以下使用時,需要特殊鏈輪,請向本公司咨詢。
  • 註4:建議使用不鏽鋼(冷軋材料)作為運行導軌材料。不建議使用超高分子量聚乙烯(UHMW-PE),因為它們是同一種材料。
×
(可以通過拖動來移動)

耐酸規格 [規格代號:AR]

鏈環採用特殊聚甲醛

外觀顏色:白色 [AR]

■耐腐蝕性
它比標準規格和低摩擦・耐磨損型(LF)規格具有更好的耐腐蝕性。
■腐蝕對策
適用於加入次氯酸鈉的肥皂水的腐蝕對策等。
■適用鏈條格式示例
  • TTP826型、RSP35型等
  • 註)1.因為會被強酸、強堿侵害,所以請使用耐藥品 (Y) 規格或超級耐藥品 (SY) 規格。
  • 註)2.最大容許張力約為標準規格的 90%。
  • 註)3.摩擦係數與標準規格相同。
  • 註)4.無法製作塑膠銷型。
  • 註)5.不能在需要60°C以上溫水的條件下使用。
  • 註)6、工作溫度範圍:-20~ (60) 80°C (60) 為濕條件時。
×
(可以通過拖動來移動)

防紫外線規格 [規格代號:UVR]

鏈環採用特殊聚甲醛

外觀顏色:淺灰色 [UVR]

■用途

  • 在戶外受紫外線輻射的運輸
  • 標準規格等會受紫外線的影響而劣化,UVR規格可作為防止劣化、延長使用壽命的對策。
■抗紫外線
與標準規格和低摩擦・耐磨損(LF) 規格相比,本產品具有優異的抗紫外線降解(變色和強度損失)性能,適用於戶外環境。
■適用鏈條格式示例
  • TTP826型,TTPH826P型,RSP50型等
  • 註:1.最大容許張力和摩擦係數與標準規格相同。
  • 註)2. 也有銷類型。
  • 註3. 工作溫度範圍:-20 至 (60) 80°C。 (60) 適用於銷類型的潮濕環境。
×
(可以通過拖動來移動)

食品運輸規格 [規格代號:PFS]

鏈環採用聚甲醛

外觀顏色:尼羅蘭色 [PFS]

■用途

  • 面包生產線的常溫冷卻工序中的搬運
  • 此外,食品生產線上的搬運
■符合歐洲塑料施工規範 (PIM)
使用符合PIM (歐洲塑料執法條例) 的原創椿本材料。
■適用鏈條格式示例
  • TTP826型、RSP40-T-CU型等
  • 註:1.最大容許張力和摩擦係數與標準規格相同。
  • 註)2.歐洲塑料施工規則 (PIM) 是在歐洲銷售可直接與貨物接觸的塑料產品的基本規則。
  • 註 3.銷類型不符合 PIM(歐洲塑膠安裝法規)。
×
(可以通過拖動來移動)

生物質規格 (BP) [規格代號:BP]

鏈節材料採用環保生物質塑料

外觀顏色:墨綠色 [BPG]

■環保商品
通過使用對植物環境友好的生物質塑料,不僅可以節省石油資源,還可以通過生物質塑料的碳中和性來減少CO 2

※所謂生物質塑料:原料使用植物等可再生有機資源的塑料原材料


■適用鏈條格式示例
  • 僅RSP40型
  • 註:1.最大容許張力約為標準規格的 36%。
  • 註)2、工作溫度範圍:-20~80°C
  • 註)3.幹燥條件專用。
  • 註)4.建議使用環境濕度為20~80%。在除此之外的濕度環境下使用時,請咨詢本公司。
  • 註)5、不符合食品衞生法 (厚生省告示370號) 。
  • 註)6.根據生物量 (BP) 規格的材質特性,可能會有少許顏色不均勻。對產品性能方面沒有影響。