頂板鏈條惰輪的主要規格
形番:TP-IW36UB1300T
產品目錄、使用說明書
適用鏈條
TP-UB36
主要規格
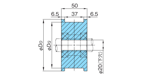
| 型號 | 相應齒數 | 外徑 Do mm | 軸孔 形狀 | 底孔 mm | 溝部直徑 DG mm | 概略質量 kg |
|---|---|---|---|---|---|---|
| TP-IW36UB1300T | 13 | 136 | 圓形 | 20 | 124 | 0.6 |
| 材質 | 外觀顏色 | 類型 | 工作溫度範圍 |
|---|---|---|---|
| 超高分子量聚乙烯 | 白色 | 一體式 | -20℃~60℃ |
TP-UB36
| 型號 | 相應齒數 | 外徑 Do mm | 軸孔 形狀 | 底孔 mm | 溝部直徑 DG mm | 概略質量 kg |
|---|---|---|---|---|---|---|
| TP-IW36UB1300T | 13 | 136 | 圓形 | 20 | 124 | 0.6 |
| 材質 | 外觀顏色 | 類型 | 工作溫度範圍 |
|---|---|---|---|
| 超高分子量聚乙烯 | 白色 | 一體式 | -20℃~60℃ |