軸承單元主要規格
產品目錄、使用說明書
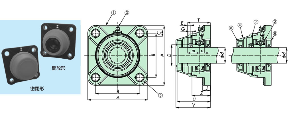
方法蘭部件 (UCFQ)
正面和背面都有密封,可有效延長在水和粉塵環境下軸承的壽命。
| 產品編號 | 品名 | 材質 |
|---|---|---|
| 1 | 外殼 | 強化聚酰胺 |
| 2 | 滾珠軸承 | 黃銅+鍍鎳 |
| 3 | 脂嘴 | 黃銅+鍍鎳 |
| 4 | 安全罩蓋 | 聚丙烯 |
| 5 | 間隔套筒 | 黃銅+鍍鎳 |
| 產品編號 | 品名 | 材質 |
|---|---|---|
| 6 | 密封 | NBR |
| 7 | O形環 | NBR |
| 8 | 密封 | NBR |
| 型號 | 形狀 | 軸承 基本額定負荷kN |
本體最大 容許荷重 kN |
質量 kg |
自動調心 | 使用溫度範圍 °C |
DXF 圖形 數據 |
標準価格 | 交貨期 | PDF 外形圖 |
|
|---|---|---|---|---|---|---|---|---|---|---|---|
| (基本) 額定動負荷 Cr |
(基本) 額定靜負荷 Cor |
||||||||||
| TP-C50205VREC-UCFQ | 密閉型 | 10.8 | 7.8 | 11.5 | 0.3 | 住房和 軸和最大值 角度誤差:2.5° |
0~80 | DXF | 請咨詢 | 請咨詢 | |
| TP-C55205VREC-UCFQ | 開放式 | DXF | 請咨詢 | 請咨詢 | |||||||
| TP-C50206VREC-UCFQ | 密閉型 | 15.0 | 11.3 | 11 | 0.5 | DXF | 請咨詢 | 請咨詢 | |||
| TP-C55206VREC-UCFQ | 開放式 | DXF | 請咨詢 | 請咨詢 | |||||||
| TP-C50207VREC-UCFQ | 密閉型 | 19.7 | 15.3 | 10.5 | 0.6 | DXF | 請咨詢 | 請咨詢 | |||
| TP-C55207VREC-UCFQ | 開放式 | DXF | 請咨詢 | 請咨詢 | |||||||
| TP-C50208VREC-UCFQ | 密閉型 | 22.4 | 17.9 | 10 | 0.8 | DXF | 請咨詢 | 請咨詢 | |||
| TP-C55208VREC-UCFQ | 開放式 | DXF | 請咨詢 | 請咨詢 | |||||||
| 型號 | 尺寸 | MB等價品 | ||||||||||||||
|---|---|---|---|---|---|---|---|---|---|---|---|---|---|---|---|---|
| 軸徑 d |
A | B | C | D | E | G | H | J | Z | T | m | n | U | V | ||
| TP-C50205VREC-UCFQ | 25 | 98 | 70 | 11 | 34 | 5.5 | M6× 1.00 |
15 | 12.5 | 29 | 36.5 | 19.5 | 7.5 | 52 | 54 | MB205C-64573-UCF |
| TP-C55205VREC-UCFQ | MB205C-64623-UCF | |||||||||||||||
| TP-C50206VREC-UCFQ | 30 | 110 | 83 | 11 | 40.3 | 6.5 | 18 | 22 | 8 | 51 | 53 | MB206C-63112-UCF | ||||
| TP-C55206VREC-UCFQ | MB206C-63172-UCF | |||||||||||||||
| TP-C50207VREC-UCFQ | 35 | 118 | 92 | 14 | 48 | 6.5 | M8× 1.00 |
20 | 16 | 33 | 41.5 | 23.5 | 8.5 | 64 | 66 | MB207C-64068-UCF |
| TP-C55207VREC-UCFQ | MB207C-64078-UCF | |||||||||||||||
| TP-C50208VREC-UCFQ | 40 | 130 | 101.5 | 14 | 53 | 7.0 | M8× 1.00 |
20 | 35 | 43 | 25 | 9 | 63 | 65 | MB208C-64667-UCF | |
| TP-C55208VREC-UCFQ | MB208C-64677-UCF | |||||||||||||||
註釋
1.滾珠軸承為固定螺釘式。


