| ※ | CAD 資料將透過 CADENAS Web2CAD Co., Ltd. 的 CAD圖紙庫網站「PARTcommunity」的連結提供。 |
| ※ | 有關CAD數據和PARTcommunity的咨詢,請聯係Cadnas Web to Cad。 【CadnasWeb-to-Cad株式會社】 TEL:(03)5961‐5031 FAX:(03)5961‐5032 |
產品目錄、使用說明書
銷條品種和規格
註)
1.以容易操作的長度段為定尺,將銷數設定為標準銷數。
已設定可制作的最小長度與最小銷數。
2.總銷數超過標準銷數時,由標準銷數和未滿尺銷數 (最小銷數以上) 構成。
3.未附帶安裝螺栓。
型號表示例
| PDU050 | - | S | P | A | 080P | - | R |
| | 邊框編號 |
| | |
| 銷條 |
| | |
| 銷軸總數 |
| 規格 無標記:鋼型標準規格 K:鋼型無電解鍍鎳規格 R:鋼型高防銹規格 Y:柔軟型 S:不鏽鋼型標準規格 |
||
| | 驅動方式 S:直線驅動 |
| 安裝方式 F:平面型 A:角型 |
||||||
平面規格表
| 邊框編號 | 間距 P mm |
定尺 L mm |
標準 銷軸數 NT |
板厚 t mm |
銷軸 位置 A mm |
內寬 W mm |
全寬 Lw mm |
全高 2H mm |
螺栓 孔徑 Φdm |
安裝 螺栓 尺寸 |
定尺 質量 kg |
最小 長度 mm |
最小 銷數 |
DXF數據 3DCAD數據 |
|---|---|---|---|---|---|---|---|---|---|---|---|---|---|---|
| PDU020 | 20 | 800 | 40 | 4.5 (S:5) |
10 | 12 | 21 (S:22) |
22 | 4.5 | M4 | 1.4 (S:1.5) |
160 | 8 | DXF・3DCAD |
| PDU022 | 22 | 792 | 36 | 4.5 (S:5) |
11 | 16 | 25 (S:26) |
25 | 4.5 | M4 | 1.7 (S:1.9) |
286 | 13 | DXF・3DCAD |
| PDU030 | 30 | 780 | 26 | 6 | 15 | 19 | 31 | 32 | 6.5 | M6 | 2.8 (S:2.8) |
300 | 10 | DXF・3DCAD |
| PDU035 | 35 | 770 | 22 | 9 (S:6) |
17.5 | 22 | 40 (S:34) |
38 | 8.8 | M8 | 4.7 (S:3.4) |
280 | 8 | DXF・3DCAD |
| PDU040 | 40 | 800 | 20 | 9 (S:8) |
20 | 28 | 46 (S:44) |
45 | 10.8 | M10 | 6 (S:5.5) |
280 | 7 | DXF・3DCAD |
| PDU050 | 50 | 1000 | 20 | 12 (S:9) |
25 | 28 | 52 (S:46) |
65 | 12.8 | M12 | 13.2 (S:10.3) |
300 | 6 | DXF・3DCAD |
| PDU055 | 55 | 990 | 18 | 12 (S:9) |
27.5 | 36 | 60 (S:54) |
65 | 12.8 | M12 | 14 (S:11.2) |
495 | 9 | DXF・3DCAD |
| PDU070 | 70 | 980 | 14 | 16 (S:10) |
35 | 40 | 72 (S:60) |
75 | 17 | M16 | 20.6 (S:14.3) |
420 | 6 | DXF・3DCAD |
| PDU080 | 80 | 960 | 12 | 16 (S:12) |
40 | 42 | 74 (S:66) |
90 | 17 | M16 | 24.6 (S:19.6) |
560 | 7 | DXF・3DCAD |
| PDU090 | 90 | 990 | 11 | 19 (S:12) |
45 | 52 | 90 (S:76) |
100 | 22 | M20 | 33.9 (S:24) |
540 | 6 | DXF・3DCAD |
| PDU120 | 120 | 960 | 8 | 22 | 60 | 68 | 112 | 150 | 32 | M30 | 56.6 | 480 | 4 | DXF・3DCAD |
| PDU150 | 150 | 1200 | 8 | 22 | 75 | 94 | 138 | 150 | 39 | M36 | 82.5 | 900 | 6 | DXF・3DCAD |
| PDU180 | 180 | 1260 | 7 | 30 | 90 | 112 | 172 | 200 | 45 | M42 | 148.6 | 1080 | 6 | DXF・3DCAD |
| PDU240 | 240 | 1200 | 5 | 38 | 120 | 150 | 226 | 250 | 52 | M48 | 235.6 | 1200 | 5 | DXF・3DCAD |
※表中的S為不鏽鋼類型的尺寸、質量。
※PDU070以上的框號不鏽鋼款式僅對應平板型。
※PDU120以上的框號僅對應鋼制款式。
角形規格表
| 邊框編號 | 間距 P mm |
定尺 L mm |
標準 銷軸數 NT |
內寬 W mm |
全寬 Lw mm |
Ann Guru 腳寬 D mm |
心高 | 安裝孔 位置 E mm |
端面 B mm |
安裝孔 間距 Pb mm |
安裝 孔間 距離 Pb X (nc-1) mm |
安裝 孔數 (單側) nc |
安裝 孔徑 Φdb mm |
安裝 螺栓 尺寸 |
定尺 質量 kg |
最小 長度 mm |
最小 銷數 |
|
|---|---|---|---|---|---|---|---|---|---|---|---|---|---|---|---|---|---|---|
| H mm |
K mm |
|||||||||||||||||
| PDU020 | 20 | 800 | 40 | 12 | 72 | 30 | 20 | 10 | 56 | 20 | 120 | 720 | 7 | 9 | M8 | 2.4 (S:2.4) |
160 | 8 |
| PDU022 | 22 | 792 | 36 | 16 | 96 | 40 | 27 | 13 | 60 | 22 | 88 | 704 | 9 | 11 | M10 | 3.3 (S:3.3) |
132 | 6 |
| PDU030 | 30 | 780 | 26 | 19 | 119 | 50 | 28 | 22 | 69 | 30 | 120 | 720 | 7 | 13.5 | M12 | 7.5 (S:7.5) |
180 | 6 |
| PDU035 | 35 | 770 | 22 | 22 | 122 | 50 | 30 | 20 | 76 | 35 | 140 | 700 | 6 | 13.5 | M12 | 7.7 (S:7.5) |
210 | 6 |
| PDU040 | 40 | 800 | 20 | 28 | 128 | 50 | 28 | 22 | 88 | 40 | 120 | 720 | 7 | 13.5 | M12 | 8.6 (S:8.5) |
320 | 8 |
| PDU050 | 50 | 1000 | 20 | 28 | 158 | 65 | 40 | 25 | 104 | 50 | 150 | 900 | 7 | 17.5 | M16 | 17.2 (S:13.8) |
250 | 5 |
| PDU055 | 55 | 990 | 18 | 36 | 166 | 65 | 37 | 28 | 112 | 55 | 165 | 825 | 6 | 17.5 | M16 | 18 (S:14.8) |
440 | 8 |
| PDU070 | 70 | 980 | 14 | 40 | 190 | 75 | 43 | 32 | 130 | 70 | 210 | 840 | 5 | 17.5 | M16 | 29 | 560 | 8 |
| PDU080 | 80 | 960 | 12 | 42 | 222 | 90 | 55 | 35 | 142 | 80 | 160 | 800 | 6 | 22 | M20 | 37 | 480 | 6 |
| PDU090 | 90 | 990 | 11 | 52 | 252 | 100 | 55 | 45 | 162 | 90 | 180 | 720 | 5 | 22 | M20 | 44.6 | 540 | 6 |
| PDU120 | 120 | 960 | 8 | 68 | 368 | 150 | 85 | 65 | 232 | 120 | 240 | 720 | 4 | 33 | M30 | 91 | 480 | 4 |
| PDU150 | 150 | 1200 | 8 | 94 | 394 | 150 | 85 | 65 | 270 | 150 | 300 | 900 | 4 | 39 | M36 | 134 | 900 | 6 |
| PDU180 | 180 | 1260 | 7 | 112 | 462 | 175 | 125 | 95 | 請另行咨詢 | M42 | 233 | 1260 | 7 | |||||
| PDU240 | 240 | 1200 | 5 | 150 | 554 | 202 | 157 | 119 | M48 | 362 | 1200 | 5 | ||||||
※表中的S為不鏽鋼類型的尺寸、質量。
※PDU070以上的框號不鏽鋼款式僅對應平板型。
※PDU120以上的框號僅對應鋼制款式。
直線驅動用銷齒輪品種和規格
型號表示例
| PDU050 | - | S | G | B | 014T | - | R |
| | 邊框編號 |
| | |
| 銷齒輪 |
| | |
| 齒數 |
| 規格 無標記:鋼型標準規格 K:鋼型無電解鍍鎳規格 R:鋼型高防銹規格 Y:柔軟型 S:不鏽鋼型標準規格 |
||
| | 驅動方式 S:直線驅動 |
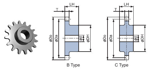
| 銷齒型 B:單輪轂型 C:雙輪轂型 |
||||||
生產規格
| 鋼型 | 不鏽鋼類型 | |
|---|---|---|
| 材質 | 機械結構碳鋼 | 不鏽鋼 |
| 結構 | B型C型 | |
| 硬化的齒頂尖 | 高週波熱處理和回火 | 無 |
銷齒輪適用齒數範圍
| 齒數 NT |
直線 齒條 |
外接銷輪 | 內接銷輪 | |||||||||||||
|---|---|---|---|---|---|---|---|---|---|---|---|---|---|---|---|---|
| 60 | 70 | 80 | 100 | 150 | 200 | 250 | 300 | 60 | 70 | 80 | 100 | 150 | 200 | 250 | ||
| 11 | × | × | × | × | × | × | × | × | × | ○ | ○ | ○ | ○ | × | × | × |
| 12 | △ | × | × | × | × | × | × | × | × | ○ | ○ | ○ | ○ | ○ | ○ | ○ |
| 13 | ○ | × | × | × | × | × | △ | △ | △ | ○ | ○ | ○ | ○ | ○ | ○ | ○ |
| 14 | ○ | × | × | △ | △ | △ | △ | △ | △ | ○ | ○ | ○ | ○ | ○ | ○ | ○ |
| 15 | ○ | △ | △ | △ | △ | △ | △ | △ | △ | ○ | ○ | ○ | ○ | ○ | ○ | ○ |
| 16 | ○ | △ | △ | △ | △ | △ | △ | △ | △ | ○ | ○ | ○ | ○ | ○ | ○ | ○ |
| 17 | ○ | △ | △ | △ | △ | △ | △ | △ | ○ | ○ | ○ | ○ | ○ | ○ | ○ | ○ |
| 18 | ○ | △ | △ | △ | △ | △ | △ | ○ | ○ | ○ | ○ | ○ | ○ | ○ | ○ | ○ |
| 19 | ○ | △ | △ | △ | △ | ○ | ○ | ○ | ○ | ○ | ○ | ○ | ○ | ○ | ○ | ○ |
| 20 | ○ | △ | △ | △ | ○ | ○ | ○ | ○ | ○ | ○ | ○ | ○ | ○ | ○ | ○ | ○ |
| 21 | ○ | △ | △ | ○ | ○ | ○ | ○ | ○ | ○ | ○ | ○ | ○ | ○ | ○ | ○ | ○ |
| 22 | ○ | △ | ○ | ○ | ○ | ○ | ○ | ○ | ○ | ○ | ○ | ○ | ○ | ○ | ○ | ○ |
| 23 | ○ | △ | ○ | ○ | ○ | ○ | ○ | ○ | ○ | ○ | ○ | ○ | ○ | ○ | ○ | ○ |
| 24或更高版本 | ○ | ○ | ○ | ○ | ○ | ○ | ○ | ○ | ○ | ○ | ○ | ○ | ○ | ○ | ○ | ○ |
直線驅動用銷齒輪規格表
お問合せ先について
ホームページからのお問合せ
中国語でのお問い合わせは、つばきグループホームページの問合せページを開きます。
英語でのお問い合わせは、つばきグループホームページの問合せページを開きます。

點擊以顯示每個齒數的詳細信息