關於塑膠系列TKR型支撐滾輪的安裝
TKR 型塑膠電纜保護鏈條配備了支撐滾輪,使其能夠適應長行程。
安裝支撐滾輪時,針對每種電纜保護鏈條型號設定支撐滾輪安裝間隔,以確保電纜保護鏈條橋架運作穩定。
支援滾輪請參考以下連結內容,依設定支援滾子場合的能力圖使用。
TKR15H22 (舊TKR0150)
支承輥的安裝間隔請設定為L=350mm以下。
透過安裝四個或更多支撐滾輪,移動行程可延長至最大 2.2 m。
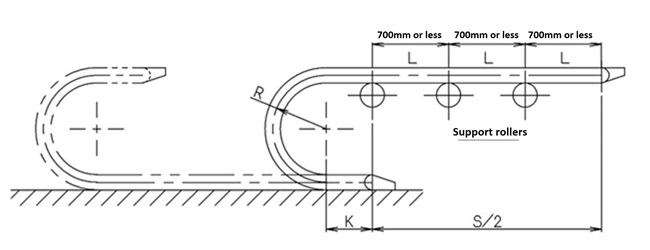
TKR20H28 (舊TKR0200H28)
支承輥的安裝間隔請設定為L=700mm以下。
透過安裝三個或更多支撐滾輪,移動行程可延長至最大 3.3 m。
TKR26H40 (舊TKR0260)
支承輥的安裝間隔請設定為L=700mm以下。
透過安裝三個或更多支撐滾輪,移動行程可以延長至最大 3.6 m。
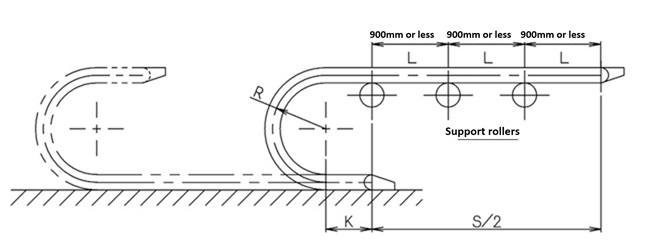
TKR28H52 (舊TKR0280)
支承輥的安裝間隔請設定為L=900mm以下。
透過安裝三個或更多支撐滾輪,移動行程可以延長至最大 5.0 m。
TKR28H52-EX
支承輥的安裝間隔請設定為L=900mm以下。
透過安裝三個或更多支撐滾輪,移動行程可以延長至最大 11.88 m。
TKR37H28
支承輥的安裝間隔請設定為L=700mm以下。
透過安裝四個或更多支撐滾輪,移動行程可以延長至最大 5.1 m。

