技術資料高速升降機Zip Master馬達接線
三相電機接線和升降方向
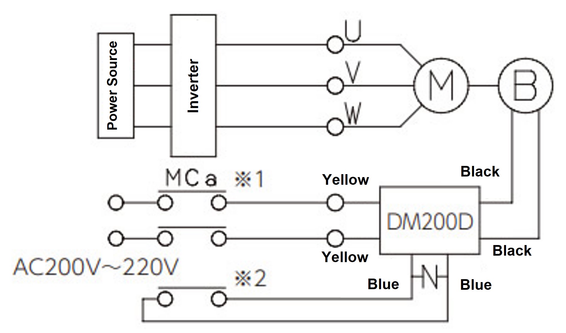
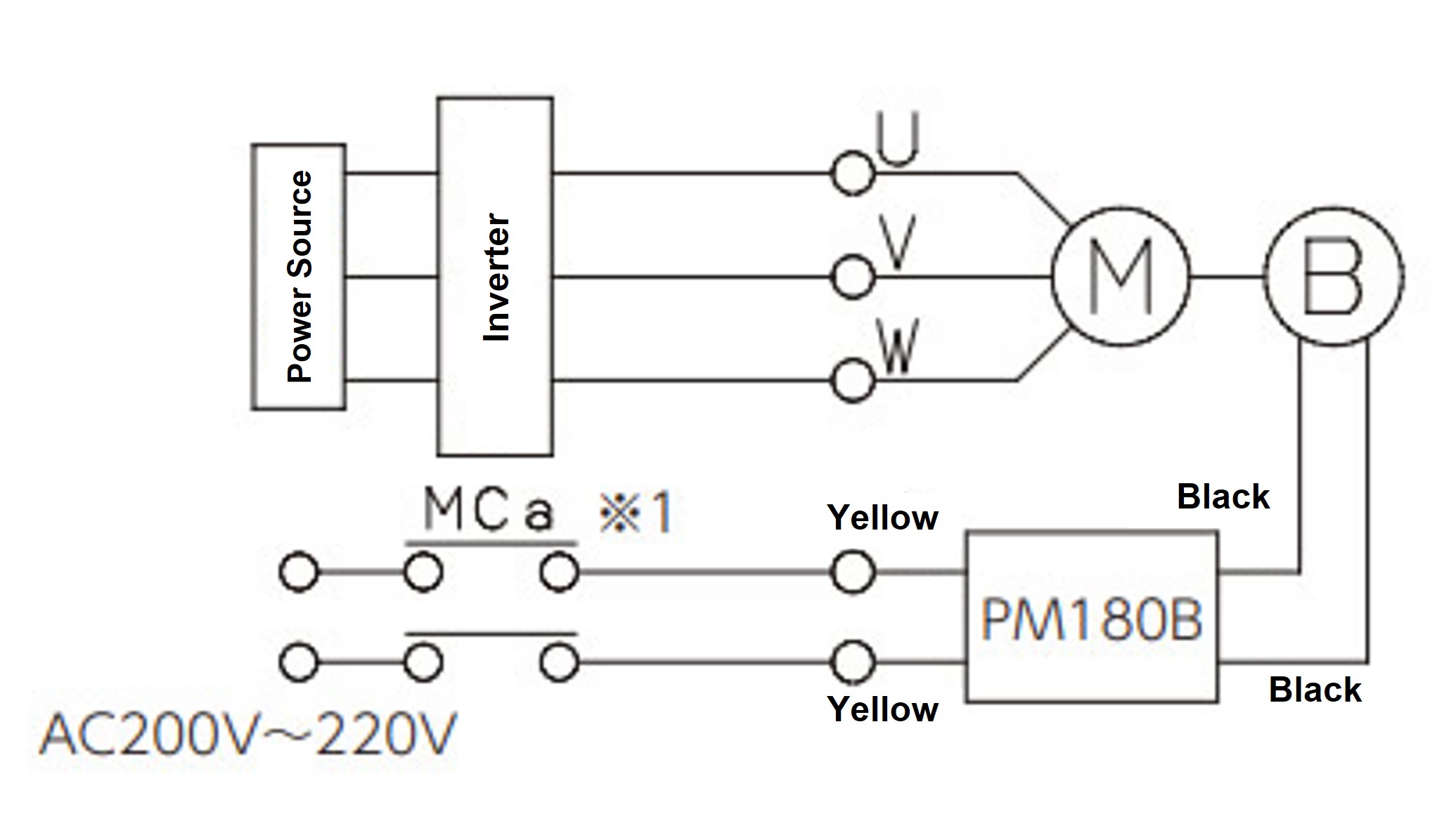
三相馬達接線(僅適用於變頻器控制)
3.7kW
基本頻率應設置為60Hz。
5.5kW
基本頻率應設置為60Hz。
(M):馬達 (B):煞車 MC:電磁接觸器 MCa:補助繼電器OCR:過電流繼電器
DM200D、PM180B:DC Module (轉換器)--N--:保護元件(壓敏電阻)
| 商品名稱 | 制造商 | 型號 | ||
|---|---|---|---|---|
| 浪湧吸收器 | Panasonic | ERZV14D471 | ||
| 陶瓷壓敏電阻 | Nippon Chemi-Con | TND14V-471KB00AAA0 | ||
- 註1制動電壓為DC90V。(在DM200D和PM180B上輸入200V交流電)
- 註2:使用3.7kW馬達時,煞車功率模組可能會因接線長度、接線方式、繼電器類型等原因而損壞,因此請在直流電各別切斷端子之間連接壓敏電阻。
- 註3:*1中的補助繼電器(MCa)必須具有AC200V7A或以上的接點容量(阻性負載)。
*2 如果使用 MC 輔助接點或補助繼電器,觸點容量必須為 AC200V10A 或更大(阻性負載)。 - 註4將電源連接到制動電源模塊附近 (藍色引線部分) 更為有效。具體的壓敏電阻的型號如下所示,等價品的壓敏電阻也可以使用。變阻器電壓DM200D請選擇470V的。
